三、寄生振荡
扩音机出现寄生振荡(高频振荡如嘶啦、嘶啦声,低频振荡如扑…扑的汽船声,后者已在前文提到了),轻则屏耗增大,屏极发红,输出减小;重则机器不能工作,高压加不上。功放级产生寄生振荡的原因有如下几种:
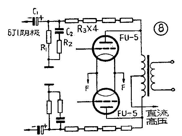
1.负反馈电路元件变质或开路:中、小功率扩音机末级负反馈电压一般从输出变压器次级取出,当负反馈电路电阻开路时,机器无负反馈而引起振荡。大功率扩音机末级负反馈电压一般由输出变压器初级或次级分压取出。初级反馈的如图8。初级采取对称反馈,C\(_{1}\)主要起隔直流作用,但如果容量变化将影响低频的反馈量,当C1的容量减小、开路或短路,以及C\(_{2}\)短路时,都将造成振荡。电阻R1和R\(_{3}\)决定反馈量。R1开路反馈增大。而R\(_{3}\)其中之一有开路时,无反馈,将引起振荡。两管反馈电路是对称的,一边出现上述故障时,势必破坏反馈的平衡,机器亦将产生振荡。次级反馈的机器如GY275(图9)。当R1开路,反馈量增大。R\(_{2}\)或R3开路则无反馈,将引起振荡。


无论那种反馈电路,在置换损坏的元件时,应按原值换上,不要随意改变。
2.输出变压器次级并联的旁路电容器开路时,将引起高频振荡,时久则引起变压器跳火损坏,对这种电容器置换时,除电容量应相等外,耐压值一定不能低于原电容器的耐压值。
3.多管并联运用时,屏、栅抑制电阻(图10中的R\(_{1}\)、R2)损坏或变质时,对有些机器来说,将引起振荡。但须特别指出,当栅极抑制电阻R\(_{2}\)损坏,需要换件时,不可用线绕电阻,因为线绕电阻是有感电阻,通过它的电感将引起振荡,因此栅极抑制电阻只能用同值的无感电阻(如炭膜或金属膜电阻)换用。

4.用高互导管 FU—7(或1625)的中、小功率扩音机,其振荡抑制电路不够完善时,使用日久,功放管及元件参数变化极易出现振荡。
5.电源电压过高,破坏了功放管正常工作状态,也会引起振荡,不过这主要是在电源电路中有故障,以及使用不当而引起(例如市电电压升高时无调压措施)。
四、失真
由功放级电路故障引起的失真,前面已经提到了,尤其功放级有振荡存在时,那怕是轻微振荡也必然造成失真,这里就不再重述。至于因高压滤波不良而引起低频失真的故障,我们已在本刊1973年第2期“扩音机整流滤波电路的检修”一文中谈过了。输入信号过强造成末级过载失真将另述。现将中、小功率扩音机引起失真的两个不太引人注意的故障说明一下。
1.工作在甲乙2类状态时,栅偏压不是由独立的电源供给,而是从次高压电路里抽取(如图11)。当滤波电容C\(_{2}\)的容量减小时,不仅交流声大,同时将产生明显的失真(特别低音频含混不清),尽管输出功率并不减小。

2.四极功放管帘栅电压不稳,例如泄放电阻开路,或帘栅压滤波电容容量减小都将造成帘栅压不稳定,这时输出功率并不明显减小,但却有明显的失真。
五、交流声
一般说来,由于末级电压放大倍数不大,因此由功放级故障引起的交流声并不十分明显。但是有两种故障却能出现明显的交流声:①功放管内部有缺陷,栅、阴连极或漏电,阴极与灯丝连极,灯丝电源接地不良;②固定栅偏电源滤波不良,或推动变压器初、次级间漏电,或栅极交连电容漏电而使栅极带正电时都将出现相当明显的交流嗡嗡声。这种故障虽不是由功放级电路本身所引起,但却是与功放级直接相关。
六、功放管灯丝开路或时明对暗
功放管的灯丝电流都在一到几个安培以上,耗散功率近二、三十瓦之多,温升较高,因此容易造成灯丝故障。属于管子本身的因灯丝电压过高、使用日久、振动等造成断丝、灯丝不亮的故障,只能换新,无法修复。还有一种故障是由于灯丝引出线与管脚脱焊开路,或接触不良,造成时明时暗的现象,由于在管壳的外部,一般是可以修复的。例如FU—811管的灯丝故障比较多见。由于灯丝引出线过短,与管脚焊接处刚好粘连上,稍有振动就会脱焊开路;或者因为接触面过小,时久接触处氧化接触电阻增大,出现灯丝时断时通,或亮度显著变暗,造成阴极发射力不足或无发射,影响输出功率或无输出,虽使用时间不长,但好像管子已经衰老一样。这种情况不单是灯丝,其他电极也有可能出现。修理时,在管脚端点(见图12)用烙铁将锡焊开,灯丝引出线即暴露出来,小心将引出线表面氧化物打净,涂松香焊剂重焊(不能用焊油)。重焊时,吃锡一定要深,使接触面增大,才能牢固,否则,焊而不实,还会出现同样故障。

七、功放管屏红
功放管工作时屏极发红是机器存在故障的典型现象,因为它直观可见,好像给维护人员一个“报警”信号。所以不少维护人员往往总是抓住屏红现象进行故障寻迹,排除引起屏红的故障,恢复机器的正常工作状态。引起屏红的因素是多方面的(如前文和本文曾经提到的),但归纳起来,大致有如下一些原因:①市电电压过高而又无调压措施时,将使功放管屏压(帘栅压)和灯丝电压过高,屏耗加大而屏红;②外接负载过重或短路,功放管在重载下运用,屏耗大大超过规定值而屏红;③输出变压器次级短路和局部短路,或初级局部短路,等于加重负载;④两管推挽的功放管,参数变化,两管变得不一致,内阻小的一管屏流加大而屏红,而不红的一管则说明其效率已经降低不能再用了;⑤多管并联运用的功放级,除了如④所述引起屏红外,只要并联的一组其中之一不工作(如屏极开路,管子衰老等),并组的其他管子将因工作过载而屏红;⑥栅偏小或栅极开路,造成屏流增大使得屏极过热发红(主要是由偏压电路故障引起);⑦极偏和连极使屏耗增大而屏红;⑧机器因振荡,特别是高频振荡而引起屏红,但屏红现象比上述几种为弱;⑨功放管栅极交连电容漏电或短路,输入变压器初、次级间短路,使栅极带正电,屏耗增大造成屏红;⑩推动信号电压过大,管子功率消耗也大,除失真外,将引起屏红;通风散热条件差,功放管特别是大功率机器的功放管耗散功率大,工作时管壳积热发散不够时,温升增加,屏极过热而屏红。
必须指出,故障虽然引起屏红,但屏红并不一定是故障。例如金属屏极(如FU-5)是允许屏极有微红的(所谓微红是指金属屏中心部位红)。此外,在工作过程中,随输出功率增大而屏极显红也不一定是故障。判断的方法是:一管红而它管不红,一只管半边红半边不红,这显然是故障引起;而当输出功率、屏流都正常时,管子虽全部都红,但却不是故障,这在使用和维修中应加注意。(北京市广播器材修造厂 工人 程仲 技术员 谢祥恺)