信函过戳机是广大邮电工人在毛主席无产阶级革命路线指引下,发扬艰苦奋斗,自力更生的革命精神,试制成功的一种用于投递部门加盖投递日戳的过戳机。该机要求做到信函自动逐件过戳,逐件计数;就是要连续、迅速、准确地在每一封信上加盖一个投递日戳,并计数一次。每小时可过戳一万二千件。
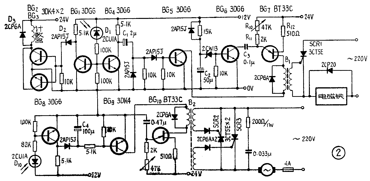
图1是信函过戳机的方框图,图2是电路图。信件放在供信带上,经过机械分离机构逐件被分离,自下至上一封一封的被分离带送向加速轮。在分离带和加速轮之间,安装一个由6.3伏聚光电珠和光电二极管D\(_{1}\)组成的光电控制装置。当信件通过时,遮断了光电管D1的光源,D\(_{1}\)的内阻变大,使BG1、BG\(_{4}\) 的基极电压大大下降,促使BG1、BG\(_{4}\)截止。正电压通过C1、D\(_{2}\)耦合至BG5和BG\(_{2}\)、BG3,使BG\(_{5}\)和BG2、BG\(_{3}\)同时导通。BG2、BG\(_{3}\)亦可以改用一只3AD6大功率管,每导通一次,计数器即跳动一次,加一个数。BG5导通时,+24伏电压通过R\(_{12}\)1初级线圈加于单结晶体管BG\(_{7}\)的二个基极上,同时电容C3经过R\(_{1}\)0、R11充电,使由BG\(_{7}\)等组成的弛张振荡器输出尖脉冲电压,触发可控硅SCR1导通,使戳轮电磁铁吸动离合器的释放钩,钩子松开,离合器就带动戳轮翻转盖戳。


为了保证每一封信通过D\(_{1}\)遮光一次时,不论遮光时间长短,戳轮电磁铁只吸动一次,且吸动后立即释放复原,以待下一次信号的出现,做到一封信盖一次戳的目的,因而电路中的C1应选取适当数值,使BG\(_{5}\)的导通时间极短,另外在弛张振荡器中也应选取适当的C3、R\(_{1}\)0数值,R10应使用可调电阻,这样可以调整在当D\(_{1}\)遮一次光时,B1输出一串尖脉冲,在可控硅SCR1加上正向电压时触发SCR1导通。
电路中BG\(_{6}\)的作用是为了消除开机时电磁铁的误动作,由于C2的充电需要一定的时间,因此保证了在开机的瞬间BG\(_{6}\)截止,BG7也就不振荡,可控硅不导通。但当C\(_{2}\)充电完毕,BG6导通,只要D\(_{1}\)受遮光,BG5就导通,BG\(_{7}\)振荡,输出正脉冲以触发可控硅SCR1。
电动机的运转由一组安装在供信带前端的光电控制装置来控制。在接上电源,聚光电珠发亮后,光照在D\(_{1}\)0上,电动机不运转。但当把准备过戳的成叠信件放在供信带上时,信件遮去D10的光源,BG\(_{8}\)截止,BG8的集电极输出正信号,使BG\(_{9}\)导通,则BG10振荡,变压器B\(_{2}\)输出尖脉冲触发SCR2,SCR\(_{3}\)导通,电动机通电运转。
当供信带上信件输送完了,D\(_{1}\)0受到光照时,BG8导通,但因C\(_{4}\)放电需要一定的时间,在这段放电的时间中,BG9仍然导通,可控硅也是导通的,电动机继续在转动。直到C\(_{4}\)放电至使BG9截止,BG\(_{1}\)0停振,可控硅关断,电动机停止转动。达到我们要求电动机延迟停转,使末了一封信完成盖戳记数的效果。(上海市市北区邮政局)