我们无线电小组利用学生休假期间,开展了制作印刷电路晶体管单管机的实验活动。关于印刷电路的制作方法本期已另有介绍。这里谈谈我们实验中所采用的电路和制作方法。
电路

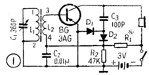
我们采用的电路如图1。它和普通来复再生式单管机的电路相比较,省去了一只高扼圈和再生电路部分。因耳机本身就有线圈绕组,能起到高扼圈的作用。实践证明,去掉高扼圈对收听效果并没有影响。去掉再生电路固然影响一些接收灵敏度,但还可以用β值较高的管子来弥补。这样一来,使电路简化、易于调试,而且可以避免再生啸叫。电路原理分析如下:L\(_{1}\)C1为调谐回路,改变C\(_{1}\)的容量可接收不同电台的信号。信号经磁棒耦合到L2,送到晶体管BG进行高频放大。C\(_{2}\)为高频旁路电容。放大后的高频信号通过C3由D\(_{1}\)、D2进行倍压检波。R\(_{1}\)和R2决定晶体管的工作点,兼作检波级的负载。检波后的音频信号经过L\(_{2}\)再加到BG的基极进行低放,放大后的音频信号由耳机发出声音。
元件数值和制作方法

天线磁棒用扁形4×13×55毫米或圆形φ10×60毫米中波磁棒,C\(_{1}\)为360P密封单连可变电容器,线圈用0.25毫米线径漆包线绕制,L1绕65圈,L\(_{2}\)绕5圈。先衬一层牛皮纸,在磁棒一端绕好L1,再在L\(_{1}\)上面衬一层纸,绕L2(图2)。C\(_{2}\)为纸质电容,用0.01~0.001μ均可。C3可用100~500P云母电容或涤纶电容。D\(_{1}\)、D2可用2AP系列的普通检波二极管,也可以用废高频锗管的一个结代替。R\(_{1}\)在30~50K范围内调整。R2一般为47K~51K。BG用一般锗高频三极管。β值要求在40以上。耳机用800欧以上高阻抗的,电池用5号电池。
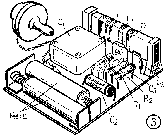
零件准备好后,就可以在印刷电路板上安装焊接了。安装步骤如下:先固定磁棒、可变电容器C\(_{1}\)和电池架。然后按顺序焊接L1、L\(_{2}\)、D1、D\(_{2}\)、BG、C3、R\(_{2}\)和C2,即可进行调试。调试时先将耳机与一只电流表串连起来接在耳机接线处,用一枚20K电阻串连一只50K电位器接在R\(_{1}\)处,代替R1。然后接通电源,戴上耳机。转动电位器使电流表读数为1毫安,这时旋转可变电容器C\(_{1}\),便可听到电台的声音。再微调一下电位器,使音量合适。最后取下电位器和串连的电阻,用万用表量一下它们的总电阻,便是R1应有的阻值。取一枚适合的电阻焊在R\(_{1}\)处,一架单管机就制作完毕了。元件在底板上的排列位置如图3。

此单管机电路简单,零件排列清楚,适合初学者实验制作。我们小组同学们制作的单管机都能收听到北京六个电台的广播。在焊接时应当注意三极管的焊接时间不宜过长,以免烫坏管子。二极管的极性不要接反。(北京东城区少年宫无线电小组)