什么是交流电
电流有交流电和直流电两种。一般发电厂送的是交流电,干电池发的电是直流电。交流电流的方向随时间而变化,而直流电流的方向总是从正极流向负极。交流电流方向随时间变化的关系,可以用图来表示。画两根互相垂直的线,取水平线作为时间数值线,取垂直线作为电流数值线。时间一般用t表示,电流一般用i表示,所以时间数值线叫做t轴,电流数值线叫做i轴。t轴i轴的交点叫做零点或原点,即开始点。这样,在t轴上可以划分很多小段,每一段代表一定的时间,例如\(\frac{1}{100}\)秒或1;1000秒;在i轴上也可划分很多小段,每一小段代表一定的电流,例如1安或\(\frac{1}{1000}\)安。如果以i等于零这一点的时间为开始点,过t\(_{1}\)秒测得i的数值为i1,过t\(_{2}\)秒测得i的数值为i2 ……。通过t\(_{1}\)t2……i\(_{1}\)i2……各点,分别画与t轴和i轴垂直的线,它们的交点,就分别代表t\(_{1}\)t2……各个时间数值和i\(_{1}\)i2………各个电流数值相对应的点。把这些点联起来,就得到一条曲线,见图1。这条曲线就表示了交流电流随时间变化的规律。图1的曲线,是按一般发电厂发的交流电画的。


干电池发的电,用上述图解方法表示,如图2所示,在短时间内,是一根与t轴平行的线,也就是它的方向、大小不随时间变化。
从图1可以看出,电流i从零开始增到最大,又从最大减小到零,以后向另一个方向增到最大,又从最大减到零。这样周而复始。一般把上述一个变化的完整过程所需的时间,叫做周期,用符号T代表。我国发电厂发的交流电,周期是1/50秒。一秒钟内变化多少周,叫做频率,用符号F代表,单位叫赫。周期是\(\frac{1}{50}\)秒,频率就是50赫,即F=1;T。
图1画的是交流电流随时间变化的曲线,交流电压与时间的关系,也是这样,就不重复说了。
整流基本概念
电子管、晶体管的电源要求用直流电,但是发电厂供的是交流电。要解决这个矛盾,就需要将交流电转变为直流电。将交流电转变为直流电的过程,就叫做整流。
从图1可以看出,如果把交流电的一个半周去掉,就可以得到方向不变但是断续的电流,如图3所示。这种电流有点像人的脉搏跳动那样,所以叫做脉动电流。用什么办法能实现这个设想呢?在了解了半导体PN结的特点后,就会想到用这种器件来达到整流的目的。

半导体PN结,只能通过一个方向的电流。如果把一个PN结(即晶体二极管,在图中用黑粗箭头符号代表,箭头方向代表导通方向)按图4那样连结,那么在变压器A点为正时,二极管接上正向电压而导通,R中有电流通过。经过半周后,变压器A点变为负,B点变为正,二极管接上反向电压而截止,R中没有电流通过。这样,R中流过的电流,就是图3所示的那种脉动电流。R代表被供电的设备,叫做“负载”。
脉动电流作电源,会产生干扰。收音机用这种电源,就会产生很大的嗡嗡干扰声,一般叫交流声。怎样减小脉动呢?最简单的办法,是在R上并联接上一个电容器C,如图4中虚线所示。由于电路中加入了一个电容器,当二极管导通时,对电容器充电,当二极管不导通时,电容器C对R放电。因此在正半周时R中有二极管导通电流,在负半周时,R中有电容器C的放电电流。这两个电流在R中的方向是一致的。因此,R中的电流在两个半周内就变得平稳多了。电容器C在这里起到了滤波的作用,所以电容器C也叫做滤波电容器。
从图4可以看出,整流器应包括三个部分:1.变压器;2.整流元件;3.滤波器。变压器的作用是把交流电源电压变为实际需用的电压。整流元件,如图4中的二极管,是变换交流电流方向的。滤波器的作用是使变换后获得的电流平稳。下面着重讲一讲整流元件连接的方式。
半波整流
图4的整流器连接方式,上面讲过,只有在正半周内才导通,所以这种整流电路叫半波整流电路。
晶体二极管能承受的电流和反向电压是有限制的。电流太大,就要并联一个或数个二极管,起分流作用,减小通过每个二极管的电流。电压太高,就要串联一个或数个二极管,起分压作用,减小每个二极管上所加的电压。这样并联或串联二极管,虽然二极管数目增加了,但是整流效果没有变化,仍然是半波整流。
半波整流电路整流后的电压,在没有接入电容器C时,可以应用下列公式计算:
U=0.45E,
式中U为整流后的电压,E为变压器次级交流电压的有效值。一般发电厂送来作照明用的交流电压,E为220伏,经过变压器,如果降为100伏,那么整流后的电压U=0.45×100=45伏。

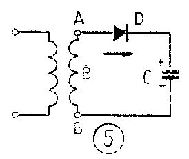
接上电容器以后,整流后的电压计算方法就不同了。先看一个特殊的例子,即把R去掉的例子。这种情况叫做负载开路,如图5所示。在正半周时,二极管导通,电容器C充电。负半周时二极管截止,但电容器C没有放电电路,因此不能放电。第二个正半周时,电容器C继续充电。因此,电容器C充电是累积的,直到电容器C上充电到输入电压的最大值为止,并且一直保持这个数值。输入电压的最大值,等于它的有效值乘以1.41倍。在图5这种情况下,整流后的直流电压U=1.41E。
接上R以后,在电流负半周时,电容器C可以通过R放电,放电的速度跟R和C的大小有关。R和C的数值愈大,放电愈慢。在这种情况下,电容器C上的直流电压与R的关系较大,一般按U=E估算。
从图5中可以看出,电容器C上的电压是反向加在二极管上的。在选择二极管时,要考虑这个电压数值,即二极管能经受的最大反向电压必须大于电容器C上的最大电压。
全波整流

全波整流的电路如图6所示。与图4比较,多了一个二极管,并且变压器次级有一个中心抽头O,这个抽头接地。当A为正B为负时,D\(_{1}\)导通,电流从A经D1、R\(_{1}\)、地、次级线圈中心抽头O完成回路。R中电流的方向如图中箭头所示。这时D2上加的是反向电压,不能导通。当A为负,B为正时,D\(_{1}\)上加的是反向电压,不能导通。但是D2这时接的却是正向电压,因此D\(_{2}\)导通,电流经D2、R、地、抽头O完成回路。请注意,不论是D\(_{1}\)导通或D2导通。流过R的电流方向都是一样的。
可以看出,这样的电路,在交流电的两个半周都导通,因此叫做全波整流,它的电流随时间变化的曲线,如图7所示。

全波整流后的电压,可以按下列公式计算:
U=2×0.45E=0.9E,
E是电源变压器次级每端到中心抽头的电压有效值。可以看出,全波整流比半波整流的效率提高了一倍。
在全波整流电路中,接上电容器C后,电容器C在两个半周都充电,因此它上面的电压较高,在负载开路时可能达到2×1.41E伏。如果E=100伏,那么电容器C上的最大可能电压=2×1.41×100=282伏。这个电压是反向加在二极管上面的。在选择二极管时,要注意二极管所能承受的反向电压数值,不能小于电容器C上的最高电压。与半波整流对比,全波整流的二极管加的反向电压要高一倍,这是一个缺点。它的优点是整流效率较高,整流后的电压脉动也较小。
接上电容器C后,整流后的电压可根据U=1.2E估算。
桥式整流

桥式整流电路如图8所示。当变压器A端为正、B端为负时,D\(_{1}\)、D2导通,电流从A经D\(_{1}\)、R、D2到B。这时D\(_{3}\)、D4不通。当变压器A端为负、B端为正时,D\(_{3}\)、D4导通,这时电流从B经D\(_{3}\)、R、D4到A,D\(_{1}\)、D2不通。请注意,在正负两个半周内,R中都有电流通过,而且方向不变,达到了整流目的,与全波整流的效果相同。
在未接电容器C时,桥式整流电路整流后的电压计算公式,与全波整流相同,即U=0.9E。
二极管上加的反向电压,以D\(_{3}\)为例说明如下。在正半周时,D3处于反向电压情况下,这个电压等于图中电桥点3和点2间的电压U\(_{32}\),而电桥点3和点2间的电压等于电桥点1、2间的电压U12减点1、3间的电压U\(_{13}\)。从图中可以看出,U13就是二极管D\(_{1}\)上的正向电压,D1导通时,这个电压很小,不到1伏,因此U\(_{32}\)可以近似地等于U12,而U\(_{12}\)就是交流电源变压后的电压,它的有效值为E,最大值为1.41E。
用同样的方法,可以知道在电源电压的正半周内,D\(_{4}\)上的最大反向电压也为1.41E。在电源电压的负半周内,D1D\(_{2}\)上的最大反向电压同样为1.41E。
桥式整流电路与上述全波整流电路比较,整流效能一样,但反向电压较小,而且不需变压器中心抽头,这是它的优点。缺点是整流元件较多。虽然如此,在实际工作中应用这种电路要普遍得多。
整流电路估算举例
假设有一种晶体管设备,要求直流电源电压为12伏,直流电流300毫安,希望电压比较平稳,问采取何种整流电路,并估算电路参数。
根据上述要求,选择桥式电路较为合适,参考图8。
由于直流电压为12伏,所以要求变压器次级交流电压有效值E=121.2=10伏。如果用电灯照明电源,它的有效值为220伏,所以要加一个变压器降压,降压比应为220:10=22:1。
二极管承受的最大反向电压为1.41E=1.41×10=14.1伏。二极管通过的电流约为输出直流电流的一半,即300÷2=150毫安。根据这两个数值,可选择型号为2CP31型的二极管,它的容许最大整流电流为250毫安,最高反向电压为25伏,适合上述要求。
关于滤波电路元件数值的计算方法比较复杂,这里就不介绍了。一般图8中的滤波电容器数值,可根据输出电流按下表选择。
2安左右 1安左右 0.5—1安 0.1—0.5安 100毫安以下 50毫安以下
4000μ 2000μ 1000μ 500μ 200—500μ 200μ
这个例子中,输出电流为150毫安,可以选用500μ左右的电容器,耐压要求为输出电压的两倍,即2×12=24伏。因此,滤波电容器C可选用耐压为25伏的500μ的电解电容器。(金丁)