收音机采用硅管有很多优点,例如性能稳定,受地区气候影响较小;线路比较简单,易于组织大批量生产,成本可降低。此外,我国硅材料资源丰富,对于贯彻“自力更生”方针,促进我国收音机工业的发展具有重要的意义。
我厂职工学习毛主席关于“自力更生,艰苦奋斗”的教导,认识到我们发展收音机生产,应该把立足点放在自己力量的基础上。全厂工人老师傅和技术人员把冲天革命干劲和科学态度结合起来,在厂党组织领导下,在上海无线电十四厂等兄弟单位协助下,经过反复实践,终于制成了全用硅管装置的收音机。现以我厂生产的浦江牌207型收音机为例,谈谈收音机中应用硅管碰到的一些技术问题和采取的措施,供大家参考。
一、电路简介
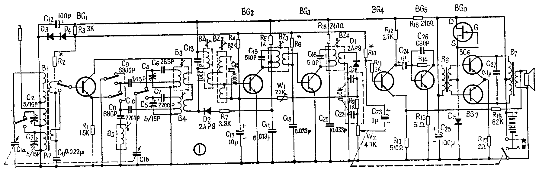
浦江207型全硅管收音机,采用七个硅晶体管、一个场效应管、三个硅稳压二极管。本机采用超外差式电路(见图1),有一级变频;二级中放;一级检波兼自动增益控制;二级低放和一级推挽功放。全机总增益在140分贝左右。此外,还采用了强信号限制电路和短波提升电路,其结构与其他产品相似,这里不再分析。下面将着重对本机所采用的偏置稳压电路和硅管功放电路的工作原理作一些介绍。

二、硅管的偏置
毛主席教导我们:“对于物质的每一种运动形式,必须注意它和其他各种运动形式的共同点。但是,尤其重要的,成为我们认识事物的基础的东西,则是必须注意它的特殊点,就是说,注意它和其他运动形式的质的区别。”

在收音机电路里,晶体三极管要进行正常的工作,必须给以合理的偏置,保证它有一个合适的工作点,而且要求工作点稳定。锗管的偏置法过去已经常见,但要把锗管的偏置方法用在硅管上,就行不通,因为硅管有它的特殊点。现举分压偏置为例来看这个问题。图2同时画出了锗管和硅管的两条输入特性曲线(I\(_{C}\)随VBR变化的曲线)来作比较。我们从1毫安工作电流来看,锗管的基极电压V\(_{BEG}\)为0.25伏;硅管的基极电压VBEC为0.7伏。若采用普通分压偏置的话,当外电压变化10%时,锗管V\(_{BEG}\)的变化量△VG为0.25×10/100=0.025伏,这时从曲线上可看出集电极电流变化0.3毫安左右;硅管的V\(_{BEC}\)的变化量△VC为0.07伏,从曲线看集电极电流则变化0.7毫安左右。硅管电流变化比锗管要大2.3倍。由此可见,若要使硅管降压稳定度达到锗管水平,则必须把△V\(_{C}\)控制在原来数值的1/3左右的水平上,也就是说,当外电压变化10%时,其基极电压的变化必须控制在3.4%左右才行。以上推理是从硅管和锗管输入特性曲线相似的假定下得出来的,但是这与实际情况出入不大。

我们再来看图3的简单稳压电路。从实验中得出它的U\(_{C}\)和UD的关系曲线大致如图所示。从曲线中可知,当U\(_{D}\)在1.8~9伏范围内变化10%时,UC的变化幅度在2.7%左右。因此将这种电路用在硅管偏置上是可行的。这种电路中的二极管可利用废硅三极管或次硅二极管构成,成本低,比较经济。浦江207型机即采用了这种稳压偏置电路,如图1所示,由R\(_{3}\)与D3、D\(_{4}\)组成,并将BG1、BG\(_{2}\)、BG3和BG\(_{4}\)的基极偏置取自R3与D\(_{4}\)的连接点上,该点我们称之为“稳压点”,这点的电压在1.3~1.4伏之间。当收音机电源电压下降10%时,稳压点电压下降不到2.7%,因此这种收音机压降性能超过一般锗管收音机。
三、场效应管的应用
场效应晶体管具有输入阻抗高、噪声低和动态范围大等特点,其工作特性与电子管相似。
场效应管的工作电极有三个:源极(S);栅极(G);漏极(D)。在一定意义上对应于一般晶体三极管的发射极E、基极B和集电极C;或对应于三极电子管的阴极、栅极和屏极。一般场效应管按其结构和工作原理来分有各种不同的种类。这里我们仅从应用的角度对一种叫N型沟道耗尽型的场效应管的恒流特性的应用作一些简单的介绍,因为收音机中我们就利用它的恒流特性来供给功放级以稳定的基极偏置电压。

图4是这种场效应管的输出特性。可以看出,当栅偏压V\(_{GS}\)为固定值(图中0、-1或-2)时,在夹断区,漏电流IDS随漏极源极间电压V\(_{DS}\)的变化较大,即VDS稍有变化,I\(_{DS}\)变化就很大,但在夹断区后,即VDS大于夹断电压以后,漏电流I\(_{DS}\)随漏源电压VDS的变化极小,以3DO型和3DJ型管子为例,I\(_{DS}\)=3毫安时,VDS变化1伏,I\(_{DS}\)仅变化10~40微安,而且在很宽的范围内曲线都很平直。通过大量测试发现,饱和漏源电流IDSS(即V\(_{GS}\)=0时的IDS)小的管子夹断电压低,曲线平直区宽,并且I\(_{DS}\)随VDS变化小。

利用场效应管的上述特点,我们将I\(_{DSS}\)小的管子的S极与G极短接,作成一简单的恒流源,如图5所示,其恒定电流为IDSS。若I\(_{DSS}\)为1.5毫安,即可得到1.5毫安的恒流源。由于利用场效应管的恒流特性时对管子的跨导、结电容、输入阻抗、噪声等要求不高,因此可以充分利用这类管子中的废次品,大部分栅穿管也可利用。这比普通的晶体三极管和稳压管组成的恒流源简单实用。
下面我们再进一步谈谈在收音机功放级怎样利用场效应管恒流源来得到稳定的偏置电压。
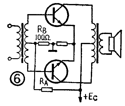
在用电池的半导体收音机中,不可避免地要遇到电池消耗而引起电源电压跌落,使偏置电压也跟着变动,引起功放管工作点偏移,收音机发生失真。在用硅管的功放电路里,由于硅管工作点随电池电压下降偏移极快,如用一般的电阻偏置电路(如图6)而不采取措施,就不可能得到稳定的工作点,收音机就会过早地出现失真,声音变得很难听。


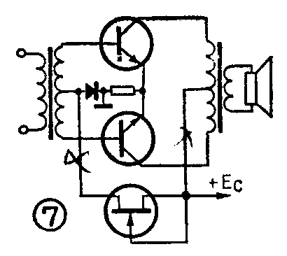
经过试验研究,我们用一个场效应管和一个硅二极管设计成图7所示的偏置电路,取得了良好的效果。由于利用了场效应管的恒流特性,当电源电压在相当大的范围内变化时,通过场效应管和硅晶体二极管的电流变化却很小。所以加到功放管上的偏置电压很稳定,使管子的工作点稳定不变。

图8所示是电阻分压偏置和场效应管偏置的几种硅管推挽电路的I\(_{C}\)~UC曲线。将它们进行比较就可以看出:纯电阻的分压偏置电路,电源电压略一变化,工作点变化极为厉害(曲线(b)),而场效应管加一电阻的偏置电路对电源电压变化的适应性好(曲线(a));若以硅二极管代替R\(_{B}\),则效果更好(曲线(c))。
浦江207型机就采用场效应管BG\(_{0}\)和硅二极管D5组成的偏置电路(见图1)。这种偏置电路消除了一般收音机的降压失真,使收音机电池电压降为3伏时还不致有交叉失真,还能保持有清晰的音质。
四、其他说明
1.全硅管收音机对管子的规格要求并不高,凡小功率的NPN型硅管大都可用。我厂产品上采用过的管子有3DG6、3DG8、3DG11、3DK2、3DK3、3S3、3DG4及处理品小功率NPN型硅管。
2.各管偏置与稳压点电压有关,因此测量工作电流前要先检查稳压点电压,正常值应该在1.3~1.4伏之间。本厂所用稳压管管帽二侧色点为管子正向饱和电压的分档色标,其数值为0.62~0.64(棕)、0.64~0.66(红)、 0.66~0.68(橙)、0.68~0.70(黄)、070~0.72(绿)、0.72~0.74(蓝)、0.74~0.76(紫)(单位伏)。功放管工作电流由BG\(_{0}\)及D5决定。BG\(_{0}\)的饱和漏电流和D5的正向饱和电压适当地加以组合选定,能使功放管保持一定的工作电流。本厂所用场效应管BG\(_{0}\)的饱和漏电流分档色标(管帽单侧包点)为0.8~1(棕)、1~1.2(红)、1.2~1.4(橙)、1.4~1.6(黄)、1.6~1.8(绿)、1.8~2.1(蓝)、2.1~2.3(紫)(单位毫安)。
3.浦江207型机各管工作电流分别为:0.5~0.7(BG\(_{1}\))、1~2(BG2)、0.6~1.2(BG\(_{3}\))、0.4~0.8(BG4)、1.2~2(BG\(_{5}\))、2~5(BG6、BG\(_{7}\))(单位毫安)。
4.图1电路中,由于硅管f\(_{T}\)较高,用在低频工作时容易自激,故在BG4基极加有阻尼电阻R\(_{11}\),以提高收音机的稳定性。R14是偏置及电压负反馈电阻,C\(_{26}\)是改善音质和提高稳定性的负反馈电容。W1是微调电位器,生产线上调节BG\(_{2}\)工作点用,采用WH7型微调电位器。(上海群益电讯厂技术组供稿陈纪镔执笔)