遵照伟大领袖毛主席“备战、备荒、为人民”的教导,我队于一九七○年试制成功用来寻找地下水源的支农70—2型半导体电测仪,对支援农田水利建设起了一定作用,被贫下中农亲切地誉为“地下千里眼”。
地下水的水质和地层的视电阻率
地下水有咸淡之分,只有淡水才能饮用和灌溉农田。打机井必须打在淡水层里。但是由于各地地质条件不同,给打井带来许多困难。例如华北平原地层上部有一层又苦又涩的咸水,打机井时必须打穿这层咸水后,才能取出下部的淡水,如图①甲井所示。咸水层厚度各地差别很大,常常由于不了解咸水层厚度,井打在咸水层里,成井后无法使用。如图①乙井的情况。

水在地下,怎样才能测出它的咸淡呢?咸水中含有较多的盐分,容易导电;而淡水相对来说导电性能差。也就是说,它们的电阻率不同。利用比较地层电阻率的方法,是可以区别地下水的咸淡的。但是因为上下地层互相有影响,通常只能测出地层的“视电阻率”ρs ——即把地层看作只有一层均匀土质时的电阻率。经实验确定,咸水层ρs<12欧姆·米,一般为3—7欧姆·米;淡水层ρs≥12欧姆·米,一般为15—30欧姆·米。因此,只要测出地层视电阻率的大小,就能间接地判断地下水的咸淡。支农70—2型电测仪正是通过测量地层的视电阻率,寻找适于利用的地下水源的一种电探仪器。
怎样测量视电阻率?

测量地层视电阻率的方法是这样:在地面上打上四根电极,如图②中A、B.M、N向A、B电极供电,建立人工电场。然后测量供电电流I和M、N电极间的电位差△V\(_{MN}\),根据公式ρs=K\(\frac{△V}{1}\)(K为电极装置系数)计算人工电场可作用到的那一地层的视电阻率。因为测量时上下地层互有影响,所以称为视电阻率,它和某一地层真正的电阻率ρ不同。实际测量时,要不断改变A、B间的距离,使电场进入地层的深度不同;AB越大,电场进入地层越深。这样就可以测出不同深度地层的视电阻率,画成电探曲线,再利用理论量板,便可计算出咸水层厚度、淡水层上界等开发地下水、合理设计机井深度所必需的数据了。在打井过程中,我们还要在井中测量。这是因为地层中含淡水沙层视电阻率高(20—40欧姆·米),粘土层、沙土层视电阻率低(5—12欧姆·米),而且含水沙层中还有扩散电场产生。通过测量视电阻率ρs、自然电位(扩散电位)△V两种参数,就容易确定沙层和粘土层的位置,达到指导下管成井的目的(见图③)。

电路及工作原理
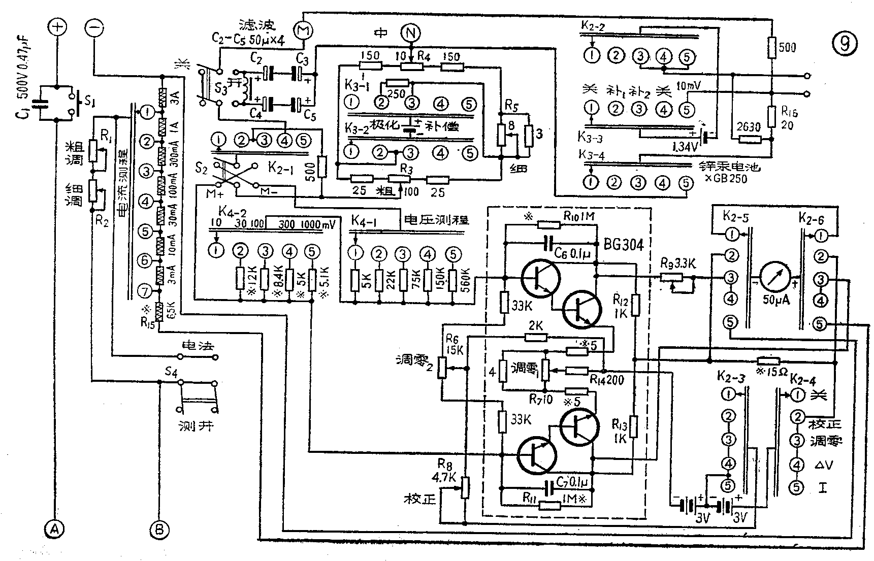
如前所述,要了解各地层的视电阻率,必须正确地测出向A、B电极供电的电流I和M、N电极间的电位差△V\(_{MN}\)。为此,70—2型电测仪设计有测量和控制供电电流的“供电部分”,以及测量电位差及补偿MN电极极化等装置的测量部分。仪器方框图和电路图分别如图④和图⑨所示。



一、供电部分:原理电路如同⑤,由电池组E、电流调节电位器R\(_{1}\)和R2、多量程电流表及按钮式开关S\(_{1}\)组成。其中多量程电流表共分七档,从3毫安到3安,指示电表与测量部分合用,采用59C2或61C1型50微安表头。
为了减小电流表的温度附加误差,电路中接有串联温度补偿电阻R\(_{15}\),使温度附加误差控制在每10℃1.5%以内。实际测量时,供电时间很短,为了迅速读出电流数值,要求表头处于临界阻尼状态。确定R15的大小时应考虑到这一点。同时,R\(_{15}\)还是电流表各档的总灵敏度调节器。
在井下测量时,调节供电电流I为电极装置系数K的n分之一,这样测量结果可免除计算直接成图(ρs=n△V\(_{MN}\))。在地面电探时,要把R1、R\(_{2}\)短路,避免大电流供电时将其烧毁。
二、测量部分:这一部分的主要任务是正确地测出A、B电极供电后在M、N电极间产生的电位差△V\(_{MN}\)。一般△VMN为毫伏数量级,且微安表输入阻抗较低,无法直接精确测出,必须先经放大后再推动表头。因此,克服温度等因素对直流放大器特性的影响,便成为提高测量精度的主要关键。70—2型电测仪的测量部分用差分放大器和校验电位电路来解决这个问题。为了补偿MN两端的自然电位,还设计有极化补偿器。
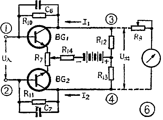
差分放大器 它是由两个参数相同的晶体管BG\(_{1}\)和BG2组成对称电路的直流放大器。简化电路见图⑥。

在电路参数对称,两管参数(主要是直流电流放大系数h\(_{FE}\)和共发射极基极——发射极直流电位VBE)相同的情况下,当温度变化时,两管集电极电流的变化相同,输出端不会产生由于温度变化引起的输出。所以,差分放大器可大大减小由于温度变化引起的零点漂移。
但实际上,两管的参数不可能完全一致。因此电路中有调零\(_{1}\)电位器R7,用来调节两管工作点,使在某一温度下达到平衡。R\(_{14}\)是为了克服两管的某些不对称性,提高放大器的稳定性而设置的。从这一点出发考虑,R14大一些好;但R\(_{14}\)太大,其上直流压降也要大大增加,相当于减小了直流电源的电压。在要求较高的场合,R14可改为晶体管恒流源。R\(_{1}\)0、R11为电压负反馈电阻,也用来增加放大器的稳定性。
为了抑制外界交流干扰,电路中有C\(_{8}\)、C7两个电容。当交流干扰信号输入放大器时,经放大后从集电极经电容反馈到输入端,便减小了干扰信号的影响。C\(_{8}\)、C7对直流无反馈作用,不影响直流放大作用。在仪器输入端还有一个π型滤波器(见图⑨),当交流干扰十分严重时,可将其接入,增加抗干扰能力。
实际电路(图⑨)中,晶体管采用线性组件BG304,BG304由两对性能一致的四个硅管组成,每两个硅管接成复合管。这样使仪器的放大倍数、稳定性、输入阻抗和线性都大大提高。在没有BG304时,也可采用其它型号的硅管,如3DG4、3DG6、3DG11等,但要求管子参数尽量相同,而且要把它们用紫铜皮裹在一起,保持等温,以改善仪器的稳定性。
放大器的偏置电路是对称供给的。偏压大小由校正电位器R\(_{8}\)调节(图⑨),使放大器总集电极电流在4.5毫安左右即可。因为差分放大器两边晶体管不可能完全一致,特别是VBE在不同温度时可能不一致。仪器中还设有调零\(_{2}\)电位器R6。调节R\(_{5}\)可改变两边晶体管的VBE,使它们在某一温度时一致。这样可减少改变量程时指示电表的零点漂移。
上述放大器是一个输入10毫伏使表头满度的放大电路。为了测量不同大小电位差的需要,仪器设有电位差量程衰减器,将被测电位差经过衰减后再输入放大器。量程共分五档,0—10毫伏,0—30毫伏,0—100毫伏,0—300毫伏,0—1000毫伏。电表分度与电流测量适应,10毫伏、100毫伏、1000毫伏档用0—100分度,30毫伏、300毫伏档用0—30分度。
校验10毫伏电位电路 差分放大器虽采取了负反馈措施,但温度对它的放大倍数尚有一些影响,温度系数约为每10℃2%。为了提高测量精度,仪器内附有校验10毫伏电位电路,它由锌汞电池、标准电阻R\(_{16}\)和热敏电阻组成,简化电路见图⑦。锌汞电池电压较稳定,但稍有一点正温度系数,所以只要选择适当正温度系数的热敏电阻,就可使回路电流不随温度变化。这里热敏电阻由铜丝电阻和锰钢电阻组成(阻值分别为300欧和2330欧)。回路电流在很宽的温度内(-10℃—40℃)保持0.5毫安,在20欧标准电阻上可得到稳定的10毫伏电位差,精度为±1%。

校验方法如下:仪器使用前,先将校验电位差输入放大器,如电表指示不是10毫伏,可调节串在电表回路中的电位器R\(_{9}\)使电表正好指在10毫伏位置。这样,放大器放大倍数虽然随温度稍有变化,也不会影响测量精度。

极化补偿器 由于电极极化和大地电流等的影响,在A、B电极还未供电时,M、N电极间就会有电位差产生。这一电位差称为自然电位。自然电位是我们在地面测量时不希望有的,测量前必须消除掉。仪器中有补偿这一自然电位的极化补偿器,简化电路如图⑧所示。它是一个低内阻电桥。当a、b端分别处于电位器R\(_{3}\)、R4的中点时,电桥平衡,无输出。当R\(_{4}\)触点向左右移动时,电桥失去平衡,a、b间将有电位差输出,a点向右移动输出为正,向左移动输出为负。同理,当R3触点左右移动时也能输出正或负的电值差。但上下桥路电位器阻值和流过的电流不同,所以输出的电位差大小也不同。上桥路电流较小为中调,下桥路电流较大为粗调,电位器R\(_{5}\)可微调上桥路电流,叫做细调。调节R3、R\(_{4}\)、R5可连续输出±500毫伏的电位差。极化补偿器和M、N电极串接在差分放大器输入端,供补偿自然电位用。
仪器使用方法和测量结果的分析
调整仪器
1.将K\(_{2}\)拨在“校正”位置,调节校正电位器B8,使表针指在红线上(红线位置指示出厂时定的放大器最佳工作电流,约为4.5毫安)。
2.将K\(_{2}\)拨在“调零”位置,K4拨在“10毫伏”位置,调节调零\(_{1}\)电位器R7使电表指零。再将K\(_{2}\)拨在“△V”位置,调节调零2电位器R\(_{6}\)使电表指零(滤波开关必须指在“关”)。
3.上述步骤互相有影响,故应重复数次,使K\(_{2}\)拨在“调零”及“△V”时,电表均指零。
4.将K\(_{2}\)拨在“△V”位置,K3拨在“10毫伏”位置,这时10毫伏校验电位输入放大器,电表应准确指示10毫伏,若大于或小于10毫伏,应调节电位器R\(_{9}\)。
测量
1.按图②连接仪器和电极。电极A、B间的距离,应使\(\frac{1}{2}\)AB在双对数座标纸上分布均匀,一般1;2AB可选择3、6、9、15、25、45、65、100、150、225、325、500……米MN一般取为\(\frac{1}{3}\)AB。工作时由近向远逐次测量。A、B电极用φ10毫米以上铁棒,M、N电极用φ20毫米铜管。电池用探矿专用的72型电池几块串联,AB较小时,也可用几块45伏乙电池串联。
2.将K\(_{4}\)拨在适当量程上,K2拔在“△V”。这时虽然S\(_{1}\)未按下,AB间没有供电,但因MN电极间有自然电位,故电表也偏转。将K3拨向补\(_{1}\)(或补2),调节极化补偿器R\(_{3}\)、R4和R\(_{5}\)(粗、中、细调),使电表指零。
3.按下S\(_{1}\),电源向A、B供电,电表指示MN间的电位差△VMN(S\(_{4}\)应放在“电法”位置)。
4.将K\(_{2}\)拨在“1”位置,K1放在适当测程,按下S\(_{1}\),电表指示供电电流I。
5.将△VMN和I值代入公式
ρs=K\(\frac{△V}{I}\),即求出ρs(K=π·AM·AN;MN)。
6.将不同\(\frac{1}{2}\)AB时的ρs值绘在双对数座标纸上(1;2AB为横座标,ρs为纵座标)连接各点即成电测深曲线,如图⑩所示。

分析结果
根据测得的电测深曲线,在测量现场就可以对测点的地下情况有一个轮廓了解。例如,从图⑩看,\(\frac{1}{2}\)AB较小时视电阻率ρs较高;随着1;2AB的增加ρs有所下降;但\(\frac{1}{2}\)AB较大时,ρs又升高了。根据本文第一节的分析,我们可以得出如下结论:地层浅部是淡水层,中部地下水含盐量较高,而深部又是淡水层。为进一步了解咸水层的深度等数据,应将所测曲线与电测深理论量板比较。图⑩下部是量板解释结果:15米以上为浅层淡水,电阻率ρ=45.5欧姆·米;15米至88米为咸水层,ρ=7.33欧姆·米;88米以下为深层淡水,ρ=21.5欧姆·米。有了上述电测结果,打井时就胸中有数了。因为如打浅井,不能超过15米,所以在这种地区最好打深井,将88米以上封闭,利用88米以下的深层淡水。
在井打到一定深度或终孔后,还可以利用70—2型电测仪进行井下测量,一般称为“测井”。“测井”时可做视电阻率和自然电位测量(井下自然电位主要是扩散电位)。测视电阻率时井下采用三个距离固定的电极A、M、N,地面为B电极。电极用电缆下入钻孔,由下往上测量。若在井下用一个M电极,地面用一个N电极。A、B电极不供电,测出的便是自然电位曲线。图③就是井下视电阻率和自然电位曲线绘在一起得到的。从图③可看出,含淡水沙层在视电阻率曲线和自然电位曲线上都有明显异常。根据曲线可精确地划分出含水沙层的深度和厚度,以及淡水和咸水的位置等。用这些测井资料指导井下施放滤水管,可大大提高成井质量。
70—2型电测仪是一种普及型找水仪器,适合于广大农村社队使用。它具有成本低,携带方便(整机体积为160×245×310毫米\(^{3}\),重量为4.7公斤),操作方法简单等优点,并具有一定的精度(各测程误差不大于±2%),可满足一般电探找水的需要。仪器的缺点是:①如采用分立元件,晶体管选择不当时,零点漂移稍大。②输入阻抗还不够高,在沙丘或山区接地电阻较大的情况下将引起测量误差。③仪器面板上调节部件较多。

(照片说明:河北省安次县机井队职工正在利用70—2型半导体电测仪进行地面“电法”测量)(河北省地质局物探大队)