大家都一定见过很多的乐器,比如钢琴、手风琴、风琴等。当前随着电子工业的发展,又出现了一种新的乐器,叫做电子琴。这种琴可以发出钢琴、风琴、黑管、双簧管、小提琴、大提琴等各种乐器的声音。但是它们的结构复杂。这里介绍一种简单的电子琴制作方法,以帮助无线电初学者对电子琴的原理有一点初步的了解。
大家都见过打秋千,秋千打起来以后,想叫它不停下来,就得每次都朝着秋千摆动的方向给它一定的力。如果不给它力,那么秋千就会慢慢地停下来了。电也可以象秋千一样,叫它在电路里面来回“摆动”,要使它不停地“摆动”,也得和打秋千一样,不断地朝着电流流动的方向,给它一定的电能补充。
使电在电路里面不断地“摆动”的装置,我们称它为振荡器;电在电路里的“摆动”,就称为振荡。如果振荡器工作在声音频率(每秒20~20,000周),就叫作音频振荡器。这种振荡器的电流通过喇叭,就会发出声来。我们改变它的振荡频率,就能发出不同的声音。简单的电子琴就是根据这个原理制作出来的。它的电路如图1。

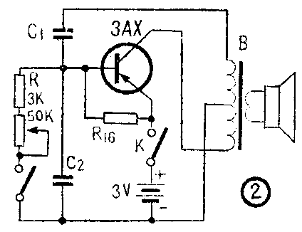
这是一个电感三点式音频振荡器。C\(_{1}\)叫回输电容器,电容量为1微法,它的作用是把每次电振荡的部分能量回送到晶体管的基极进行放大,放大后的电流从集电极输出,然后再经C1回送一部分电能到基极进行放大,这样循环往复,就能使电路产生连续的振荡。
顺序按下电阻R\(_{1}\)~R15上的按钮,就可发出1、2、3、4、5……的不同声音。电阻R\(_{1}\)~R15的阻值约在9K~39K范围内。阻值越大,声音的频率越低。装置时可用50K电位器串联一个3K电阻进行调整,如图2。调整电位器的数值,使分别发出1、2、3、4、5……等不同的音调,用三用表测量每个音调的3K电阻与电位器串连后的总电阻值,相应地换上一个和总阻值相同的电阻即可。如找不到相应的电阻,则可找一个比测出的电阻值稍小一点的电阻,将碳膜电阻上的漆用砂纸擦去一点,里面就会露出黑色的碳膜来,将电阻接在欧姆表上。再用砂纸在露出的碳膜上轻轻地磨擦,可以从欧姆表上看出阻值会慢慢地增高,直到使电阻值符合要求为止。然后在电阻擦去漆和碳膜的地方,重新涂上一层漆或万能胶,即可使用。

图中B是晶体管收音机用的推挽输出变压器,晶体管采用3AX类型低频管,K是单刀单掷电源开关。电池为3伏。C\(_{1}\)是用旧的油浸电容器,用其它的电容器也可以。电阻瓦数不限,R16可在37K~50K范围内选用。全部零件装在一块160毫米长、75毫米宽的胶木板上(图3)。

琴键可用木头照着钢琴的琴键来做。这里每个琴键的尺寸为12×19×80毫米,在每个琴键前端钻一小圆孔,用一根钢丝条穿起来,作为琴键前端的支撑点,后端是依靠琴键下面按钮开关铜片的弹性使琴键能自动回复原位。按钮开关(即K\(_{1}\)~K15)是用磷铜片剪成十五条长50毫米、宽8毫米的铜条,弯成图4的样子,钉在木板上,作为一个接触点;另一个接触点可用图钉按在弹簧钢片下面的木板上,再把每个簧片下面的图钉用导线焊接起来。最后再设计一个琴箱,把它们装在一起,固定牢。标题旁绘出的就是这个电子琴的外形。


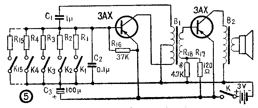
如果电子琴的声音还不够大,可以加一级放大,如图5。图中B\(_{1}\)用晶体管收音机用的推挽输入变压器(3∶1),B2用晶体管收音机用的输出变压器。R\(_{18}\)的数值需调整。(北京市少年宫无线电小组)