本机是便携式三波段超外差式收音机,外形尺寸为190×120×48毫米\(^{3}\),整机重量约0.7公斤。使用四节五号电池作电源。采用(65×100)毫米椭圆形扬声器。备有外接天线插孔CK\(_{1}\)、耳机或扬声器插孔CK2和外接电源插孔CK\(_{3}\)。配有磁性天线和拉杆天线,能有效地接收中、短波调幅广播。为了容易调节短波电台,还加有短波微调装置。整机各项电声性能均符合国家三级机标准,并有一定的余量。
一、主要电性能
1.频率范围:中波不狭于535~1605千赫;短波Ⅰ不狭于3.9~9兆赫;短波Ⅱ不狭于9~18兆赫。
2.中频频率:465±3千赫。
3.灵敏度:中波不劣于1毫伏/米;短波不劣于100微伏。
4.选择性:不劣于26分贝。
5.不失真功率:不小于100毫瓦。
6.整机谐波失真(电):300~3000赫不大于10%。
7.电源电压:额定值6伏。
二、电路简介
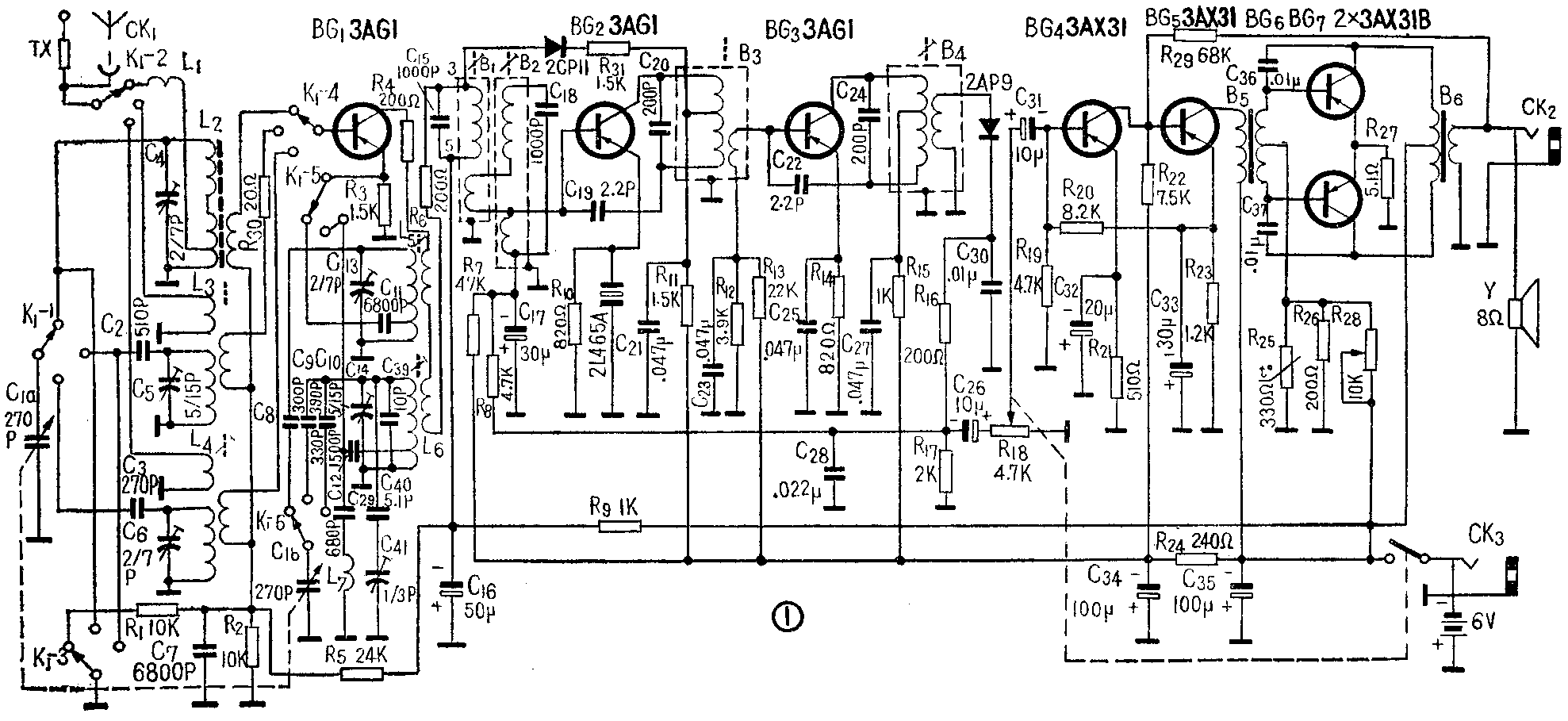
全机电路见图1。三个波段的输入调谐回路分别由L\(_{2}\)、L3、L\(_{4}\)与双连可变电容器C1a组成,本振回路分别由L\(_{5}\)、L6和C\(_{1b}\)组成,由波段开关K加以转换选择。为了提高灵敏度和稳定性,中波输入回路线圈L2共分四个绕组,排列于磁性天线棒的两端(见图2)。L\(_{1}\)为外接天线耦合线圈。由于L1的阻抗较高,因此配置长短不一的外接天线时不致使输入回路有较大失谐。短波段(3.9~18兆赫)分为两个波段,使其覆盖较小。本振回路加有短波微调电容C\(_{41}\),由于它的数值比回路主调谐电容C1b小得多,而且另加拨盘在机外单独调节,当C\(_{1b}\)调到某短波电台附近不易找准时,再调节C41就能使回路的频率缓慢地变化,从而达到微调(即细调)调准到这个电台的目的。与C\(_{41}\)串联的C40的作用是使C\(_{41}\)的变化范围更加展宽,微调效果更好。


短波Ⅰ、短波Ⅱ输入回路线圈L\(_{3}\)、L4均采用镍锌螺纹磁心电感耦合式线圈(见图3、图4),其特点是体积较小,配用拉杆天线后,其实际接收效果较好。

短波段工作时,变频管BG\(_{1}\)的发射极接有C29和L\(_{7}\)(145微亨)组成的串联谐振回路,谐振在465千赫附近,对变频后的465千赫中频信号呈现很小的阻抗,它与发射极电阻R3并联,使发射极电路总阻减小很多,从而减小变频级对中频的负反馈作用,使变频级在收短波时增益提高,达到所谓“短波提升”的作用。
短波Ⅱ的本振频率是采用短波Ⅰ的二次谐波,这样可省去一只线圈,又可减小人体感应。
R\(_{1}\)为变频级下偏流分压电阻,当中波段工作时,R1与R\(_{2}\)并联为5千欧,偏流电阻阻值减小;当短波段工作时R1不工作,偏流电阻加大,因此短波时变频管的集电极电流比中波时大,从而使短波段增益有所提高。R\(_{3}\)0的作用是抑制寄生振荡。R4、R\(_{6}\)为稳定振荡用的稳幅电阻。
变频后的中频信号经过电感耦合双调谐中频变压器B\(_{1}\)2送到第一中放管BG\(_{2}\)1\(_{2}\)的回路电容C15、C\(_{18}\)选用1000微微法,使变频工作更为稳定,同时改善了由于自动增益控制作用使第一中放管BG2输入电容变化所引起的回路失谐的不良影响。选用MTF型电感耦合双调谐中频变压器,不仅选择性好,通频带也较宽。在BG\(_{2}\)发射极还加接了2L465A型二端陶瓷滤波器,取代普通的旁路电容器。这种滤波器相当于一个串联谐振回路,它的Q值很高,当谐振在465千赫时,呈现极小的阻抗。把它接在发射极电路内,就使465千赫中频信号的负反馈作用大为减小,从而提高了中频级的增益,也提高了对中频的选择性。C19和C\(_{22}\)是中和电容器,用以防止中放级通过中放管集电极和基极间的极间电容引起的自激振荡,使工作稳定些。
经过第一中放管BG\(_{2}\)放大后的中频信号由B3耦合到第二中放管BG\(_{3}\)再放大一次。然后由B4耦合到二极管2AP9进行检波。检波后的音频信号经R\(_{16}\)、C26、R\(_{18}\)、C31加到BG\(_{4}\)作低频放大。
在电位器的前端专门加了一只隔直流电容器C\(_{26}\),使电位器上没有直流通过,以减小电位器的转动噪声。
R\(_{8}\)、C17起自动增益控制作用。为了防止强信号时可能产生的阻塞自激等现象,在B\(_{1}\)与B3之间还接了R\(_{31}\)和一只二极管2CP11的串联电路,使自动增益控制作用得到进一步改善,从而使中频级的工作更为稳定(其工作原理请参看本刊今年第1期21页)。
前级低放管BG\(_{4}\)和BG5采用直接耦合式低频放大电路。BG\(_{4}\)的偏压由BG5的发射极经R\(_{2}\)0获得,同时还有一定的交流分量反馈到BG4的基极,使失真有一定的改善。由于采用了直接耦合式放大电路,不仅使用元件少而且获得的增益较高,频率响应宽,失真也较小。
经前级放大后的音频信号再经B\(_{5}\)耦合到BG6、BG\(_{7}\)作末级推挽功率放大,为了使功放级的工作点不受气候等引起的温度变化影响,在功放级偏置电路中采用了热敏电阻R25。进行温度补偿。在BG\(_{6}\)、BG7的集电极与基极之间分别接有反馈电容C\(_{38}\)、C37,不但能改善失真,而且还能旁路一部分高音频谐波。在输出变压器次级又有一部分音频信号经R\(_{2}\)0回送到BG5的基极形成负反馈,也可以减小失真,使音质得到改善。
三、元器件数据
中波输入线圈L\(_{2}\)、短波Ⅰ段输入线圈L3和短波Ⅱ段输入线圈L\(_{4}\)均采用平顺绕法,其绕制数据分别如图2、图3、图4所示。
线圈L\(_{2}\)的3—5部分无磁心时的电感量约为21微亨(测试频率2.4兆赫),Q≥105。线圈L3的1—2部分无心电感量约为2.5微亨(测试频率7.6兆赫),Q≥80。线圈L\(_{4}\)的1—2部分无心电感量约为0.8微亨(测试频率2.4兆赫),Q≥120。
中波振荡线圈L\(_{5}\)采用蜂房绕法,其绕制数据见图5。次级线圈4—5叠绕在初级线圈1—3外面;初级线圈的无心电感量约为100微亨(测试频率2.4兆赫),Q≥20。

短波振荡线圈L\(_{6}\)采用平绕法,绕制数据见图6,其中1—3部分的无心电感量约4微亨(测试频率7.6兆赫),Q≥70。
中频变压器B\(_{1}\)2\(_{3}\)4分别采用MTF-2-1型、MTF-2-2型和TTF-2-2型、TTF-2-9型成品中频变压器。
输入变压器及输出变压器数据见图7和图8。

四、结构及工艺特点
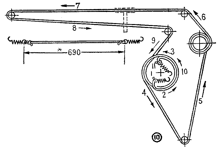
在机座左侧集中安装了传动机构等机械结构零件,右侧为元件及印刷板。印刷线路接线图见图9。由于结构件集中安装,在生产过程中能使结构部件化,不但适合大量生产而且便于维修。本机的双连可变电容器安装在左侧的支架上,与印刷板完全脱离,并与扬声器成垂直,同时二者又离得较远,能有效地改善高频机震。在传动机构上采用1∶3的机械展宽装置(见图10),不但线盘的尺寸大为缩小,而且使双连电容器的行程成倍加长,便于调谐电台。展宽装置分别有一个0.5模数的传动齿轮和两片同样模数的缓动齿轮组成一个无间隙传动装置,从而提高了传动机构的再定度。三个齿轮均采用特种塑料压制而成,能有足够的耐磨性能,又节省了大量的有色金属。调谐拨盘及短波微调拨盘安装在一起,使用较为方便。在双连电容器近后盖板处还加装了屏蔽片,以减少接收短波时的人体感应。在印刷板正面还印制了安装元件的位置及标称数值,不但便于装配,又便于维修。在机座的下端安装了能够拆卸的电池盒,更换电池比较方便。本机的外壳厚薄适宜,印刷板与机壳紧固牢靠,能经受国家标准所规定的高温、低温、冲击、振动等各项环境试验。


本机调谐机构传动拉线采用1毫米直径的纱心尼龙线,有较好的耐磨性能。调谐传动示意图如图10。(上海无线电二厂)