针刺麻醉(针麻)是祖国医学宝库中一颗闪闪发光的明珠。近年来,我国广大医务工作者和医疗器械工业战线的工人、技术人员,研制了多种类型的晶体管针麻仪。针麻仪利用电脉冲刺激代替人工手捻针单一的机械刺激,不仅节省了大量人力,减轻了医务人员的劳动强度,更重要的是创造了稳定的刺激条件,刺激强度调整范围和频率调整范围大,改善了针麻效果。今天,针麻仪已成为针麻手术中促成镇痛效果的重要刺激能源了。
针麻仪按其用途分为专用针麻仪和多用途综合治疗仪两种。前者只输出适合针麻的刺激脉冲;后者除针麻外还可用于间动电、电针灸、心脏起搏、电呼吸等多种治疗目的。
本文介绍专用针麻仪的原理和制作。由于人体对电刺激的生理特性由作用电量的时间平均值决定。为保证人身安全,不能用平均值较大的高幅正弦波或高幅宽脉冲矩形波作用于患者。这就要求针麻仪能输出高幅窄脉冲信号,间隙时间要长,以保证其平均值较小。同时,在大量临床实践和电生理实验中发现,人体在单向脉冲刺激下会发生体液电解,烧伤人体活组织,也会腐蚀断针;而采用双向波刺激能中和体液电解。综上所述,针麻仪必须输出高幅双向窄脉冲信号,才能满足针刺麻醉的要求。
主要技术性能
频率:2—60赫连续可调
脉冲幅度:空载正负脉冲双峰值0—160伏;1千欧负载时双峰值0—80伏。均连续可调
脉冲宽度:正脉冲500微秒,负脉冲250微秒
电源:6伏。功耗不大于600毫瓦
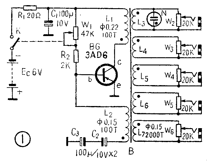
工作原理 为产生适应针麻要求的连续双向窄脉冲,针麻仪采用了自激间歇振荡器。图①中BG为PNP型低频大功率管3AD6,工作于开关状态。W\(_{1}\)、R2为偏置电阻,W\(_{1}\)兼电源开关及频率调节。R2为保护电阻。C\(_{2}\)、C3对接组成无极耦合电容。B为脉冲变压器,其中L\(_{3}\)—L7是五组输出线匝,均为独立绕组,无共同参考电极。每组供两枚针使用。频率指示为70伏起辉氖灯,接在第一组回路中。电路一工作,氖灯即随脉冲频率闪亮。W\(_{2}\)-6为输出幅度调节。电源部分由C1、R\(_{1}\)组成去耦电路。

自激间歇振荡器原理电路如图③所示。工作过程如下:
电源接通后,BG导通,集电极电流I\(_{c}\)。增加,在L2中产生感应电势;它的极性促使基极电位更负,I\(_{b}\)增加,导致Ic进一步增加,L\(_{2}\)中的感应电势又进一步升高;强烈的正反馈使BG迅速进入饱和区,在B的耦合作用下,L3中也将感应出快速上升的电压,形成输出脉冲陡直的前沿。
BG饱和后,E\(_{c}\)直接加在L1两端,由于L\(_{1}\)感抗影响,激磁电流只能逐渐上升,Ic也只能逐渐上升。此时L\(_{2}\)中感应电势通过BG发射结对Cb充电。随着C\(_{b}\)两端电压的升高,充电电流Ib不断减小。但由于BG深度饱和,I\(_{b}\)减小的初期尚不足以使BG脱离饱和区,因此L3中感应电压基本不变,形成输出脉冲的平顶阶段。
随着C\(_{b}\)充电电流的减少,BG终将脱离饱和状态。这时,正反馈过程又重新发生:Ib减小,I\(_{c}\)也减小,L2中感应出促使I\(_{b}\)进一步减小的电势,连锁反应最后使BG截止,Ic立即降低到零。这样L\(_{3}\)中便感应出迅速下降的电压,形成输出脉冲的后沿。由于上述过程进行得十分迅速,L1中的电流跟不上这种快速变化。BG截止后,L\(_{1}\)中还储有一部分能量,它将通过L3的线匝电阻或负载回路释放出来,形成一个很尖的负脉冲。
BG截止后,C\(_{b}\)上积累的电荷,通过L2、R\(_{b}\)缓慢放电。此时无输出,直至BG基极电位重新到零为止。这是振荡过程中的休止或间歇阶段。
前述过程周而复始,便可在L\(_{3}\)上输出如图②所示的双向窄脉冲波。由于脉冲宽度远小于休止阶段,间歇很长,所以称这种振荡电路为间歇振荡器。
电路参数与输出波形的关系 鉴别针麻仪的好坏,主要根据输出脉冲波形是否满足针麻手术的要求。设计和制造针麻仪的中心环节,是根据对输出脉冲前后沿陡度、宽度、幅度、频率等的要求,来确定电路参数。
1.前后沿陡度:间歇振荡器是利用变压器正反馈促使BG导通和截止而产生脉冲的,由于L\(_{1}\)、L2绕组分布电容的存在,延长了BG工作点在放大区的时间,使输出脉冲前沿上升时间和后沿下降时间增加。为提高前后沿陡度,必须减少B的绕组分布电容。降低绕组匝数可使分布电容减少,但同时会影响电感量,使脉冲宽度发生变化。所以通常多以选择导磁率大的铁心材料来改善前后沿陡度。
2.脉冲宽度:脉冲宽度主要决定于L\(_{1}\)中激磁电流增长速度和L2中感应电势向C\(_{b}\)的充电时间。若L1电感量足够大时,则主要取决于后者。L\(_{2}\)中感应电势向Cb充电的时间常数近似等于C\(_{brb}\),rb为BG基极发射极正向电阻。这个电阻比较固定,仅在1千欧左右,所以脉冲很窄。要改变脉冲宽度时,必须改变C\(_{b}\)的大小。但Cb又与脉冲频率有关,所以要注意兼顾。
3.脉冲频率:主要由休止时间决定。它的长短取决于C\(_{b}\)通过Rb回路改电的时间。由于C\(_{b}\)影响脉冲宽度,不宜大动,只能通过改变Rb的数值来调整输出频率。必须注意的是,R\(_{b}\)是BG基极电阻,太小时BG基极偏流过大会烧坏管子。
4.脉冲幅度:由电源电压和L\(_{1}\)、L3匝数比决定。
5.负脉冲幅度和宽度:负脉冲是BG导通时储存于变压器中的能量,当BG截止后释放而形成的,所以它的幅度主要由L\(_{1}\)电感量的大小和负载电阻决定。负脉冲宽度显然与放电回路的时间常数有关,当L3感抗与负载电阻较大时,能量释放慢,负脉冲持续时间长,反之则短。
“世界上的事情是复杂的,是由各方面的因素决定的。看问题要以各方面去看,不能只从单方面看。”由上面分析看出,改变电路中某一参数,往往引起输出波形几方面特性同时变化,因此,在决定电路元件参数时,必须互相兼顾,反复实践,以达到最理想的输出波形。
下面着重介绍一下脉冲变压器参数的选定。L\(_{1}\)与L2的匝数比,决定着反馈量的大小,因而影响到电路能否起振和饱和的深浅程度。比数小时饱和时间长,输出脉冲宽。L\(_{1}\)与L3的匝数比由输出脉冲幅度决定。一般空裁输出双峰值在150伏左右时,即可满足针麻要求。为减少分布电容,变压器铁心宜选用高导磁率材料,如铁氧体,坡莫合金等。铁心大小根据铁心材料、要求体积及输出绕组多少而定,如输出绕组太多,可用几个变压器串联或并联使用。针麻中五组输出共十个穴位已够用。绕组导线应选用高强度漆包线。如自己绕制变压器有困难,可用晶体管收音机中的小型输出变压器代替。
经验数据如下(电源电压6—9伏时):
铁心面积 10×10至15×15毫米\(^{2}\);线径L\(_{1}\)—0.15至0.22毫米,L2、L\(_{3}\)—0.11至0.17毫米;匝数L1—60至150,L\(_{2}\)—100至300,L3—1500至2500。
电路调试 电源接通后若不起振,系L\(_{2}\)同名端接反成负反馈所致。在BG集电极回路中串入一500毫安电流表监视电路是否正常工作。如正常工作时,表针将随输出频率摆动,氖灯也闪亮,变压器还会发出轻微响声。电源接通瞬间,如电流表指示超过以下数值:单组输出>80毫安,5组输出>200毫安,10组输出>300毫安,别应马上断开电源,检查电路。输出端应接上10千欧以下电阻作负载,防止BG反向击穿。至于脉冲频率、宽度和幅度,要用脉冲示波器监示和测定(输出端接入示波器Y轴高阻抗输入插孔),切不可用普通万用表测量。因输出脉冲频率低,宽度窄,平均值小,再加上万用表输入阻抗低,针麻仪输出阻抗高,测出数值没有任何价值。
电路工作时,因BG进入饱和状态瞬间电流很大,温度上升,手摸微热,这是正常现象。如管子温度很高时应检查电路是否发生故障。
目前,针麻仪还存在一些不足之处。由于输出阻抗高,人体组织电阻低而不稳定,当针接入人体后会大幅度降压(空载百余伏,接入人体后仅4—15伏)。另外如何选定最佳频率及波形等,还有待进一步试验决定。(北京朝阳医院 从荫杉)


