一部收音机,通过天线和调谐回路接收到某一电台的高频信号以后,还必须从这个高频信号里把代表语言或音乐的音频信号“取出”来,才能通过耳机或扬声器还原成声音。这个从高频信号中“取出”原来的音频信号的过程就叫作“检波”。

在收音机里,检波是利用晶体二极管等元件的单向导电性来实现的。图1就是一种最简单的收音机电路,图中晶体二极管D就是担任检波工作的。从天线上收到的无线电波经过绕在磁棒上的线圈L\(_{1}\)和可变电容器C组成的调谐回路选择出我们所需要的电台信号后,通过电磁感应作用,在次级线圈L2两端也感应产生高频信号电压。它的波形如图中所示。从图中可以看出,高频信号振幅的大小是随着音频信号的缓慢变化而变化的(如图中虚线所示),我们用它来代表电台发出的高频信号波形。因为中、短波广播电台发出的电波都是调幅波,也就是说它的幅度是随着所传送的音频信号而变化的。当高频信号为正半周时,即L\(_{2}\)的a端为正、b端为负时,二极管D的正极加有正电压,负极通过电容器C1和耳机加上负电压,二极管导通,电路中有电流通过。而在信号为负半周,即L2的a端为负、b端为正时,二极管的正极接负电压,负极接正电压,二极管不导通,电路中就没有电流通过。结果,通过二极管的单向导电作用,就把高频调幅信号的负半周截去了,变成了单向脉动电流,如图中所示。这种单向脉动电流中除了有高频电流之外,还有音频信号电流和直流成分。其中高频电流通过电容器C\(_{1}\)滤去,音频信号和直流成分通过耳机,但直流成分对耳机不起作用,只有音频信号能推动耳机膜片振动发出声音,于是音频信号被“取出”,我们就能从耳机里听到电台的广播节目了。


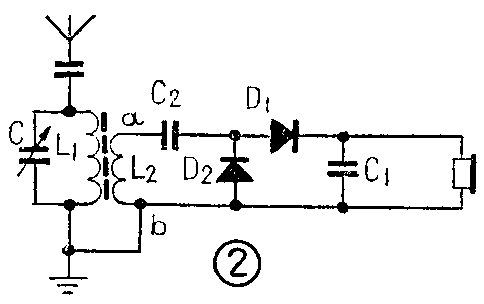
L\(_{2}\)中感应到的高频信号电压是很微弱的。如果我们想把收听的音量再提高一些,就可以采用图2的倍压检波电路。这种电路较图1多用了一只二极管和电容器。它是怎样起到倍压检波作用的呢?让我们用图3来分析一下。图中用e来代表L2两端产生的高频信号电压。当高频信号电压b端为正、a端为负时,二极管D\(_{2}\)导通,电流通过D2向C\(_{2}\)充电,电流方向如图中实线箭头所示,C2充上的电压为右正左负,电压的大小近似于e。而当高频信号电压变成a端为正、b端为负时,电流通过D\(_{1}\)和C1进行检波,电流方向如图中虚线所示。但此时由于C\(_{2}\)在上半周充上的电压方向正、负与高频信号电压e的正、负方向一致,好象两只电池串联起来一样,结果就使加到二极管D1上的信号电压增加了一倍,经过D\(_{1}\)检波后,在C1和耳机上得到的音频信号电压也就相应地增加了。这样,就起到了倍压检波的作用。从这里我们也可以看出,在倍压检波电路里完成检波作用的是D\(_{1}\)和C1,D\(_{2}\)和C2则起到了倍压的作用。
由于倍压检波的效率比较高,因此,一般来复再生式晶体管收音机多采用这种检波电路。(抗)