我在北京市少年宫无线电小组做了一个来复再生式晶体管单管机,灵敏度和选择性都比较好。收到了中央、北京等六个电台,声音响亮。
单管机全部元件安装在一块75×50毫米的胶木板上。机壳是用有机玻璃粘合的。整个单管机体积为21×54×79毫米,如图1所示。下面谈谈所用电路、元件和制作过程。

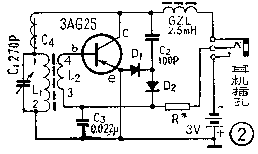
一、电路原理

来复再生式单管机的电路如图2。它的工作原理是这样的:C\(_{1}\)和L1组成的调谐回路对外来信号进行选择后,经磁棒天线由L\(_{1}\)线圈感应到L2线圈,加到了晶体三极管基极和发射极之间进行高频放大。C\(_{3}\)是隔直流电容器,它对高频信号构成通路,使高频信号能顺利地加到发射极上。放大后的信号一部分由微调电容C4回送到输入回路,称为“再生”,以提高收音机的选择性和灵敏度。另一部分经过电容C2送到二极管D\(_{1}\)、D2进行倍压检波。检波后的音频信号又回到三极管基极再进行一次放大,这一过程称为“来复”。放大后的音频信号由三极管集电极经高扼圈GZL输出到耳机。高扼圈有阻止高频电流通过的作用,所以高频电流不会流过耳机影响收听的效果。C\(_{2}\)及C4对放大后的低频信号而言,可以看成开路,也就是说C\(_{2}\)及C4对低频信号有阻断作用。
二、元件选择
磁性天线采用4×13×55毫米的扁磁棒。L\(_{1}\)用φ0.33毫米漆包线绕70圈,L2用同号漆包线绕7圈。L\(_{1}\)与L2之间距离为2毫米(图3)。

晶体管采用3AG25,β值选择在60以上的,它有四个电极,d极是接地的。其它型号高频管也可以用。
再生电容C4可以自制。用一小截单股有塑料皮的电线,把它的一端焊在可变电容器的定片上,另一端空着。另外用一根30号漆包线,一端焊在三极管集电极上,另一端在塑料电线上密绕4圈左右(图4),具体圈数等调再生时再进行调整。

电池卡子:一端是用一块10×20毫米的铜片,用胶粘在可变电容器一侧;另一边用二块8×20毫米的铜片弯成图5的样子用铆钉铆在胶木底板上。

耳机插口是将市售插口改制一下兼作电源开关。市售耳机插口当中的两个簧片原来是接通的,当插头插进后接点断开,只要把当中较长的簧片弯出来,使两簧片平时断开,耳机插头插入后接通就可以了。
二极管D\(_{1}\)和D2用2AP型的都行,耳机用800欧的,其它元件是按图2中所标的数值。
三、安装与调整

元件的安装排列和接线如图6(a)和(b)所示。图6中较粗的线,是底板背面的接线。
安装完毕,检查无误即可调整。调整步骤如下:
1.调整偏流:用一个50K的电位器,串一个30K的电阻,焊在电阻R的位置上(代替R,见图7),在三极管集电极回路里串入电流表,旋动电位器旋钮,使集电极电流达到1毫安即可。然后拆下电位器和电阻,量一下电位器和串联电阻的总阻值,按这个阻值换上一个固定电阻,即R。

2.调整再生:装响了之后,再生电容C\(_{4}\)可能不合适。再生大了会产生啸叫,小了会影响灵敏度和选择性。调整时,把电容器C1旋出,收听高频端的电台,如耳机里有啸叫,就把绕在塑料线上的漆包线拆下几圈,如再生不够,就多加几圈,调到刚好要发出啸叫而没叫的时候为止。
3.调整L\(_{2}\)线圈:调好再生之后,有时不有夹台现象。这是L2圈数多了,只要把L\(_{2}\)拆下几圈,就可以提高收音机的选择性。
最后把它装入盒内。(北京市二十七中学生陈世晔)