牡丹牌644型半导体收音机,是北京无线电厂生产的二波段六晶体管袖珍式收音机。携带比较方便。本机的电声性能的设计较好,并采用了一些特殊电路,充分发挥了六只管子的潜力,因而所有指标均达到或超过了规定的标准。机内装有磁性天线和拉杆天线,以提高收音效能。扬声器采用φ65毫米的内磁扬声器。电源用五号电池四节。此外本机还设有电源、耳机和外接天线用的插孔,以满足用户的不同需要。
一、主要性能指标
1.频率范围:中波535~1605千赫;短波3.9~12兆赫。
2.中频频率:465±3千赫。
3.灵敏度:当信号杂音比不小于20分贝时:
中波不劣于1.5毫伏/米,一般水平在0.6毫伏/米左右;短波不劣于1.5毫伏/米,一般水平在0.4毫伏/米左右。
当信号杂音比不小于6分贝时:
中波不劣于0.3毫伏/米,一般水平在0.15毫伏/米左右;短波不劣于0.3毫伏/米,一般水平在0.15毫伏/米左右。
4.逃择性:1000千赫偏调±10千赫时不小于20分贝,一般水平在24分贝左右。
5.不失真功率:不小于100毫瓦,一般水平在200毫瓦左右。
6.电源消耗:电源电压为6V,无信号时不大于11毫安;额定输出时不大于50毫安。
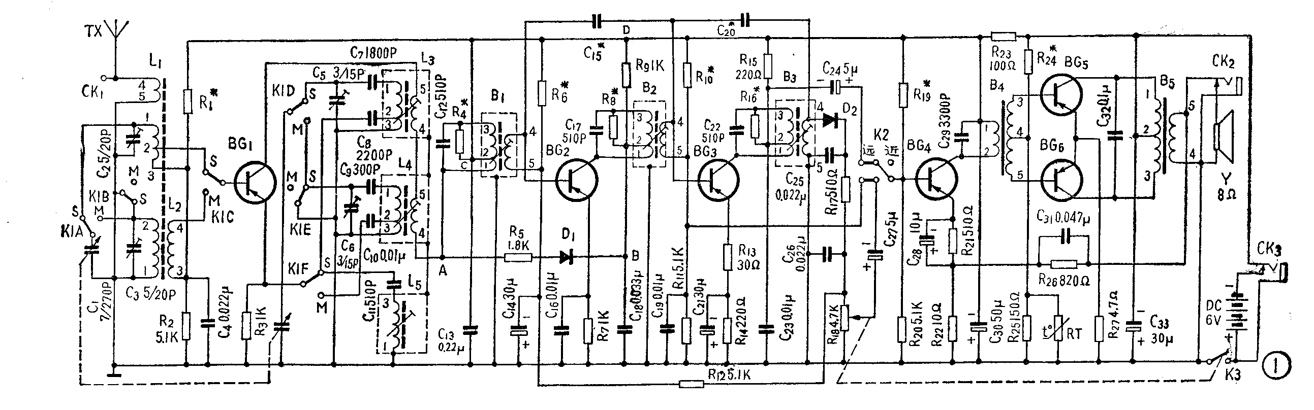
二、电路原理简介
本机采用超外差式电路(见图①)。全机的总功率增益约125分贝左右。由于磁棒较短,磁性天线效率较低,为适应边远地区的使用要求,特别是适应电源电压降低时的需要,又增加一级10分贝的来复低放,用远、近程开关来控制,在远程时全机总功率增益可达135分贝左右。各级晶体管的工作电流分别为:变频级(BG1)0.5~0.7毫安;第一中放级(BG2)0.3~0.5毫安;第二中放兼来复低放级(BG3)1.3~1.5毫安;低频推动级(BG4)1.1~1.3毫安;推挽输出级(BG5,6 )共2~3毫安。

本机中波和短波的输入电路均采用磁性天线,短波还可使用拉杆天线,起辅助接收作用。为了兼顾中、短波的灵敏度,同时又考虑到缩小体积,磁性天线是由φ10×70的锰锌磁棒(收中波)和φ10×70的镍锌磁棒(收短波)对接而成的。这样的设计与只用一根镍锌磁棒兼收中、短波的设计(如牡丹8402)相比,中波灵敏度约可提高4分贝;与只用一根锰锌磁棒收中波,短波用拉杆天线接收的设计相比,短波收听效果也要好得多。
变频管BG\(_{1}\)兼作本机振荡和混频之用,对本机振荡来说,该管接成共基极电路。主振电路通过C10或C\(_{8}\)耦合到发射极,由集电极回授产生振荡。C9和C\(_{7}\)各为中、短波的垫整电容。需要说明的是:本机短波采用“二次倍频变频”。即当外来信号频率为4~12兆赫时,本机振荡频率实际为2.2325~6.2325兆赫,当两者输入变频级时,由于变频管的非线性作用,本振的二次倍频4.465~12.465兆赫和外来信号频率差频,产生465千赫中频信号,送到中放级。这种设计的优点是由于本振和输人回路的谐振频率相差较大,因而二者的牵制作用较小,既方便了调整,又大大减轻了人体感应现象。本机振荡电压在R3上测量,中波约150~200毫伏;短波约200~300毫伏。
L\(_{5}\)和Cll是“短波增益提升器”,目的是为了提高短波的变频增益。其工作原理是:如果不接提升器,那么由BG\(_{1}\)发射极流过的中频电流必然要经过C8(2200微微法)和L\(_{3}\)的2—3头入地,在这里 C8充当了R\(_{3}\)的旁路电容。虽然L3的2—3头感抗很小,可忽略不计,但C\(_{8}\)的容量由于振荡级的需要不能选得很大,否则将产生振荡过强、谐波过多等弊病,只能选在2200微微法左右。这对中频来说,2200微微法的C8具有160欧的阻抗,因此它的旁路作用很不完善,引起了负反馈,降低了变频增益。而L\(_{5}\)和Cll本身是一个谐振在465千赫的串联谐振回路。在收短波时它接到变频管发射极,这使变频后的465千赫由L\(_{5}\)和Cll旁路阻抗6~8欧入地,大大减少变频级的负反馈作用,提高了变频增益。实践证明,这种短波增益提升器可以提高变频增益8~12分贝。对于中波来说,由于C\(_{1}\)0(0.01微法)对中频的旁路作用已经足够完善,因此不必再加增益提升器。本机的变频增益中波约为30分贝;短波约为28分贝。
为了缩小体积、简化电路,本机中放级采用三个单调谐中周。这对于保证整机有20分贝的选择性和5~6千赫的通频带来说已经足够了。R\(_{4}\)\(^{*}\)、R8*和R\(_{16}\)\(^{*}\)并联在中周上,主要是为了降低中周的Q值,以免在大批生产中某些中周因Q值过高使整机的通频带过窄。其数值为56~68千欧。C15*和C\(_{2}\)0\(^{*}\)是中和电容,其数值为15~24微微法。第一中放级的增益给为26分贝,第二中放级的增益约为34分贝。
第二中放级输出的中频信号送到检波二极管D\(_{2}\)进行检波,检波后的音频信号由C27耦合到远近程开关。当开关位于近程时,则音频信号是直接送至推动级BG\(_{4}\)的基极,进行低频放大。当开关位于远程时,则音频信号经开关选送至BG3 基极,进行来复低频放大,放大后再由C\(_{24}\)耦合到BG4基极进行低频放大。由此可见远近程开关仅仅控制了来复级的接入与否,远程时有来复低放,近程时没有来复低放。为什么本机要加远近程开关,而不干脆接成远程,取消远近程开关呢?这是根据事物发展过程中的矛盾的发展变化来考虑采用的。毛主席教导我们:“任何过程如果有多数矛盾存在的话,其中必定有一种是主要的,起着领导的、决定的作用,其他则处于次要和服从的地位。”“捉住了这个主要矛盾,一切问题就迎刃而解了。”原来第二中放兼作来复低放后,虽然整机增益提高,但由于低放和中放电流的叠加必然使第二中放管集电极电流的动态范围加大。因此收听近台当外来信号特别强时,主要矛盾是非线性失真的大小,而灵敏度高低是次要矛盾。失真严重时甚至可以发生阻塞现象,严重影响收听。这时把远近程开关放在“近”程,取消来复低放,就解决了这个矛盾。而收听远地电台时,信号较弱,主要矛盾是灵敏度高低。开关放到“远”程位置,加上来复低放,灵敏度既提高了,也不必担心会有很大的失真。由此可知,远近程开关主要是为了解决在远、近程不同条件下不同的主要矛盾而设立的。
R\(_{15}\)是来复低放的集电极负载电阻。R13是负反馈电阻,目的是为了提高第二中放的稳定性。来复低放级的增益约8~12分贝。
本机的自动增益控制电路,除控制第一中放管电流以外,采用“二次自动增益控制电路”。其作用是依靠二极管D\(_{1}\)和第一中周B1并联从而降低该中周的Q值来完成的。二极管D\(_{1}\)和R5的串联电路,对交流来说是并联在B\(_{1}\)的1~2两头上的,因为B点和C点一样都是交流地电位;对直流来说,它们是并联在R9两端的,因为D点和A点对地都是电源电压(-5.5伏)。当收音机接收小信号时,由于BG\(_{2}\)集电极电流还相当大,R9上有一个下正上负的直流电压降(0.3~0.5伏)。这个电压对D\(_{1}\)来说是反向的,因此二极管D1呈现很大的电阻,那么D\(_{1}\)和R5\(_{1}\)的Q值几乎没有什么影响,此时混频增益(即BG1的基极至BG\(_{2}\)的基极之间的增益)为正常值。当收音机接收大信号时,由于第一中放管的电流被检波后通过R12的直流电压控制得很低,接近截流,因此R\(_{9}\)上的电压降也接近于零。这对D1趋向于导电,呈现的电阻降低,B\(_{1}\)的工作Q值也随着降低,因此混频增益也随着降低,起到了自动增益控制的作用。由于用了这种二次自动增益控制电路,保证了当外来信号从5毫伏/米变化到100毫伏/米时,整机无阻塞现象,相应输出的变化不超过6分贝。
本机低放部分仅用一级推动,一级推挽输出,没有前置级,而设计上要求低放部分功率增益达到55分贝,所以对低放管的β值一般要求在60以上。输出、输入变压器采用坡莫合金铁心,不仅体积较小,而且效率较高,在同样的输出功率下可以比普通硅钢片节省一些电源消耗。这对延长电池的寿命是有利的。为了减少低放部分的非线性失真,改善整机频率特性,在扬声器和推动级发射极之间接入一个由C\(_{31}\)和R26组成的负反馈网络。R\(_{22}\)是分压电阻,C3l是为了削减高音频。本机低放部分的非线性失真度控制在4%以内。本机所用线圈及变压器数据见表及图2、3、4。




三、结构特点
本机机壳体积为162×92×42毫米3,不带电池的重量不足0.5公斤。机壳采用改性聚苯乙烯压制,强度较高。机壳前脸配有经抛光氧化的铝质拉网,色泽光亮,经久耐用。度盘采用烫金工艺,清晰而有立体感。
为了降低成本,便于生产和维修,本机在结构方面力求简单,作了较多的考虑。机内金工件很少。波段开关和双连都直接焊到印刷线路板上,既简化了结构,又减少了引线,对于保证整机的可靠性也是有利的。磁性天线支架,采用带内齿的管形结构,用高压聚乙烯压制,富有弹性,可将中短波磁棒对接在一起,不需用粘合剂,这在工艺上是很方便的。电池架采取子母扣结构,更换电池方便,接触也可靠。
本机在修理时,只要先将拉杆天线卸下,再将固定印刷线路板的四个螺钉拧下,机心即可脱出,所有插孔都不必卸下,所以维修也比较方便。(严毅)