广大工农兵群众,不仅想听到毛主席和党中央的声音,而且渴望看见伟大领袖毛主席的光辉形象。无线电爱好者制做了各种形式的电视机。这是一种对加强社会主义宣传、教育,发展电视事业有益的活动。现介绍一种晶体管、电子管混合简易电视机。供参考。
混合使用有什么好处呢?这要进行具体分析。在业余条件下,虽然用电子管时调试比较容易,但体积大,耗电多。如果只用晶体管,虽然体积小、耗电少,但因所采用的晶体管,其参数比较杂,业余条件下调整比较困难,因此根据不同条件和要求,可以将二者结合使用。例如扫描部分电压较高,用电子管较好。在高放、视放和伴音部分,为了避免电子管体积大、耗电多的缺点,故可用晶体管。这样,可以相互取长补短。
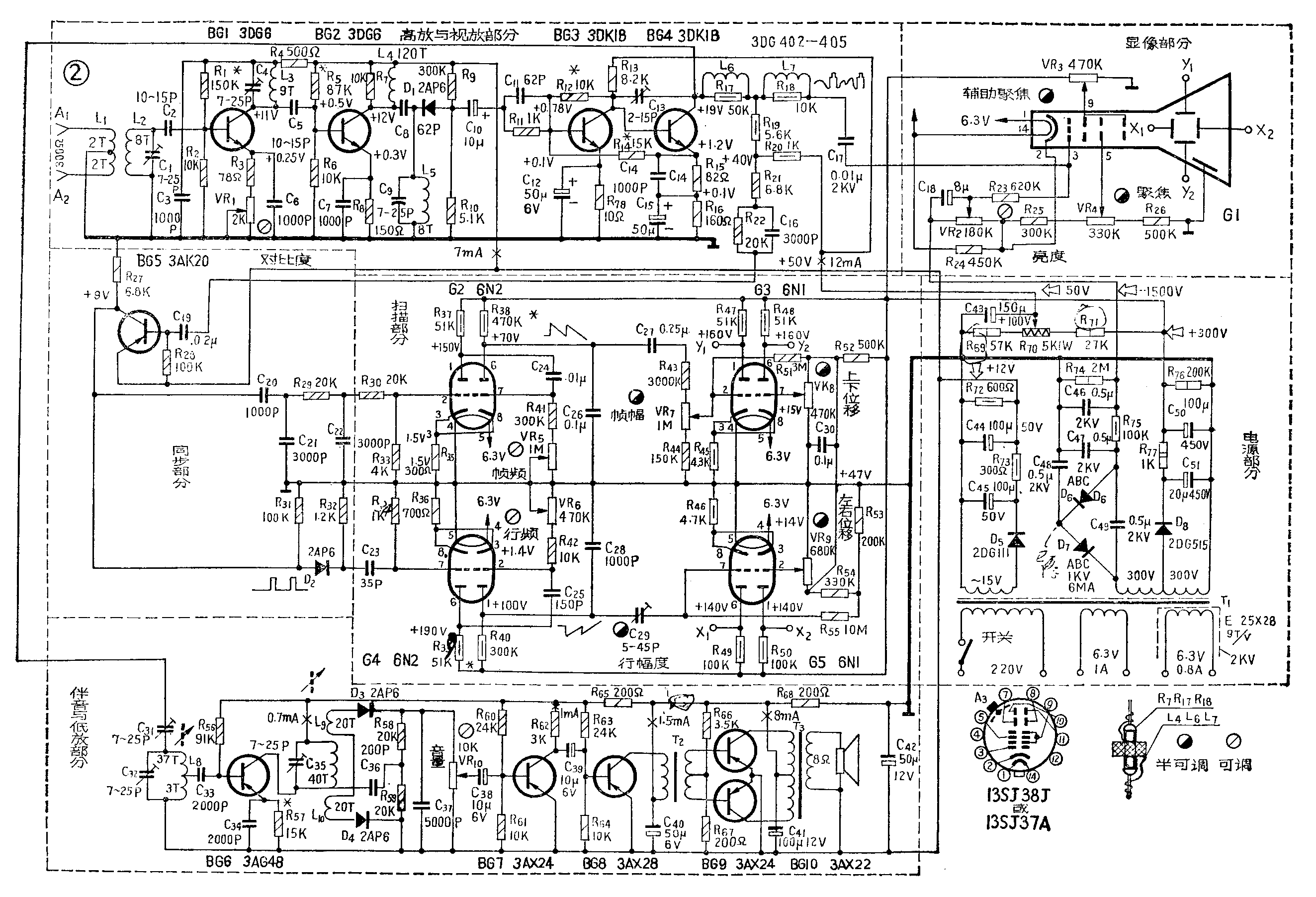
这种电视机的显像管,是用示波管来代替的,因而,偏转线圈、行频高压等都可省去。其电路结构是采用高放单通道式。电视机只用了四只电子管,十只晶体三极管,六只二极管,两个硒堆。此电视机的接收范围为10公里,如离发射台较远,则须再加一级高放。
电视机的简单工作情况,如图一。电视信号由天线接收后,经两级高频放大、视频检波,再要两级视频放大,然后分成三路:一路经伴音中放限幅器,到鉴频器,变成音频信号,再经音频和功率放大,由扬声器发出声音;一路到示波管的控制极,控制电子束,使电信号在荧光屏上转换成亮度变化;一路进入同步分离器,分离出同步信号,去控制电子束,使它和电视台的摄像系统保持同步,并作有规则的扫描,组成了荧光屏上的图象。

电路介绍
本机电路见图二,电视信号(包括图象信号和伴音信号),由天线接收后,进入高放级进行高频放大。这级是参差调谐放大器,由BG\(_{1}\)、BG2和调谐回路L\(_{2}\)C1、L\(_{3}\)C4、L\(_{5}\)C9组成。BG\(_{1}\)、BG2是共发射极电路。所谓参差调谐,即将各回路调谐于不同频率以合成所需通带。本机是接收第二频道,它的带宽是56.5~64.5兆赫,高放级经参差调谐后可达6兆赫带宽,满足了全电视信号通过要求。

视频检波器由D\(_{1}\)(2AP6)、R10、C\(_{1}\)0、Cll组成。R\(_{9}\)、R10供给检波直流分量,以改善检波效率,起增强对比度的作用。C\(_{1}\)0是检波后的信号到视频放大级的耦合电容。检波所得视频信号,经BG3、BG\(_{4}\)组成的“晶体管反馈对”加以放大。由于“晶体管反馈对”具有较深直流负反馈,所以工作比较稳定。
视频信号频带很宽,约25赫~6.5兆赫,所以要求视频放大器也有相应带芝和足够的输出电压(30~35伏),否则将影响图像的清晰度。图中L\(_{6}\)、L7是作高频补偿用的,R\(_{12}\)、R14是选择放大器工作点用的。视放输出的信号,经隔直流电容C\(_{17}\)送给示波管控制极,控制电子束的强弱,在荧光屏上,表现为光点的亮暗,视放输出信号的变化越大,光点亮暗(黑白)的对比也越强,也就是所谓对比度强。因为供示波管控制极的信号电压需30伏以上,所以视放级的放大倍数最好在1000倍左右。在BG3、BG\(_{4}\)的集电极间有一个半可调中和电容C13,以防止放大器自激。
同步分离器由BG\(_{5}\)(3AK20)、R21、R\(_{22}\)、C16、C\(_{19}\)和R27、R\(_{28}\)组成。从同步分离器出来的正脉冲通过D2(2AP6)、C\(_{23}\)到行频振荡器G4(6N2)的栅极,作行频同步。
行频振荡器是个锯齿波发生器,它由G\(_{4}\)、C25、R\(_{42}\)和VR6组成。C\(_{25}\)是反馈电容,VR6是行频微凋电位器。C\(_{29}\)是耦合电容,它将信号从G4送到G\(_{5}\)(6N1),并兼作行频幅度调整。
G\(_{5}\)的行输出信号送到示波管偏转板X1、X\(_{2}\)上,控制电子束的水平扫描。VR9是左右位移电位器。
G\(_{2}\)、G3分别为帧扫描和帧输出级。由同步分离器出来的帧同步脉冲,通过C\(_{2}\)0、C21和R\(_{29}\)、R30、C\(_{22}\)组成的移相网络,加到帧扫描振荡器G2的栅极,控制帧扫描使其与电视台摄像机帧扫描同步。
帧振荡器也是一个锯齿波发生器,由G\(_{2}\)(6N2)、C24和R\(_{41}\)5组成。VR\(_{5}\)是帧频微调,VR7是帧幅度调节,VR\(_{8}\)是上下移位调节。从G3板极输出的帧信号分别加到示波管Y\(_{1}\)、Y2偏转板上。控制电子束的垂直扫描。
由视频放大器BG\(_{4}\)集电极出来的伴音信号,通过C31、C\(_{32}\)、L8和BG\(_{6}\)输入电容组成的6.5兆赫串联谐振回路即6.5兆赫陷波电路,防止伴音信号串扰图像,L8上的6.5兆赫则加到限幅中放BG\(_{6}\)上。C35、L\(_{9}\)是调谐于6.5兆赫的谐振回路。
从限幅中放出来的信号,进入L\(_{1}\)0、D4、D\(_{5}\)、R58、R\(_{59}\)和C36、C\(_{37}\)组成的相移鉴频器,将调频信号变换成音频信号,再经低放BG7、BG\(_{8}\) 和功率放大器BG9、BG\(_{1}\)0放大,至扬声器。
电视机直流电源分四种电压。12伏是由D\(_{5}\)半波整流后供给各晶体管。300伏是由D8半波整流后供给行和帧扫描电子管板极,从300伏分压所得50伏供视频放大器用。交流600伏经硒堆倍压整流所得1500伏,供示波管。
图中VR\(_{2}\)是调亮度的电位器,VR3、VR\(_{4}\)分别是辅助聚焦和聚焦调节电位器。
元件的安装和制作
全机主要元、器件安装在旧的收音机底盘上或一块金属板上。它们的位置排列见图三。在底盘的前面安装了一块胶木板,在固定行频、帧频、音量和对比度四只电位器的同时把胶木板固定在底盘上。因为在亮度和聚焦调节的电位器上有1500伏的高压,须较好的绝缘,它应装在胶木板上。在底盘上面装有帧频G\(_{2}\)、G3和行频G\(_{4}\)、G5四只电子管。底盘下装有作行同步用的晶体管BG\(_{5}\),底盘两侧装有上下、左右位移调节电位器。

本机电源变压器装在底盘上示波管的后面,但不要靠近示波管。变压器的磁路与示波管轴线平行,以减少磁场干扰,否则会影响聚焦和偏转角。电源部分的其他元件装在变压器周围。变压器可用六灯收音机的电源变压器,但供示波管灯丝用的电源绕组,要有较好的绝缘和单独的屏蔽。变压器如无供晶体管用的12伏电压,可将6.3伏用倍压整流方法得到,其线路如图四。

高频元件安装和接线力求短直,防止后级对前级影响引起自激。此外应采取一点法接地。用印刷电路当然更好。机内高压整流部分应注意绝缘。
线圈绕制数据见表,高频线圈用镀银铜线或漆包线间绕。线圈L\(_{4}\)、L6、L\(_{7}\)是绕在1/2瓦炭膜电阻上。

高频部分小容量电容最好采用瓷质或云母的,隔宜流电容C\(_{17}\)的绝缘要好,耐压在1500伏以上,以防击穿或漏电损坏管子。必要时可采取两只高耐压电容串联使用。
电阻除电源部分外均可采取1/4瓦—1/8瓦炭膜电阻。
本机高放部分用的晶体管是3DG6。也可用3CG1,3DG12,3DK2等,主要选择晶体管的截止频率要高,最好大于400兆赫。
视频放大器用的晶体管是3DK1,也可用3DK12,3DG401,3DG405,3DG12等,主要考虑管子的截止频率要大于150兆赫,同进击穿电压V\(_{ce}\)要大于80伏。
同步分离用的晶体管是锗开关管3AK20,也可用3AG48或3AG14。
伴音中放限幅器,本机用的是截止频率大于150兆赫的3AG48。其他晶体管无特殊要求,使用时要根据情况分别对待。
本机显像管是采用中余辉的13SJ38型示波管,13SJ37短余辉示波管也可用。(刘瑞堂)