相敏检波器是一种变换元件,它用来将被直流或慢变信号调制的输入信号变换成直流信号或慢变信号的。这种检波器与一般二极管检波器的主要差别是,它的输出直流或慢变信号的大小与极性随输入信号的幅度与相位而变化。相敏检波器多用在工农业用电子仪器和自动测量或自动控制仪表中。
我们讨论相敏检波器以前,先研究一下电桥的输入电压和输出电压的关系。

在图1的电路中,我们设R\(_{2}\)=R3=R\(_{4}\)。在对角钱AB之间施加一直流电压。如果R1<R\(_{2}\),则C点电位高于D点电位,输出电压(CD间)为正电压。如果R1>R\(_{2}\),则C点电位低于D点电位,输出电压(CD间)为负电压。也就是说,输出电压的极性决定于电桥不平衡的状态。按照图中所标正负号的情况来说,当R1<R\(_{2}\)时,输出电压与输入电压的极性相同;当R1>R\(_{2}\)时,输出电压与输入电压的极性相反。

我们现在考虑输入电压为正弦交变电压情形。输入电压的随时间变化曲线如图2a所示。当R\(_{1}\)<R2时,输出电压波形如图2b所示。当R\(_{1}\)>R2时,输出电压波形如图2c所示。图2b和图2c都是等幅波,但图2b的波形与图2a的同相,而图2c的波形与图2a的反相。

我们现在再看一看输入电压为交流电压,桥臂R\(_{1}\)是以阻值R2为中心正弦变化(如图3a)的情形。此时,电桥输出电压如图3b。当R\(_{1}\)大于R2时,输出电压的相位与输入电压的相反;R\(_{1}\)小于R2时,相位相同。
从以上的讨论中知道,电桥的不平衡状态的变化,不但影响输出电压的幅度,而且影响其相位。电桥的输出信号经电子放大,还原时,不但需要考虑其幅度变化,还要考虑其相位变化。用一般的检波器是不能做到这一点的。例如图2b及图2c的信号经检波后,所得曲线都是一条直线,看不出电阻R\(_{1}\)是大于R2还是小于R\(_{2}\)。又如图3b的信号经检波后,所得波形是全波整流曲线,与图3a全然不同、不能察知R1的变化情形。为了忠实地再现R\(_{1}\)的变化情形,需要使用另外一种检波器——相敏检波器即对相位变化有反映的检波器。


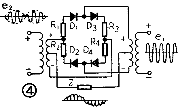
相位检波器的种类很多,我们仅就JYD-4型应变仪的相位检波电路说明其工作原理。图4是它的电路,其主要部分是由4个二极管组成的环形检波器。参考信号e\(_{1}\)的频率与待检波信号e2的载频相同。e\(_{1}\)的振幅要比e2大得多。今假设图3b的信号进入相位检波器,在0到t\(_{1}\)期间,载波信号的相位与参考信号相差180°当参考信号e1处于正半周时,二极管D\(_{3}\)、D4是导通状态,D\(_{1}\)、D2呈截止状态,其等效电路相当于图5。被检波信号e\(_{2}\)的通路如图中实箭头所示。当参考信号e1处于负半周(被检波信号e\(_{2}\)处于正半周)时,D3、D\(_{4}\)截止,D1、D\(_{2}\)导通,检波器的等效电路如图6,被解调信号e2的通路如图中实箭头所示。从图5和图6可以看出,不论e\(_{2}\)处于正半周或负半周,只要与参考信号e1的相位相反,负载Z上的电流方向都是由左向右的。
当被检波信号e\(_{2}\)的相位与参考信号e1的相位相同时(在t\(_{1}\)到t2的期间内),情形就不是这样了。今参考信号e\(_{1}\)处于正半周,二极管D3、D\(_{4}\)呈导通状态,D1、D\(_{2}\)呈截止状态,被检波信号e2也处于正半周,被检波信号电流的流向如图5中的虚箭头所示。当参考信号e\(_{1}\)处于负半周(被检波信号e2也处于负半周)时,D\(_{1}\)、D2导通,D\(_{3}\)、D4截止,被检波信号电流的流向如图6中虚箭头所示。从图5和图6可以看出,不论e\(_{2}\)的载波处于正半周或负半周,只要与参考信号e1的相位相同,负载上的电流方向都是由右向左的。综合以上所述,图3b的信号经相敏检波器检波后,就得出图3c所示的信号,此信号再经低通滤波器即得图3d所示的信号,从而得到原来的信号。
从以上的分析可以看出,相敏检波器不但能检出原始信号的幅度,还能检出信号的相位或极性。这是相敏检波器和一般检波器的一个重要区别。(子幸)