这里介绍的是一种使用方便,能够迅速探测电缆的各种故障的仪器。

仪器主要由发射机和接收机组成。发射机线路如图1所示,实际上是一个半导体管音频振荡器。图中B为振荡反馈线圈,我们用的是半导体收音机的输入变压器。次级的中心抽头接到半导体管集电极,两端为输出端,探测断线故障时,a、b端接电缆;探测短路或接地故障时,经电容器C\(_{3}\)由a、c端输出。为保持正常的振荡条件,C1和C\(_{2}\)还应使用损耗小的乙烯电容器。

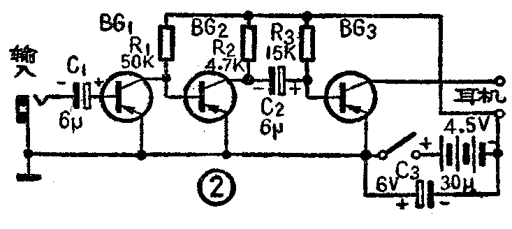
接收机的线路如图2所示,由三级低频放大器组成。BG\(_{1}\),BG2,BG\(_{3}\)为3AX3或3AX71等小功率三极管。耳机采用阻抗为300~600欧姆的。电路特点是第一、二级为级联电路,且第一级未加偏置电流。
调整及使用
发射机和接收机装好后,可以一起调整。首先调整接收机,按一般半导体收音机低放级调整方法,分别调整BG\(_{3}\)、BG2的集电极电流各为3mA和1mA。因BG\(_{1}\)和BG2是直接连接的,故不必调整。调整好后,用改锥触及输入端时,耳机应发出响声。然后调整发射机。将30mA的毫安表接到图中“×”处,用50KΩ电位器串连一个2KΩ电阻来代替电阻R,也可以将a、b两端经1000PF的电容器接到接收机输入端。调整电位器,使集电极电流慢慢上升。当集电极电流升到15~20mA的某一点时,突然降到3~5mA左右,这说明振荡器起振了,同时在耳机内应有振荡啸叫声。如电流升到很大,仍不起振,将L\(_{3}\)两端的接线对调一下即可。改变C1或C\(_{2}\)的数值,可以改变音调。
采用不同的接线方法,可以测量电缆的心线断线,相间短路及铠装电缆的单相接地等故障。

1.心线断线故障 所用探测器件如图3a,使用时金属钩在电缆上移动。
如图3b所示,将发射机的b端接在故障心线上,a端接在其他心线上,电缆远端心线全部接地。手持金属钩沿电缆表面,由近端向远端移动。在没有到达断线处以前,耳机中始终有振荡叫声。当金属钩移到断线处时,叫声突然消失或减弱。如此反复几次,就可找出确切的断线点了。

2.相间短路和单相接地故障 探测这类故障的感应器件与探测断线故障用的不同,是图4所示的搜索线圈。用旧硅钢片叠成一字形做铁心、L用0.25毫米漆包线绕110匝,L\(_{1}\)用0.15毫米漆包线绕1500匝,C为0.05μF电容器。当搜索线圈接收到音频信号时,在L、C回路中,产生谐振,经感应耦合到L1内,并将音频信号传送到放大器输入端。
探测相间短路故障时,将发射机输出端a及c接到短路的心线上。手持搜索线卷沿电缆移动,这时在耳机中会听到作周期性变化的音频叫声。当到达故障点附近时,叫声会突然降低,实测证明,铠装电缆的故障点约在其后100毫米处,橡皮电缆的故障点约在其后200毫米处。
铅皮电缆发生单线接地故障时,将发射机输出端a与c接到故障心线和铅皮上。其探测方法与短路时同。在这种场合下,在故障后面也可能有声音,但很低,也没有周期性变化。
电缆较长时,声音可能会小,这时可在发射机上加一级放大。
短路故障接触电阻较大时,会影响测量准确性,这时可用击穿法处理,以减小接触电阻。(晓波)