A150型扩音机体积小,输出功率大,在工厂、企业、机关、学校等单位作为内部广播使用的很多。这种机器,根据维修经验,常有以下几种故障。
(一)强放管FU-7屏极发红
这种扩音机是定阻输出式,在外线扬声器配接适当合理的正常使用情况下,电子管是不致出什么问题的。如果外线配接的阻抗过低于机器的输出阻抗,四只功率放大管FU-7就会屏流过大屏极发红,外接阻抗越低,屏极发红越快越严重。这是外部原因,至于机器本身内部,还可能有以下情况。

开启高压后,四只FU-7的屏极发红很快很重。这种现象,按照图1电路分析,多数是负压电阻R\(_{51}\)开路。有时因负压整流管5Z2P灯丝烧断,造成四只FU-7栅压为零,屏流增大,使屏极发红起来。也有时候是负压电阻R51无损,负压整流管灯丝未断,电路里接线和元件都正常,可是FU-7栅压为零。这是因为负压线圈140伏中心抽头和负压电阻R\(_{51}\)接线焊接不良(或者因其他接点接触不良),年久氧化物增多,产生绝缘,造成负压电源的负极开路,因而栅压为零,屏流增大,屏极发红起来,这种情况,清除氧化物,重新焊牢,即可修复。
机器各部电压在静止状态时,四只FU-7屏极就有轻度发红。这种现象多数原因是栅负压低于35伏所致。其原因是:①从电阻R\(_{51}\)取出的负压原本就低,应重新调整。②变压器B1的负压整流线圈70×2有一半内部开路,使全波整流变成半波整流,负压电路的电流量减低,因而R\(_{51}\)两端的电压变低,从R51取得的栅负压也就低了,大约为负20伏。解决的办法,可把负压整流管5Z2P两个屏极临时连起来,提高电路里的电流量,然后再调整R\(_{51}\),取出负35伏栅压值。
另外是负压整流线圈内部一半短路,不但能造成屏极发红,而且变压器B\(_{1}\)很快发热,以至烧毁,必须重新绕制,或者更换。
(二)输出功率小
在输出阻抗250欧姆端子上,额定输出功率为150瓦。检修机器时,如果从输出功率着眼检查,其他毛病可能迎刃而解,一同排除。测量功率可用固定阻抗法,在机器的输出端0-250欧两端子上,接一只250欧无感电阻R,再从前级注入信号,或者从收音部分注入400赫调幅信号,用电表测量电阻R两端的输出电压E=\(\sqrt{Z·P}\),式中Z代表输出阻抗。P代表输出功率。代入公式E=250×150=193.6伏。如果实测的输出电压E小于193.6伏,那么机器的现有输出功率就小于额定功率,因为输出功率P=E\(^{2}\)/Z,这时可能有以下几个原因:
1.并联推挽的四只FU-7强放管低效。可以用四只新管换试。如确定确实低效无误,须更换新管,四只FU-7要选择参数尽量一致的,使其推挽工作相对称。否则管子容易衰老,容易产生失真,也容易出现其中一只管子屏极发红。
2.电力推动级推动电压小。FU-7在作甲乙\(_{2}\)类放大时,栅至栅的音频峰压80伏,有效电压U=80×1/\(\sqrt{2}\)=56.6伏,又从输出变压器B4的次级对推动电压56.6伏增加了负反馈,反馈量β抵销了部分推动电压,这样栅至栅上的实际有效音频电压U必须是56.6+(β193.6)≈75~80伏才能满足FU-7栅极激励。如果用电表从输入变压器B\(_{3}\)次级两端测量的推动电压小于75伏时,那么FU-7栅极得到的推动电压不足,输出功率就要小。造成推动电压小的毛病常见的有电力推动管6P6P低效。有一部分机器,电力推动管采用6P1,该管低效和内部电极损坏的情况较多。有时候输入变压器B3内部短路,它的初级上并联电容C\(_{24}\)击穿,改变了B3初级输入阻抗和次级输出阻抗,这些都是造成推动电压小和造成失真的原因之一。有一部分机器的输入变压器B\(_{3}\),初级上并无R29,当纸质电容C\(_{24}\)击穿后,机器不是推动电压小和输出功率小的问题,而是无声。
3.前级电压放大级的增益低。增益低就是放大倍数小。电压放大级总的放大倍数由电子管G\(_{1}\)、G2、G\(_{3}\)构成,电子管G1、G\(_{2}\)、G3如果有一只是低效的,就会改变总的放大倍数,信号电压变小,输出功率就不够。有时G\(_{3}\)负载电阻R19变值,改变了输出负荷线,本级增益就会随而降低。当它的阴极电容C\(_{7}\)开路时,或是内部电液干枯失效,在原有电压负反馈电路里,又形成了电流负反馈,负反馈加深了,从而本级增益衰减就大了。在信号混合级中,电位器R6、R\(_{9}\)以及R3,由于不断旋动,滑轨上的碳膜很容易磨伤,有时接触不良,有时阻值变小,这样就改变了级间耦合的等效电路电阻。当输入小时,增益也小。电位器还有一种常见的毛病,当旋动旋柄时,扬声器里产生一种强烈的“沙沙”声,这类毛病是因电位器内部磨伤和接点间集存了污物所致,从听觉中就可以觉察到,可予修理或更换。
收音机是这种扩音机前级的附加部分,当用它收听转播时,增益低、输出小常发生在中频变压器本身。中频变压器是调感式的,往往在使用中,声音突然变小,增益衰减很大。这种现象,主要是中频变压器指振电容失效,改变了465千赫谐振频率,降低了Q值,应当更换谐振电容器,重新调整。增益低、输出小有时发生在检波级。这是由于检波级电子管G\(_{3}\)衰老。G3是双三极管,其中一半三极管供电压放大用,另一半三极管供检波用,常常是作电压放大用的三极管增益正常,检波三极管衰老低效。其次是拾音、中短波波段开关接触不良,信号电压损失较大,造成输出小。由于在机器中地方小,不容易修理,可用绘画扁笔蘸香蕉水伸到里面反复擦洗。还有在转播时,远地电台收不到或声音微小;收转当地电台,即是能收到,声音较大,但达不到足够功率的输出,其原因是天线线圈初级烧毁,线圈本身增益大大降低。应更换新线圈,并增加室外天线避雷器,以保安全。
4.各电压放大级的直流工作电压不够。实际上就是降低了前级增益。原因常是前级高压整流管G\(_{13}\)衰老,滤波电容器C27、C\(_{26}\)、C34容量变小,特别是C\(_{26}\)和C34的容量变小,它对输出的直流工作电压高低有着重要影响。检修时可用一新电容器分别并联到C\(_{26}\)、C34上,用电表测量输出直流电压有无增高。如增高,说明本级容量变小,或者C\(_{34}\)开路,应当给以加足容量。
(三)高压加不上
每当开启高压开关,高压保险丝立即烧断,高压加不上。其原因多数是高压短路。能造成高压短路的部件有以下几个。末级高压电路滤波电容C\(_{35}\)、C36击穿,能使高压短路。这种故障为数最多。电容器C\(_{35}\)、C36串联后与泄放电阻R\(_{52}\)(中心抽头)并联接在高压两端,电阻R52为30千欧姆,泄放电流20毫安,最大不过25毫安。通电后C\(_{35}\)、C36分得的电压降E=1500×20×10\(^{-}\)3=300伏,最大375伏,远低于电容器C\(_{35}\)、C36的耐压,不应击穿。可是,实际上击穿的较多,其原因:①泄放电阻R\(_{52}\)烧断,C35、C\(_{36}\)分得的电压降彼此相差悬殊,其中一只高于它的耐压必定击穿,另一只也随而击穿。②C35、C\(_{36}\)用久绝缘电阻变小,耐压降低。③开启低压预热不够而立即开启高压时,在高压电路里电流较小,峰压则高,容易击穿。④外接负荷短路或者匹配过荷甚重,C35、C\(_{36}\)容易击穿。
造成高压短路另一原因是滤波阻流圈ZL\(_{1}\)绝缘破裂,和输出变压器B4初次级击穿,或初级对地绝缘破裂,都能造成高压加不上,烧保险丝。阻流圈和输出变压器质量较好,损坏率是很小的,但毕竟还有损坏的。电子管FU-7内部碰极,造成高压由管子内部入地也是较常见到,个别情况下866A有其一只内部问题,也是会使高压加不上的。
在高压无短路时,有时高压仍然加不上。这种原因常出在与输出变压器B\(_{4}\)次级并联的电容器C28、C\(_{29}\)被击穿,电容器C28、C\(_{29}\)串联后耐压较高,比较安全。可是从检修实践证明,毕竟还有击穿的。击穿后机器输出短路,FU-7屏极负荷为零,造成高压电路的电流量过大,高压保险丝不但容易烧断,而且泄放电阻R52的电压降增高,电容器C35、C\(_{36}\)也容易击穿,高压加不上。
其次是前级高压电路里,泄放电阻R\(_{44}\)损坏后,当开启高压开关瞬间,C34常会由于前级高压峰压而击穿,击穿后前级高压短路,可是并不能导致烧断保险丝,而电子管G\(_{13}\)却发生过荷跳火,严重时烧坏变压器B2,轻者G\(_{13}\)烧坏,所以在检修扩音机之前,必须用电表对此部位进行短路测量检查,切莫大意。
(四)抑制干扰
有时,同一场合两部同一型号的150瓦扩音机用收音部分转播时,一部的声音清晰无杂音,另一部干扰甚重,强烈的吱吱声几乎压倒广播声。两部机器同时开,都受干扰,无法转播。显而易见,这种干扰来源于机器本身。为了进一步确定干扰产生在何处,可用一部半导体收音机和扩音机同时接收同一电台,如果这时候半导体收音机受到干扰,关闭扩音机干扰消除,这说明了干扰来于扩音机本身。如果关闭扩音机,半导体收音机仍受干扰,说明干扰来源于外部。

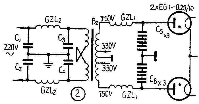
干扰来源于机器本身的毛病,产生在高压整流部分。这种机器有部分866A整流管屏路中并无高频阻流圈,而用导线直接连起来的。866A是大电流汞气整流管,没用高频阻流圈加以抑制,会使收音机受严重干扰,发现后按图1在G\(_{14}\)、G15的屏极分别加上600毫安2.5毫亨的高频阻流圈GZL\(_{1}\)(如图2),杂音立即消除。如果消除得不彻底,可在屏极电路里分别增加电容器C5和C\(_{6}\)旁路。电容器C5和C\(_{6}\)只用一只时,耐压较低,不宜使用。可用三只串联,以保安全。其容量可在0.01×3—0.006×3微法,实数可由试验确定。
干扰来源于外部多数属于电力线传输干扰。在城市里,工厂电气用具较多,如电钻、电动机、充电机等,是因在使用的时候产生火花引起而进入扩音机,在收听转播时发生干扰。属于这一类的干扰,最好找到干扰源。在干扰源加一抑制装置,可以消除对收音机的干扰。这样做如果有困难,在扩音机的室内电源上按图2做一抑制装置也可以。电容器C\(_{1}\)、C2的容量用0.1—0.5微法之间,C\(_{3}\)、C4用0.01——0.006微法之间,实数容量根据电气用具的不同干扰,实地试验确定。电容器的地线要和扩音机地线公开。距离不少于5米。阻流圈GZL\(_{2}\)不要平绕,最好叠绕以减少本身的分布电容,使谐振阻抗对干扰杂音的抑制最大,用1.3毫米纱包线绕180-300圈,电感量在1-5毫亨。经试验以2—3毫亨适宜。不同功率的扩音机耗电量不同,线径也不同,简单求法可首先根据扩音机的消耗电量功率P求出最大负载电流I=P/E,然后根据负载电流I,按以2.5安/厘米\(^{2}\)的标准求出线圈的线径d=0.715×\(\sqrt{I}\)。(培理)