目前市面上还有一些降价处理的电子管收音机用的小型圆中周,如“华北”的ZP03-1型,“津无”的901型,它们的内部结构如图1,里面有两个带磁心的线圈和两只120P的电容器。经过实验,感到它们有很多用处,现在介绍如下:

1.作中波天线线圈:连架拆下一个线圈,拆去线圈架上的绕线,用0.17号漆包线在一个槽内绕30圈作天线线圈,再在两个槽内共绕110圈作调谐线圈(配用365P单联;如用260P单联,可绕130圈)。如作再生式,可在另一个槽内用同号线同向绕30圈左右作再生线圈(准确圈数由试验决定),如图2。

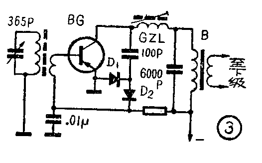
2.作高频阻流圈:用0.07号线绕600圈,可得约3~10毫亨电感量,可用于各种收音机中如图2及图3。

3.作高频变压器:初、次级各用0.07号线绕180圈和270圈,可在各种直接放大式和来复式的半导体管收音机中用于高放级和二极管检波器之间的耦合,如图4。

4.作中频陷波器:将中周内两个谐振电路中的任一个拆下来串在超外差机的天线回路中即可,如图5。

另外,每只线圈架两端还有两只小磁环,作用是聚束磁力线,减小中周铝壳对谐振电路的影响,也可拆下来绕制各种小型高频阻流圈和高频变压器,用于袖珍半导体管收音机,效果极好。具体数据是:作高频阻流圈时用0.07号线绕150~250圈,作高频变压器时可绕100:150圈。 (科二)