TTF-2型(即203型)中频变压器体积较小,为业余装制小型超外差式半导体收音机者所喜用。但这套线圈中的LTF-2型振荡线圈原设计是配用混频式电路,须用一只高频三极管作独立振荡,另用一只高频管作混频(参见本刊1966年第4期23页介绍),因此不宜用于一般单管变频标准线路的超外差式机里。
本文介绍将LTF-2型振荡线圈改装用于变频式电路的方法,装成后效果与TTF-3型(即201型)一样。改变后线路如附图,具体接法如下:
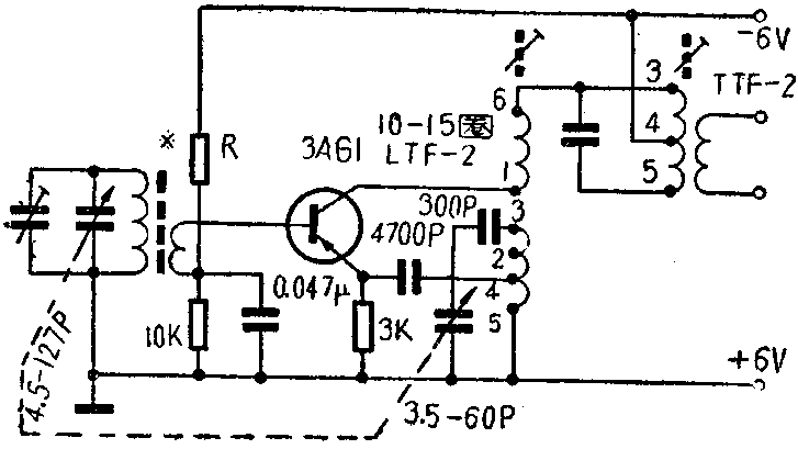
LTF-2型振荡线圈共有引出脚六只,1、6两脚是耦合线圈,2、3、4、5四只引出脚是振荡槽路线圈。现在把1、6两端改作反馈线圈,第5脚原接电池负极,现改为接地(电池正极),原第4脚接一只4700~6800微微法电容器耦合到变频管发射极,原第3脚仍接双连可变电容器的一组定片,第2脚则空起不用。这样改接,由于1、6两脚原是耦合线圈,只有2圈,现改作反馈线圈,可能反馈电压不足,使振荡电压不够强,收音机灵敏度偏低,放音不响。补救方法可将整个线圈从隔离罩内轻轻拉出,将1、6两端焊线挑断。由于该绕组处在里层不易拿掉,可将挑断的二线头剪去,使原绕组成为开路留在里层,另在槽路线圈外面用0.08~0.09毫米径漆包线,按槽路线圈绕线方向加绕10~15圈作为反馈线圈,仍焊在1、6两引线脚上。这样改绕后,用6伏电源,变频管工作电流在0.5毫安时,振荡电压(发射极至地端)约有0.2至0.25伏(用电子管电压表高频探头测量)。若无振荡电压,则系1、6两端接反,调转后即能振荡。反馈线圈的一端应接在第一中频变压器的第3脚上(见图)。如3、5两脚错接,去影响整机灵敏度及选择性下降。(唐鸿章)
