我们制做了一种测试器,共由两部分组成,电路如图1。一部分是以收音机试听声音来比较半导体管的好坏,另一部分是测量管子的几项主要参数。

一、工作简介
收音试验部分:这部分是一个再生来复式四管机。在高频管BG\(_{1}\)和低频管BG2的电路内分别接有双刀双掷开关(K\(_{1}\)、K2)。通过这两个开关的倒换,可以分别将被测高、低频管换接入收音机内代替原来的管子试听。在高频管的偏置电路中还接有一大串不同阻值的电阻,通过开关K\(_{3}\)的转换,可以在试听时调换合宜的偏流电阻。在BG1的集电极电路内接有一只电流表,以观测集电极电流。
测量部分:因为半导体管不同于电子管,它们的特性不那么一致,即便是同一型号的三极管,其参数上下差别也很大,所以在购买三极管时就需要加以挑选和比较。I\(_{cbo}\)和Iceo这两个参数的大小直接影响三极管的工作性能,太大了会使工作不稳定,噪音大,甚至损坏等,这些参数越小越好。所以一般的业余爱好者在选购半导体三极管时最好能测量一下I\(_{cbo}\)、Iceo和放大系数β。这种测试器基本能满足这三方面的要求。测量范围:I\(_{cbo}\)值为0~200微安;Iceo值为0~2毫安,β值为0~200和0~400两档。
二、零件选择及用途
收音部分的K\(_{1}\)、K2为双刀双掷开关,用以换接被测高、低频管到收音机内。K\(_{3}\)为一单刀23掷开关,将23只电阻(阻值如图1所注)焊接在它的各个接点上,将它转到不同接点上,便得到不同的偏流电阻,从而改变BG1的集电极电流,使其工作在最佳工作点上。K\(_{4}\)为收音部分的电源开关,附在音量控制电位器R26上。
测试部分的K\(_{5}\)是一只六刀双掷“收音”“测量”选择开关。市场上出售的有推动式和旋转式的两种,可根据要求选择。这里是采用半导体收音机上用的推动式两波段开关。这个开关用来倒换用收音法还是测量法测试被测半导体管;同时也倒换电流表到收音机或测试电路。
K\(_{6}\)是一只四刀五掷开关,它是测量Icbo、I\(_{ceo}\)、β值等几种工作状态的选择开关。如需测0~400的一档β值,要用四刀六掷的。
K\(_{7}\)是在测量时调整偏流用的电源开关,是连在R39上的。K\(_{8}\)是测量β值时用的,可选用售品微动开关,也可以自制。制法参考图2取废旧闹钟表条约80毫米,截成两段,将需钻孔的地方(图中a,b,c,d处)退火后钻孔,然后用约30毫米长的螺钉固定于五合板上,成垂直交叉放置,如图示。β按钮可以购香蕉插头一份,其底座部分固定于面板上;将插头部分铜头取下,换上一较长的比原来稍细一点的铜或铁棍加热固定于塑料头上,穿入底座在下部套上一垫圈后再接触于簧片①,然后再把垫圈焊牢,使按钮不致脱出插孔。用时向下一按,簧片①和②接触,接通β测试电路。放开手指,簧片①就把按钮弹回原来的位置。

平衡调整电位器R\(_{37}\)是一只500欧姆2瓦线绕式的。
表头是一只200微安的,这是为了在用作亳安表时,表针刚好在1毫安指在正中位置,以便于调整。也可不用200微安的。为了测量方便起见,可在原表刻度数字上、下添上所需的数字,并在中间1毫安位置划一红线标记(图3)。本表的分流电阻R\(_{35}\)、R33要有1800微安的电流通过,也就是原电表200微安的9倍,那么分流电阻就是原电表内阻的九分之一,这里所用表头内阻为700欧姆,所以分流电阻应为78欧姆。

三、安装
为了方便起见,全部零件可以装在一块长350毫米、宽250毫米的优质五合板下面,上面安排旋钮、开关等,再装入箱内。在面板的正面用道林纸绘出各个旋钮的用途及名称(见图4),然后再用同样大小的一些透明有机玻璃板盖在上面,以免使用久了把字磨掉。

四、使用方法
1.收音法测试:首先将收音——测量开关K\(_{5}\)扳在“收音”位置。插上被测管。开关K1、K\(_{2}\)扳在“内”位置,使收音机内管子工作。闭合电源开关K4,把R\(_{26}\)旋到音量较大位置,调整C1找到一个电台。再调整K\(_{3}\),使集电极电流指在1毫安左右。
如被试的是低频管(此时不调偏流),就将K\(_{2}\)扳向“外”(K1扳在“内”,用机内高频管),听声音如何,与机内原用低频管作比较。如果测试高频管,就将K\(_{1}\)扳向位置“外”,K2扳向“内”,听声音效果,并再调K\(_{3}\)使电流表指到1毫安位置,看K3指在什么位置,再参看面板所附与各位置相对应的偏流电阻表,例如K\(_{3}\)指在“15”上,那么意思就是被试的这只高频管用67千欧的偏流电阻合适。集电极电流调在1毫安是因为一般做再生来复式收音机的高频管多调在0.7~1.5毫安的范围内。太低会影响灵敏度和声音,太高又会引起再生啸叫。
2.I\(_{cbo}\)、Iceo及β的测量:首先将开关K\(_{5}\)扳向“测量”位置,插上被测管。

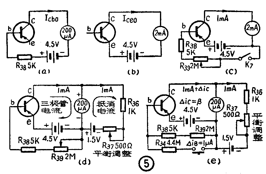
旋转开关K\(_{6}\)到“2”上,即Icbo的位置。其测试电路简化如图5(a)。电表串接在被测管集电极和电池负极之间,此时电表读数即被测管的集电极反向饱和电流I\(_{cbo}\),可测范围为0~200微安。电路内串接之电阻R38为限流电阻,用以防止因插错管腿而损坏三极管。
将K\(_{6}\)旋到“2”,即测量Icbo,电路简化如图5(b)。这时在200微安的表头上并联了一只分流电阻R\(_{35}\)(78Ω),使电表的量程扩大为2毫安。所得读数即为集电极反向穿透电流Iceo,能测到0~2毫安。
再旋K\(_{6}\)到“3”,进行1毫安调整(因这个测试器是按被测管集电极电流为1毫安时测量β)。电路简化为图5(c)。
再将开关K\(_{7}\)闭合。调整偏流电位器R39,使集电极电流为1毫安,亦即电表的正中红线位置上。再将K\(_{6}\)旋到“4”,即“平衡测量”的位置。电路简化如图5(d),这时电表又恢复为200微安的位置,并在电路中加进了抵消电流1毫安。调整平衡电阻R37使表针退回到“零”位置。然后按下β按钮,也就是再给入基极1微安的电流,此时电表再指的读数即为β值,如图5(e)。因为放大系数β=Δic,现在我们给ΔiB值固定,看Δic变动的多少,所得读数即为β值。如被测管的β值超出200以上,可再将K\(_{6}\)旋至“5”,这时的电路同“4”,只不过将原来的偏流ΔiB减少了一半,这时测得的值比原来的扩大了一倍。(徐绍周)