自制一架半导体收音机的效果除了选用适当的电路及元件和安装技术外,调试工作也是一个很关键的问题。
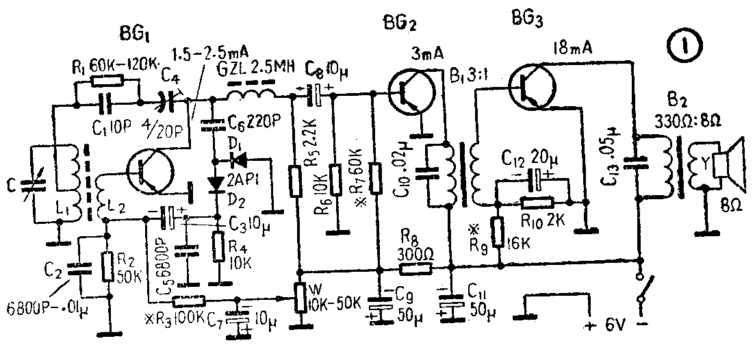
图1是一个简易再生来复式半导体收音机的典型电路,这里就以这个电路为基础来谈谈调试中的一些问题和处理原则。

一、喇叭中一点声音没有
当接通电源后,喇叭中如连一点轻微的沙沙声也没有时,毛病多出在电源系统或功率放大级,这时可测量总电流和各级集电极电压、电流的办法来判断。如电池和元件都是在安装前经过检查证明都良好的话,一般都是由于错焊或漏焊造成。因此只需仔细检查线路就可发现问题。简易的办法是用电烙铁头去碰触各级半导体管的基极,在正常时喇叭中应有咕咕声(这是由于电烙铁头上有交流市电感应电压)。如遇碰到哪一级没有声音,说明这一级就有问题,应仔细检查有无错焊漏焊之处。这级偏流是否合适。如果都对,那就要检查这一级半导体三极管的本身质量了。
另外,有时为了便于调整,偏流电阻常用盘形半可变电阻。这种小型半可变电阻如果焊接时间过长,常会使中间滑接臂接点脱开形成断路,以致没有偏流。
如果用烙铁碰触BG\(_{1}\)基极时喇叭中交流声很大,但接上天线就是收不到电台,很可能是调谐部分有毛病或BG1偏流调得太小。最常发生的是磁性天线线圈的多股线由于绝缘漆未刮净形成假焊,或因售品线圈多用凡立水浸渍过的,内部容易折断形成断路,使调谐电路不起作用。但由于外部有纱或丝线包里,不易发现。
二、音小
这里是指低放部分增益不够或输出功率不足(与灵敏度不够有区别)。如果用电烙铁头碰触BG\(_{1}\)管基极时喇叭中的咕咕声很小,就说明是低放部分增益不够,它的可能原因是:
1.低放管或功放管的放大系数太小;
2.偏流调得不对。
大家知道,半导体三极管在大电流工作状态下的增益是比较小的。因此,如果两只管子的放大系数不同,一般是把放大系数较大的作功放用,而把较小的作为低放用。
增益的大小除了与管子本身的放大系数有关外,还决定于它的偏流大小。这里分别就图1的电路来讨论一下。
a.功率放大级
单臂功率放大级一般有两种工作状态,即大电流和小电流工作状态。用大电流状态时,负荷阻抗(即输出变压器初级阻抗)一般都用300欧姆左右(集电极电流约调至15—20毫安),这时它的不失真输出功率可达25毫瓦,最大输出功率可达75毫瓦。但功率增益小,输入必须加大,才能发挥作用,因此两管机不宜采取这种工作状态,三管以上可采用。小电流工作状态则相反,集电极电流约调至10亳安左右,负荷阻抗用800欧左右的,例如目前大多数成品单臂输出变压器的初级阻抗大多是600—800欧的。这种工作状态的最大不失真输出功率约只10多毫瓦。这种工作状态虽然最大输出功率较小,但功率增益大,因而总增益小的少管简易机宜采用。
当然,输出功率的大小和集电极电流、负荷阻抗的关系还和所用的电源电压有关,电压高的电流应调得小些,负荷阻抗可用得大些。上面所讲的一些具体数据一般是指6伏左右的电源而说的。
b.低放级
在简易三管机中有两个低放级,一个是来复级,一个是中间推动级。
中间推动级一般调在2—3毫安左右即可,稍差一点对音量的影响不大,但对失真关系大些。
来复级工作状态是否合适,是全机的关键之一。因为这级兼有高放和低放的作用,两方面都得照顾。对低放来说只要求增益大,集电极电流要求调得大些;但是偏流调得太大时会使该管的输入阻抗减得很小,因而影响磁性天线的Q值,使选择性和灵敏度都下降。故一般这级的集电极电流约调在1.5毫安左右为宜。
三、啸声、汽船声和似鸟叫声(再生啸叫)
在调机中,最常出现这种现象,由于其具体原因比较复杂,故解决起来也较费事。这种现象的共同特点是存在着杂散回授,前二者是低频回授,后者是高频回授。
当调机时,无论可变电容器调在什么位置,或者在中间大部分位置,电位器一开,喇叭里就产生狂叫,而且叫声频率大都不随转动可变电容而有所变化,有时频率很低,像汽船声。这是低频部分产生了不应有的交连,起了低频振荡。这与由于再生过强而产生的啸叫是容易区别的。当我们旋动可变电容听到的是像鸟叫一样的声音,而且是时断时续或随着播音声而出现的,没有电台时,叫声也就停止,且叫声的频率随着单连的转动而有所改变时,这是属于高频再生过强而引起的叫声,分清了是属于那一种,就可加以解决。
1.低频振荡(啸叫或汽船声),它产生的原因和解决办法是:
a,退交连电容器C\(_{9}\)、C11未接,或内部开路失效容量太小。三管机因有三级低放,在电池内阻上将产生正回授,因此,退交连电阻电容C\(_{9}\)、R8、C\(_{11}\)一定不能省去。
b,元件间互相感应回授。主要的是各变压器之间或对其他元件的杂散交连。可以采取以下办法解决:把喇叭音圈一端通地;将推动变压器B\(_{1}\)初级并一只0.02μF的电容C10,并将次级的二头对调一下试试,即将变压器接BG\(_{3}\)基极的引线与接偏流电阻R9的头对调,这往往立可见效。这是因为这样做,使变压器最外层处于冷端(交流地电位),起了屏蔽作用,同时改变了相位。
另外在装机时,应将变压器的铁夹通地。输入、输出变压器与磁性天线间应保持一定距离。
c,前两级半导体管β过大,也容易引起啸叫。
一般处理品三极管除了β过小等质量问题外,也有的是由于β过大稳定性差而作处理的,因此采用这种管子时,常因排列布线稍有不合理地方,就容易造成振荡。遇到这种情况时,可试减少偏流,减低它的放大率来解决。如效果不大,则可在该管发射极对地间串入一只数十欧姆到几百欧姆的电阻,不要并接电容,使其产生负回授来遏制正回授,并使性能稳定。电阻阻值用小的能解决问题时尽量不要用大的,以免过多损耗。
2.再生过强
来复再生机主要依靠再生来提高灵敏度与选择性的。因此,适当的再生是必要的,但过强则影响收听,必须加以控制才行。再生的强弱主要决定于半可调电容C\(_{4}\),如发现再生过强,而旋动C4减小回授电容亦不能解决时,这时可试减少L\(_{1}\)抽头以下的线圈圈数,另一面要从排列及接线上寻找有无产生不应有的高频交连之处,而且后者是主要的。正常情况是当断开L1的抽头与回授半可调电容连线时,把电位器开大,旋动可变电容器,收音机中应一点也没有再生啸叫声,如仍有,则说明再生是由于不应有的交连或其他原因产生的,需要查出去除。根据经验,其原因与解决办法如下:
a,排列不当引线过长而产生杂散交连:有些型号高频三极管集电极是接通管壳的,与磁棒靠得太近就要产生回授,应该远离一些(大约2厘米以上则问题不大)。另外,磁性天线接调谐单连可变电容器定片的引线应越短越好,如果接线过长,而又与高频阻流圈或C\(_{4}\)靠近,就会引起回授叫啸,这种情况遇到很多。还有一种再生啸叫,主要是在接收频率低端出现沽沽叫声(560KHz到700KHz)。这是由于阻流圈与磁棒交连太紧,回授过强。解决办法只要旋动阻流圈角度,减少互感,大多可以解决。把阻流圈旋到与磁棒成90°时正回授最小,如再旋到180°则成负回授了。阻流圈与磁棒间直线距离以4—8厘米间为宜。
带铝架可旋转的阻流圈,目前市场上有成品可购到,自制时可采用交流收音机用的小型中频变压器的塑料芯子一只,用42~44号漆包线绕600圈左右,再用废中频变压器铝壳做一个支架,如图2,将线圈套入大孔中,便做成一个可旋转的阻流圈了。

b,某些高频管的β过大或者输入阻抗过大,工作不稳定,常容易发生高频回授,产生“嘶嘶”振荡声,也可能产生超音频振荡(这在使用处理品管子时更可能遇到)。这时常常影响低放级和功放级的工作偏流,往往因此调不大(偏流电阻减小,集电极电流也上不去)。如果把第一级管子集电极连线断开,使来复再生级停止工作,后面的管子偏流就回升,并变得正常,这就充分证明第一级起了振荡。解决办法:可先把磁性天线上的次级线圈L\(_{2}\)增加一些,一般成品线圈是7—8圈,则可根据情况增加到12—15圈左右,以配合半导体管的输入阻抗,毛病常可解决。但圈数增加过多时会使正常的再生下降而致选择性受影响,同时也使高频端灵敏度变低,因此必须注意兼顾。
如上法不能解决时,也可能是管子β太大,可以像解决低频管β过大方法一样,在发射极电路中串入一个约几百欧的电阻使产生负回授来消除振荡。(卓康诵)(待续)