这个半导体喊话器是一个小型轻便的半导体扩音机,耗电省,重量轻,携带方便,适合作演讲宣传和在小生产场地、车间等近距离喊话等用。

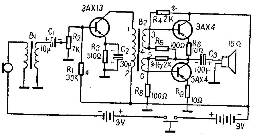
一、电路 本机电路如图所示。采用小功率低频放大管,一只3AX13(2Z171)作前置放大,用两只3AX4作单端推挽放大。由于末级采用无输出变压器的单端推挽放大电路,并加了较深的负回授,故放音质量得以提高,失真减小。同时由于不用输出变压器,消除了由输出变压器产生的失真和损耗,并缩小了体积。
喊话器采用炭精话筒。扬声器用高灵敏度、阻抗16欧的一种。当电源电压为9伏时,可以获得200毫瓦的输出功率。输入端由话筒、话筒变压器B\(_{1}\)初级圈和3伏电源构成回路接收声源。从话筒变压器次级感应出较高的电压通过C1交连到3AX13的基极,进行前置放大。这一级的工作点由R\(_{1}\)、R2、R\(_{3}\)选择,采用了混合偏置电路。电位器R2是偏置电阻,兼作音量控制。输入变压器B\(_{2}\)的初级是半导体管3AX13的负载。次级有两个线圈,以供单端推挽电路的需要。电阻R4、R\(_{5}\)、R6是上一管子的偏置电阻。R\(_{4}\)、R5分压后从R\(_{5}\)上取出的电压一端经过上线圈加到上管基极,另一端经过电阻R6加到发射极。R\(_{7}\)、R8、R\(_{9}\)是下一管的偏置电阻。两管都采用了负回授偏流法。R6、R\(_{9}\)是发射极电阻,因无电容器旁路,故有一些负回授作用。C3为输出交连电容器,电容量愈大愈好,一般用50~100微法的电解电容器。
二、元件 话筒变压器B\(_{1}\)用一般动圈式话筒内的变压器代替,也可用电话机内的感应线圈。
输入变压器B\(_{2}\)用EI型硅钢片,铁心中心舌宽6毫米,迭厚10毫米。初级用0.12毫米漆包线平绕1500圈。次级用同号线双线并绕500圈,两组线圈头为3、5,尾为4、6,照图连接,不可接反,否则声小或无声。
其他电阻、电容均用小型元件。电容器的耐压要求在9伏以上。
三、安装调整 全机安装请参考本刊1966年第1期“半导体扩音机”一文。本机电源用八节1.5伏5号钢笔电池。两节串联供作话筒电源;其余六节串联供给放大器电源。电源的正极都通过一只按钮开关通地(机壳地线)。全部电源都装入扬声器内。本机经宣传队在街道实地使用数次,声音清晰宏亮。(潘瑞君)