扫描振荡示波器是测试电路频率特性的一个有效工具。它对无线电设备的生产、维护、研究、实验和教学等各方面都很有用。在任何电子设备里,凡是需要测定频率特性或选择性的部分,都可以利用它来直接观察其频率特性曲线的形状。它的类型虽然很多,但原理基本上是一样的。这里介绍一个利用一般示波器配成的适用于测试超外差式收音机中频特性曲线的简易扫描振荡示波器。供同志们参考。
通常要测定一个收音机中放级的中频选择性,如果使用一般仪表(如电平表,可变振荡器之类)那就需要放送许多不同频率,逐一通过中放级测量其相应的电平,然后把测得数据,在纸上画下来,并且要有足够多的频率点,才能构成一幅中频特性曲线,因此手续非常麻烦。现在这个简易扫描振荡示波器,是用一个周期地自动变换频率的中频调频振荡器(扫描振荡器),配合一般的示波器,即可作收音机的频率特性测试之用。它的振荡频率,在中频通带范围内,以与示波器电子束扫描周期同样的速度,自动地往复变动,所以,按照图一所示方框示意图的布置,就可以在示波器的显像管上直接观察到一个被测中放级的频率特性曲线。同时,如果在中放级上进行调整,还可以在示波管上立即看到图形的变化,即调整的效果。因此非常简单方便。

这个中频调频振荡器,它的中心频率,应与被测电路的通带中心频率相等(如465KC,270KC,……)。它的最大频率偏移,应该等于被测电路所需测定的通带宽度(假定是±5KC或±10KC……)。它的频率摆动速度,应该和示波器的光束扫描频率相等(5KC,50C,……)。这样,才能在显像管屏面上出现一个完整的选择性曲线波形。又扫描频率不宜过低过高,过低时示波器上出现的波形不稳定,而过高到超过被测系统的惰性时,则将使波形产生失真。
当这个调频振荡,送入被测收音机中放级输入端时,中放级的输出,在中心频率上,应该是最大,而在偏离中心频率两端,则将随偏离中心频率的程度而逐渐减小。换句话说,这个输出是包含着一种随频率不同而幅度相应改变的中频电压(或电流)。其包络恰相当于被测电路的选择性特性形状。通过检波,除去中频振荡频率分量,即得与包络相当的低频分量。如将此低频分量送入示波器的垂直放大器,这时,在示波器荧光屏上,即能呈现包络的形状,也就是中放级的选择性图形。

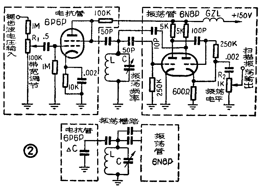
图二是扫描振荡器的实际电路。这里使用一个双三极管6N8P(6SN7)作振荡管,组成多谐振荡电路,这种电路比较容易起振,而且从阴极接出的振荡输出,可在频率摆动范围内保持稳定的幅度。L、C为它的振荡槽路,如果要侧的收音机中频只是一种型式,则振荡槽路,可用固定电容,无需调谐。如要测多种型式的中频,就需要用可变电容了。
和槽路并联的6P6P(6V6)是一个电抗管,它的作用是当有交流电压加在这个管的屏极与阴极之间时,会产生一个较此电压导前90°相位的屏极电流,因此相当于一个容性电抗。加在这个电抗管栅阴之间的锯齿波控制电压,是用以改变它的互导,即使电抗管的屏流随着控制电压而变动,亦即使它的等效容抗随着变动。所以这个电抗管的作用,是相当于在槽路上并联一个受锯齿电压控制的可变电容ΔC(见图2中的等效电路图),从而使振荡器频率发生相应的频率变化Δf,形成频率调制。改变锯齿波电压的大小,能够改变调频振荡的频带宽度,故图二中的R\(_{1}\)就叫作“带宽调节”。所需锯齿波控制电压,最方便的办法是从示波器内引出,这样做还有一个好处,即能保证中频振荡的频率调制和示波器的扫描频率自然同步,这使呈现波形可以稳定。
等效容抗ΔC和频率变化Δf的关系,还和槽路电容C的大小以及中心频率有关。在不同的C值和不同的中心频率时,虽然控制电压不变,所得的最大频密偏移Δf\(_{m}\)是不一样的。所以在不同的中心频率时,应选择适当的C值,使与带宽调节相适应。
振荡器的输出电平,用R\(_{2}\)电位器来调节。这个控钮的作用,和示波器的垂直放大增益控制的作用相同,都可用以调整荧光屏上图形的大小位置,不过前者是控制被测级的输入,而后者则控制其输出。
前面谈到,振荡器的输出经被测电路后,还须经过检波,然后再送到示波器的垂直放大器去。如系测试收音机,即可利用收音机内的固有的检波级,将被测收音机的输出从检波负荷上接出。如果需要测中放分级的选择性,则可以从末级中放开始,将输入逐级前移(输出不动),并逐级测试调整。但如欲测试一中间级单独的选择性图形,则仍应在示波器的垂直放大器输入前,另行配装一检波级。

示波器荧光屏面上,可以罩上一层薄而透明的有机玻璃,并刻上图三的线条,作为指示标志。水平轴代表频率,正中一根“0”点垂线代表中心频率,测试时波形的峰点(或双峰的凹谷),应落在此垂线上。水平轴上再按等分刻20条垂线,假定频带最宽为±10千赫。垂直轴代表衰减(或电平,最下为0,最高为1),分为10等分,分别在0.1,0.32,0.50,和0.71处刻4条横线,即相当于20db,10db,6db和3db的衰减。
这样做成的简易扫描振荡示波器,使用起来相当方便。测试时,应将调频振荡输出,用屏蔽线送到被测的中放级去,注意应将前级线路脱开,否则输入分路影响很大。从被测收音机的检波负荷上接取输出,送至示波器的垂直放大输入端。将示波器先按常规方法调整好聚焦和辉度,“带宽调节”可放在±5KC左右,此时振荡频率如接近中频,即能显示出选择性图形来,但位置可能不准。可调“振荡频率”C使单峰曲线峰点落在“O千赫”线上,再调“扫描振荡输出”R\(_{2}\)和示波器的垂直放大增益和垂直位移,使曲线顶峰落在最高一条横线0db上,而曲线底部则落在最低一条横线上,如图三所示。
扫描振荡附加器的“振荡频率”和“带宽调节”应在制好后,预先校正。校正方法,可取已知中频和6db带宽的标准收音机进行实测。测试时应将二控钮调到被测电路相当的中心频率和需要的频带宽度上,将图形对准后,即可把控钮刻度按照调准位置刻上相当的振荡频率和带宽。
如果没有标准收音机,则可先试出示波器锯齿波电压的幅度变化范围,然后以模拟的直流电压代替锯齿波电压输入。当模拟电压取在此变化范围的中间值时,用外差式测频仪(或其他办法)测定振荡频率,将此频率刻在“振荡频率”和“带宽调节”度盘的相应位置上。这样逐点测定。在整个度盘的频率分布和频率宽度方面,要求能满足测试需要。否则就要设法调整C、L的数值。
校正好的振荡器,测试时,只要将“振荡频率”和“带宽调节”位置放准,由于这里的扫描频率和示波器光束是自然同步的,故荧光屏上只能呈现一个图形。这个图形如有不正常,则可调整被测级的中频变压器,直到正常为止。调好后,校正图形位置,即可从屏面刻度上直接读出不同衰减处的通频带来。
如果“振荡频率”和“带宽调节”都没有校好,也没有刻度,则在测试时,可先将“带宽调节”放在最大(取全部控制电压),使调频振荡的Δfm为最大,调整“振荡频率”在屏面上便将连续地呈现出若干选择性曲线不同图形来,在这些图形中,应该有一个幅度最大的,校正这个波形的位置,使对准“O千赫”线,此时振荡频率已接近被测电路的中心频率,再调“带宽调节”和“振荡频率”至得到一个最大图形为止。
在未校正过的情况下,频带宽度不可能正确地从屏面上直接读出,只能通过相对比较的办法来估计。或在波形调整好后,用信号发生器来辅助测定。