最近试装了一部简易的助听器,在耳聋不很严重的情况下是适用的。这个助听器只用了一个半导体管,放大能力比较差,同时由于采用碳粒送话器,杂音较大,但从用材料节省、比较经济以及对轻度耳聋有帮助来考虑,值得介绍出来供作试制者参考。
一、元件选择
1.送话器:利用电话送话器,购买时可以用欧姆表试验,对准送话器微微吹气,表针摆动幅度越大越好,不动的不能用。装置前应将送话器前面的铁片的小孔剪大,以扩大接收声波的范围,但剪时不能把铁片内衬托的隔膜弄破,否则送话器容易受潮失灵。
2.送话器负载电阻:各种不同的送话器需要不同的负载电阻。我用的是阻值1000欧的炭质电阻,据试验1~3千欧范围内的都可用,再大或再小都将使声音变小,但这是对特定的送话器而言(对不同规格的送话器应采用适当电阻,请参看本期“谈谈简易助听器的电路”一文考虑选择——编者)。
3.交连电容器: 电容量在5到25微法的纸质或铝壳的电容器都可使用,对声响并无明显影响,但要求不漏电。
4.半导体管:各种低频半导体管都可用,电流放大系数要求越大越好,否则影响效果。
5.耳机:最好用直流阻抗800欧的耳塞,不宜用大于1000欧的。没有耳塞也可以用耳机,但也要用阻值低的。
二、装配和调整

全部零件都可装在一块绝缘板上,用木板、纸板或塑料板等均可。
把插座改装一下,利用耳塞的一个插脚来控制电源开关。
装成以后,先测试一下受话器的电流,约为0.8~1毫安。然后测半导体管集电极电流,在0.5~0.8毫安较合适。我用的管子电流大,故未加偏流电阻,用一般管子应在电池负极和基极间加一偏流电阻。如不加偏流电阻,电流已超过了1毫安,可以在半导体管的发射极串入一个电阻(一般在100欧以下),使电流降到1毫安以下。加这个电阻时最好并联一个旁路电容器,大致25微法即可。
如果没有低频三极管而以高频或中频三极管代用,要注意不能把电流调得过大。电流大了不仅会使音质变坏,而且还会烧坏管子。
如果手边没有电流表,也可以用耳塞试听。根据我不用电流表试装的情况,碰到的问题主要是:
1.完全没有声音。可能是线路没有接好,应先检查线路。接线无问题时,则可以加一个100千欧的偏流电阻试听。然后再调整偏流电阻,阻值不能少于50千欧,使半导体管工作在合适的状态下。
2.杂音很大或很小。主要是受话器的负载电阻选用不当,一般用一节电池时约用1千欧,用两节电池时要相应加大,送话器不同,需要的负载电阻也不一样,要适当调整。
3.话音时断时续。特别是大声讲话时,碰到高音,相反耳机内还没有声音,这是半导体管电流过大,可以调整偏流电阻,如不行再考虑在发射极串一电阻,先用10欧左右,然后逐步增加阻值。

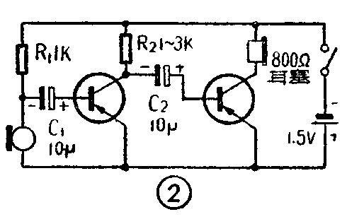
一般经过这样处理,听力正常的人听起来声音多少应有点震耳。如果还不能满足患者的要求,可以考虑再加一级放大,或采用两节电池。增加一级放大后的电路如图2所示。(丁启明)