要检查鉴定一具半导体管放大器的性能,测量它的功率增益是很必要的。下面介绍的增益测量方法,只用一些简单廉价的元件器材,既不使用像电子管毫伏表那样复杂的仪表,连简单的万用表也不用,是业余实验适用的办法。

这个方法便是电桥测量法。它只须制作一具单管信号发生器,加用一副2000欧或800欧的耳机即可。它的工作原理如图1。当待测的半导体管低频放大器的输入阻抗R\(_{sr}\)与电桥的其他三臂R1、R\(_{2}\)、R3成下式关系,即
时,电桥达到平衡,此时耳机EJ里无声。而R\(_{sr}\)上的交流信号电压Usr与信号发生器输出信号电压(0.4伏)之间,也就具有如下关系:
由此我们就可以测出信号输入功率P\(_{sr}\),因为
P\(_{sr}\)=Usr\(^{2}\)R\(_{sr}\)。
测出输入功率P\(_{sr}\)后,再用类似方法(以下说明)把放大器的输出功率Psc测出来,那么我们便很容易把功率增益A\(_{p}\)求算出来,因为
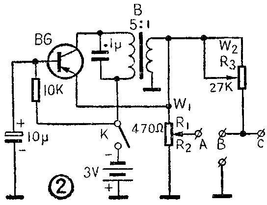
首先要照图2制作一具低频信号发生器,所用的半导体管BG,可用任何一种国产PNP型低频管或高频管。变压器B可用3∶1或5∶1的。这里使用市售5∶1的半导体管收音机用小型输入变压器,电源使用3伏干电池。当变压器初级并联的谐振电容为0.1微法时,可以得到约为1千赫的音频振荡频率。这时测得初级交流电压有效值为2伏,次级为0.4伏。这是由于半导体管振荡器的集电极电压利用率很高(接近100%),如图3所示。在振荡器一旦起振后,正负峰之间振幅可达6伏,故有效值为
U=\(\frac{6V}{2}\)\(\sqrt{2}\)≈2.1V≈2V。
电位器W\(_{1}\)用1千欧以内的,W2用47千欧以下的。振荡器制成后如图4所示,这时电阻R\(_{1}\)和R3之值可以直接在度盘上分度画出来。

例如,现要测量图5所示放大器的功率增盆A\(_{p}\),共分两个步骤:
(1)测输出功率,定W\(_{2}\) 将图4信号发生器的C端与图5放大器的D端相连,两个接地端也用导线连接起,再将耳机接于A与E之间,F端接地。将W1旋动臂置于中点,调整W\(_{2}\)至电路平衡(耳机无声),此时输出电压Usc=0.2伏,那么输出功率P\(_{sc}\)则为
P\(_{sc}\)=(Usc)\(^{2}\)R\(_{sc}\)=(0.2V)2;8Ω=5mW
若调W\(_{2}\)时耳机始终有声,则将E、F两端对调后再测即可。
(2)测输入功率 W\(_{2}\)保持第一步状态不变,将耳机改接至A、B两接线柱上,调W1至电路平衡(无声),此时便有下列关系成立:
输入交流信号电压U\(_{sr}\)则为
∴U\(_{sr}\)=R2R\(_{1}\)+R2·(0.4V)=R\(_{2}\);470Ω·(0.4V);
输入功率P\(_{sr}\)则为
P\(_{sr}\)=(Usr)\(^{2}\)R\(_{sr}\)=(0.4V470Ω)2·(R2)\(^{2}\)R\(_{3}\)·R2;R\(_{1}\)=(0.4V470Ω)2·(R1·R\(_{2}\));R3。
那么功率增益A\(_{p}\)=PscP\(_{sr}\),据此就可以得出来了。
也可将U\(_{sr}\)直接画在W1的刻度盘上,这样便免去了这一部分的计算。
曾以此法对一具半导体管收音机的最后两级进行测量,所得数据如下:
P\(_{sc}\)=(Usc)\(^{2}\)R\(_{2}\)=(0.2V)2;8Ω=5mW=5×10\(^{-}\)3W;
P\(_{sr}\)=(Usr)\(^{2}\)R\(_{sr}\)=(11mV)2;2.3K=52.5×10\(^{-}\)9W=5.25×10-8W;
A\(_{p}\)=PscP\(_{sr}\)=5×10\(^{-}\)3;5.25×10-8=0.954×10\(^{5}\)=95400=49.8分贝
信号发生器工作时,电流测得为1.5毫安,故耗电极省,用两节五号钢笔电池,整个装置可制成一个便携式的小盒子。(景新)

