在单线有线广播中是利用大地作为回线的,因此,做好地线,是很重要的一件事。

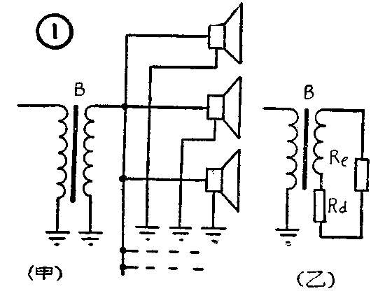
例如一个线间变压器要带200个舌簧喇叭,用一般的并联接法时(如图1),总负荷阻抗是8000÷200=40Ω(每个舌簧喇叭以8000欧计算)。这时如果变压器次级接地电阻为5欧,那么输出功率中有5/40=1/8的功率损失在接地电阻中了。如果喇叭只数再多,接地装置就更应做得考究,接地电阻要求更小。
如果设法使负荷阻抗增大,情形就会大大好转。

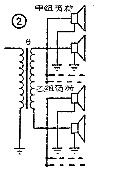
如果把负荷分为两组,串联起来,并把两组负荷分别接在线路变压器次级线圈的两端,如图2所示,这样不但负荷阻抗就可以增大一倍,且省去了变压器处的接地装置。要注意的是甲乙两组负荷的大小要基本上差不多。负荷量相差太大的不能应用这种方法。
同理,这个方法也可以应用于主馈变压器与支线变压器之间(如图3)。当然B\(_{3}\)与B2的规格及它们所带的负荷也要相同。

至于各变压器的次级由于一般都用高压馈电,阻抗较高,故它的接地装置要求不高。
这种网路布置的好处有:
1.提高传输效率,
2.免去变压器接地障碍,便于维护,
3.节约材料。
这种方法也受到一定的限制,例如它的两组负荷的功率和阻抗要差不多相同。这就受到居民点分布情况的限制。

为了配合上述方法,在邮电局的“电话、广播”转换装置也要作适当改变,如图4。