这里介绍一架便于自制的半导体管阻抗测试器,配用南京教学仪器厂的U—1型万用表(灵敏度为1000Ω/V的一种),可以方便地测出线路、喇叭或其他器件的阻抗、地线交流接地电阻等。
一、电路概述:

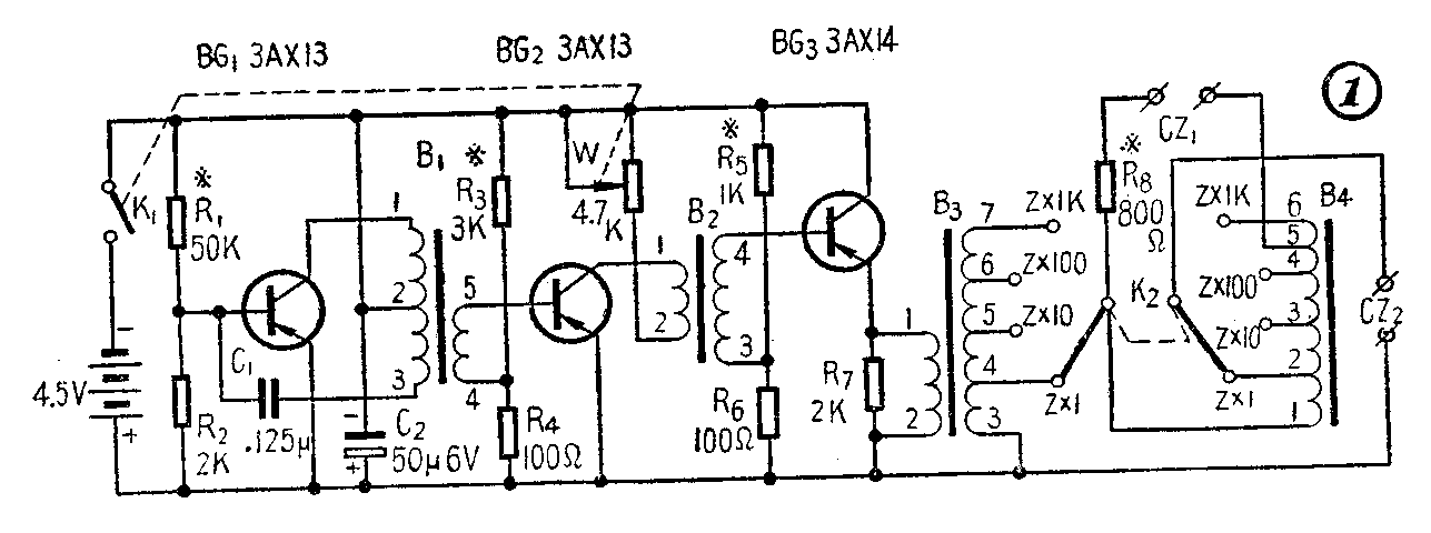
电路如图1,BG\(_{1}\)1等组成1000赫哈脱莱式低频振荡器。频率决定于B\(_{1}\) 2,3端的电感、C1及R\(_{2}\)。BG2作缓冲放大,它除了放大外,还有隔离作用,使振荡频率少受负荷变化的影响。电位器W用来控制BG\(_{2}\)的输出大小,以达到“零欧调整”的目的。BG3为输出级。对这一级的要求是既要能有足够的输出功率,又要使输出电压稳定,避免因输出电压不稳而造成测量误差。因而输出级采用了输出阻抗最小的共集电极电路。
这一电路的最大特点是输出电压是随着负荷而变,否则振荡器的输出功率将要求很大。
电路的另一特点是加一阻抗匹配器B\(_{4}\)。
B\(_{3}\)4、被测元件和万用表的接续情况可画成图2。

另外,由于我们是用万用表的交流“10V”档,而又要从它的欧姆刻度上直接读出所测阻抗,故必须加一匹配器B\(_{4}\),与万用表刻度相匹配。也就是说要使所用的万用表在交流“10V”档的内阻Z1变换成该表欧姆档时的内阻Z\(_{2}\),也就是欧姆刻度的中心值(对U1型来说,Z\(_{1}\)=1000×10=10KΩ,欧姆档时的内阻Z2=24Ω)。因而B\(_{4}\)的1,5端圈数Q1,5与1,2端的圈数Q\(_{1,2}\)之比应是:
\(\sqrt{Z}\)\(_{1}\);Z2……(1)
对于U—1型表来说
\(\sqrt{1}\)0000;24=20.5。
这样,从B\(_{4}\) 1,2端看正好是24Ω,也就是说从Q1,2端看,可看成是内阻为24Ω的欧姆表。
B\(_{4}\)的1,3、1,4、1,6端子的圈数与Q1,2之比依次为\(\sqrt{1}\)0、10、1000。
至于B\(_{3}\)的次级各抽头圈数则可按下列步骤计算:
先量出B\(_{3}\)初级上的电压U0,然后用下列公式计算:
Q'\(_{3}\),4=Q'0U\(_{2}\)Q1,2U\(_{0}\)Q1,5,……(2)
式中:Q'\(_{3,4}\)3次级3,4端圈数,
Q'\(_{0}\)3初级圈数,
U\(_{0}\)3初级上的电压,
Q\(_{1,5}\)4 1,5端圈数,
Q\(_{1,2}\)4 1,2端圈数,
U\(_{2}\)—所用万用表的交流电压量程,这里就是10伏,因Q1,2Q\(_{1,5}\)已知为1;20.5,故上式可改为
Q'\(_{3,4}\)=Q'0\(\frac{10}{U}\)\(_{0}\)×1;20.5=Q'0U\(_{0}\)×1;20.5。
至于B\(_{3}\)的其它抽头的圈数与Q'3,4之比依次为\(\sqrt{1}\)0、10及1000。
这样设计的结果,使欧姆数可直接用万用表上的欧姆刻度读出。
二、调整与运用:
1.振荡器部分:调整R\(_{1}\),使BG1的集电极电流至1毫安左右,如果频率与1000赫差得很远,可改变C\(_{1}\)的容量。改变R3,使BG\(_{2}\)的集电极电流为3毫安左右;改变R5使BG\(_{3}\)的集电极电流约为10毫安左右。
2.测量准确度的调整:将万用表放于10V交流档,将表笔插于CZ\(_{1}\)中,将CZ2短路,关闭K\(_{1}\),接通电源,调节W(零调整),使表针指于零欧(即交流10V)处。然后将一个24欧的标准电阻接于CZ2,调整R\(_{8}\),使电表表针指于24欧处。如无24欧电阻,也可用240Ω、2.4K或24K的标准电阻,不过K2要放至相应位置。
使用时,只要将万用表两表笔插于CZ\(_{1}\),将万用表放至交流“10V”档,将CZ2短路,调W,使表针指于零欧。之后就可进行测量了。
三、主要元件数据:
B\(_{1}\)2\(_{3}\)4的铁心都用心柱宽1.2厘米,叠厚1.2厘米的硅钢片。B\(_{1}\)的初级圈用41号高强度漆包线,1,2端绕1310圈,2,3端绕1310圈;次级用38号线绕542圈。B2初级用37号高强度漆包线绕700圈,次级也可用38号高强度漆包线绕1050圈。B\(_{3}\)初级用37号高强度漆包线绕480圈,次级3,4端用29号高强度漆包线绕98圈,4,5端用36号线绕222圈,5,6端用38号线绕670圈,6,7端用44号线绕2120圈。B4的1,2端用29号高强度漆包线绕26圈,2,3端用36号线绕164圈,3,4端用38号线绕520圈,4,5端用44号线绕790圈,5,6端用44号线绕850圈。
由于采用了高强度漆包线,且使用电压都较低,故层间可不衬纸乱迭绕。
四、用其他万用电表时的设计
本测量器是设计配用南京教学仪器厂生产的U—1型万用表的,如果使用其它规格不同的万用表,要作相应改变。
(1)如果所使用的万用表有交流“10V”档,欧姆中心刻度也是24Ω,但灵敏度高于1000Ω/V的话(例如2000Ω/V),只要简单地在CZ\(_{1}\)上并联一适当的电阻,使万用表交流“10V”档的内阻为10000Ω即可。并联的电阻R可用下式计算:
R=\(\frac{R}{_{b}}\)Rb-1000×10\(^{4}\)(欧)
式中R\(_{b}\)为所使用万用表的每伏的欧姆数。
(2)如果所用万用表的交流量程、灵敏度、欧姆刻度中心值都与上述U—1型的不同,则B\(_{3}\)的次级抽头和B4的各抽头都要重新计算。
首先按式(1)算出B\(_{4}\)的Q1,5Q\(_{1,2}\)的圈数比,然后按式(2)就可算出B3的3,4端圈数 Q'\(_{3,4}\)。其中B3的初级圈数(480圈)可不变。其他圈数可以按量程比来计算。(张昌景)