一些较精密的电子仪器,常常需要一相当稳定的直流电源。但是,只经过整流和滤波的直流电流往往是不稳定的。实际上造成直流电流输出电源不稳定的原因很多,诸如交流电压的变化,滤波性能不良,负载变化等等。这就要求有一种稳压装备。电子稳压器就是一种简单的,较理想的稳压装置,所以电子稳压器的应用日益广泛。
稳压器的两个重要参数
评价稳定器的好坏是有一定指标的。其中最重要的一个参数是“稳压系数”。所谓稳压系数就是当稳压器的负载电流为一定时,其输入电压的变化量与输出电压变化量之比,常以字母S表示。稳压系数越大越好。稳压系数越大,稳定度就越高,稳压器的稳压性能也就越好。电子稳压器的稳压系数是很高的,一般在几十到几千之间,甚至可达几万。稳压器的另一重要参数是电源内阻。内阻常以字母R\(_{i}\)来表示。它的定义是:当稳压器的输入电压一定时,输出电压的变化量与负载电流之比。电源的内阻越小越好。内阻越小就说明稳压器的稳压性能越好。电子稳压器的内阻是比较小的,其值从几十欧姆至几个欧姆,甚至更小。
简单的稳压方法

并联电阻法:用调节并联电阻的办法,可以达到稳压的目的。在图1中,假设输入电压u\(_{1}\),因某种原因有所增加时,输出电压u0亦作相应增加。如果适当减小并联电阻R\(_{1}\)的阻值,则流过电阻R1的电流就会增加。由图1可知,流过电阻R\(_{0}\)的电流是负载电流I0和流过电阻器R\(_{1}\)的电流I1之和。由于I\(_{1}\)的增加,将使流过电阻R0的电流增加,因之在电阻R\(_{0}\)上产生较大的电压降,此电压降恰好抵消输出电压u0的增加。反之,如果因某种原因使u\(_{0}\)降低了,适当的增加R1的阻值,就能补偿u\(_{0}\)的降低。如上所述,根据电压的变化,改变并联电阻R1的阻值,可以起到一定的稳压作用。

串联电阻法:应用串联电阻也可达到稳压的目的,其原理如图2所示。负载电阻R两端的电压u\(_{0}\)为输入电压u1和负载电流I\(_{0}\)在电阻R1上的电压降之差,即u\(_{0}\)=u1-I\(_{0}\)R1。如果由于输入电压u\(_{1}\)的变化致使u0发生变化,那么我们可以想办法使乘积I\(_{0}\)R1作相应的变化,就可使u\(_{0}\)保持不变。例如u1增加了,我们使I\(_{0}\)R1作相应的增加;若u\(_{1}\)下降了,我们使I0R\(_{1}\)作相应的减小,以保证u1-I\(_{0}\)R1为一定值。实际上,使I\(_{0}\)R1作相应的变化,就是使R\(_{1}\)作相应的变化。从而,适当调节电阻R1的阻值,就能达到稳压的目的。
稳压器的原理线路
用上述调节并联或串联电阻的办法来稳定电源的输出电压,实际上是不可能的。这是因为输出电压的变化有时是很快的,用人工调节电阻的办法是赶不上的,另外也不可能设置专人去调节电阻。因此,为达到稳压目的,须采用新的元件和新的线路来完成。

稳压管的稳压线路:图3是用稳压管组成的简单的常用稳压线路。图中R为负载,G为充气稳压管,R\(_{0}\)为限流电阻。R两端的电压是需要稳定的。此线路的稳压作用与图1的并联电阻法的相同,只是此处用充气稳压管代替了并联电阻R1。充气稳压管的电离强度与两端电压有关系,电压愈高,电离强度愈强,反之亦然。另外,电离强度强时电阻小,强度弱时电阻大。充气稳压管的这种特性正好满足并联电阻稳压电路的要求。它的稳压过程是这样的;在图3中,当输出电压略增时,稳压管的电离强度略强,稳压管的内阻减小,流过稳压管的电流I\(_{1}\)就略增,使流过电阻R0的电流增加,在R\(_{0}\)上产生略大的电压降,从而抵消了输出电压u0的增加。同理,当输出电压u\(_{0}\)下降时,亦能迅速地得到补偿,从而使输出电压稳定。

电子管稳压线路:图4为电子管稳压线路。图中G为电压调整管,它与负载电阻R相串联,电阻R\(_{1}\),R2组成分压器,使电子管G的栅偏压为负值。其工作原理如下。
因某种原因输出电压u\(_{0}\)增加时,由于R1R\(_{2}\)的分压作用,G1的栅偏压比u\(_{0}\)未增加以前更负一些,这样,将使三极管的内阻增大,从而,在三极管G上的电压降增大,而抵消了输出电压u0的增加,保证了输出电压的稳定。同理,当u\(_{0}\)减小时,G的栅偏压比u0未降低前较正,致使G的内阻减小,G上的电压降亦减小,从而补偿了u\(_{0}\)的降低。很显然,这种稳压线路的工作原理与串联可变电阻的稳压原理是一样的,但这里是用电子管进行自动调节,完成稳压作用的。
实际的电子稳压器
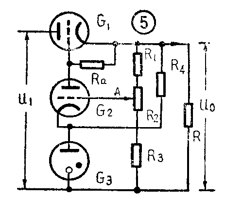
上述的稳压线路,虽然能起到一定的稳压作用,但对某些精密仪器和设备来讲,仍然不能满足要求,这就要求较高级的稳压线路。图5就是常用的电子稳压线路。它的工作过程说明如下。

当输出电压u\(_{0}\)增加时,电位器R2的滑动点A的电压也增加,故使电子管G\(_{2}\)的栅负压减小,G2的屏流增加,R\(_{a}\)上的电压降增大,这样将使电子管G1的栅负压增加,使其内阻增大,造成在G\(_{1}\)上有较大的电压降,以补偿u0的增加。反之,输出电压下降时,同样可以得到自动补偿。
此线路中,三极管G\(_{1}\)为电压调整管,是电子稳压器的重要组成部分,它一般工作在栅偏压为负值的情形下,此管的内阻越小越好。其内阻越小,稳压效率也就越高,有的稳压器为了得到较大的负载电流,常常将几只电子管并联使用。电子管G2为直流放大管。此管的放大系数越大越好,放大系数越大,稳压器的稳压系数也就越高。有些较高级的电子稳压器,为了提高稳压系数,往往加几级直流放大。充气稳压管G\(_{3}\)在此处的作用,是为了补偿由R1,R\(_{2}\),R3分压后产生的正偏压,以保证直流放大管的栅偏压为负值。稳压管G\(_{3}\)上的电压叫作基准电压,此电压在可能的范围内越大越好。此电压越大,线路的稳压效果也就越好。(玉戈)