上期介绍了用两只低频管组成复合半导体管制作收音机来复放大级的方法。用复合管来作低放级,效果也很好。一般用单个管作低放时,如果低频管的β值较小(例如β为10左右),要获得较大的总增益,通常须连续装置好几级才行,手续麻烦,且工作不易稳定。在这种情况下,采用复合管就很适宜,因其电流增益比单个管约大β倍,故单级放大即可得较大增益,这样就可减少放大级数,从而节省了级间耦合的元件如电解电容、电阻、级间变压器等,既降低制作费用,装置起来也很简便。

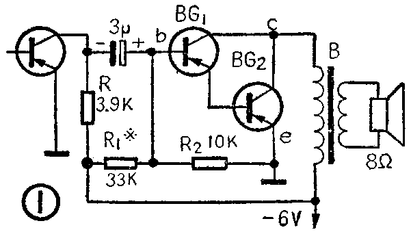
由于复合管的共发射极输入阻抗比单个管约大β倍。对于β为10左右的低频管来说,单个管的共发射极输入阻抗约为几百欧,按图1接成复合管后,输入阻抗约为3千欧左右。这就有利于级间采用阻容耦合。因为当级间采用电阻电容耦合时,前级放大管的负载阻抗即为前级管集电极负载电阻R与后级输入阻抗的并联值,当后级放大管的输入阻抗增大后,就使此并联阻抗增加,能够和前级放大管的输出阻抗达到更好的匹配,从而提高了前级的增益。此时前级集电极负载电阻R可用3K~10K的,以与复合管输入阻抗的提高相对应。当所用管的β较大时,R取大些,β较小时,R取小些。此外,因输入阻抗的提高,耦合电解电容也可用得小些,如1~3μf,这又可降低制作费用。图1的电路是一个实际的例子,用两个3AX1(П6A)接成复合管作输出级,每个管的β约为9~10。调整偏置电阻R\(_{1}\)使总集电极电流为7~9毫安(此时BG1集电极电流约为0.6~0.9毫安),总放大增益远较用单个管为大,接在来复高放级之后,采用市售8:1式输出变压器,配用8欧扬声器,放音非常响亮。

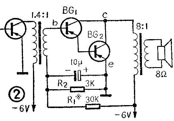
当采用变压器作级间耦合时,输入变压器的初次级圈数比根据所用管β值的不同可从1:1到2:1。图2为一实用电路,复合管仍由上述两个3AX1管构成,实验表明,其效果同样很好。
构成复合管时,BG\(_{1}\)应采用集电极穿透电流(即基极开路时发射极与集电极间的电流)较小的管。(之江)