(王惠)我是一个印刷工人,过去没有上过几年学。参加工作后,通过上业余学校,现在有了一定的文化。近几年来,我用部分业余时间学习无线电技术,为的是能结合用到工作和生产上。现在学到的知识还很少,但对一个老工人来说,这也只有在今天才能办到。我们工人的脑袋并不天生是笨的,而是在吃人的旧社会里,我们根本没有求知识的权利和机会。到了新社会,在共产党和毛主席的英明领导下,工人阶级当了国家的主人,我们才有广泛求知的自由天地。下面介绍的,是我使用袖珍型万用电表(南京教学仪器厂产品)的改进经验,内容很简单,提供给大家参考。
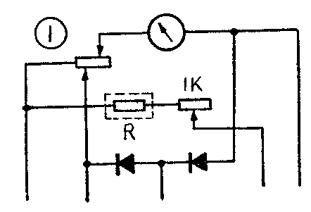
1.这种电表的电阻测量档,经过一段时间的使用,电池电压还不低于1.5伏,它的R×1一档,正负表笔短接时,往往指针就调整不到零欧了(按照说明书电池电压低至1.3伏还可用)。从电路图上分析,可见它的零欧调整器是在电阻档中专用的电位器(阻值为1千欧)。它的阻值稍低,对表头的分流作用较大,表内电池电压稍低一点,表头就难以达到满刻度。因此在电路中再串联上一只电阻,减小它的分流,当然就加大了流过表头的电流,这样问题不就解决了吗?根据指针达不到零欧的距离,在电路中加接了一只220欧的电阻R(图1),结果当电池电压为1.5伏时,零欧调整器两端都有余裕,当电压降低至1.4伏以下时,R×1档还可正常应用。

2.这种电表用来测量电阻时,只有R×1和R×100两档,测量500欧左右和50千欧左右的电阻,难以精确,而200千欧以上的高值电阻,根本无法测量。针对这些缺点,我在表外加接一只R×5和R×500的附加器(图2、3),解决了问题。制作方法很简单,仅用电阻两只,插孔三个,和电池夹一起装在一块层压板上。电池夹有铜片或无锈铁片制作都可以。表笔可用旧圆珠亳杆改制。对于电池,因为使用机会不多,有半导体收音机的,可随时利用机内电池。如有条件,可用9节小电池装成R×10或R×1000两档,使用就更方便了。


附加器的用法,在用R×5档时,可将负表笔插入附加器的×5孔,并将电表调到×1档;在用R×500档时,可将负表笔插入×500孔,并将电表调到×100档。
电阻的配用,×5档的电阻R\(_{1}\)是根据电表×1档的表头中心阻值(即表针指向中心)为24欧,因此24欧×4=96欧。这就是电压增加4倍,分压电阻也增加4倍。×500档电阻R2的计算道理相同。电阻配用是否合适,可以下法检验:当四节电池电压在5.8伏时,零欧调整器旋转起来,两端还有余地即为适宜。