(古承运)近来我国医疗上采用电针灸日见增多。这里介绍的一部电子式电针灸脉冲发生器,结构简单,容易制造,可供一般医疗工作者,尤其是针灸科医疗人员试验时参考。本文介绍的仅是电子线路的设计,关于临床治疗上的剂量等问题,例如脉冲重复频率的选择等,需由医学研究决定,本文未作具体介绍。 (编者)
目前,针灸大夫已有不少采用电针灸方法治疗疾病的,即在两枚针针之间加上低频脉冲电压,以增强疗效。一般所用电针灸器多似蜂鸣器,靠电磁铁簧片的交替吸引和释放,使电路不断地接通和切断。在电路接通和切断的瞬间,回路中存在着很大的感应电动势,此电动势迅速地按指数曲线下降,因而形成指数形尖顶脉冲电压(其波形类似图3中的U\(_{B}\)),它的峰值很高,但有效值很小。所以把它加在两枚针针上时,对神经系统有较强的刺激作用,但不会灼伤细胞。这种针灸器的缺点是不易调节,特别是簧片振动不稳定,致使电压峰值忽高忽低,很不方便。
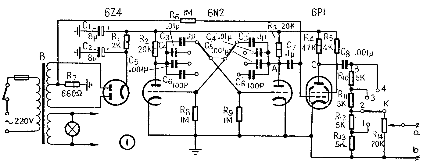
这里介绍的电针灸脉冲发生器克服了这一缺点。脉冲电压是由电子管电路产生的,输出电压非常稳定,调节起来也很方便。它的电路见图1。

电路由电源、多谐振荡器、电压放大器、微分电路等四部分组成。由电子管6Z4,变压器B以及C\(_{1}\)C2、R\(_{1}\)等组成整流滤波电路。电子管6N2、电容器C3,C\(_{3}\)′;C4,C\(_{4}\)′;……以及电阻R2、R\(_{3}\)、R8、R\(_{9}\)等组成对称的多谐振荡器,产生图2所示的矩形脉冲电压(关于多谐振荡器的原理,见本刊1965年第6期“电子开关”一文)。多谐振荡器所产生的矩形脉冲的周期T(见图2)由C3、C\(_{3}\)′(或C4、C\(_{4}\)′,……)和R8、R\(_{9}\)决定。当C3=C\(_{3}\)′,R8=R\(_{9}\)时,周期T正比于C和R的乘积。在本电路中,R8、R\(_{9}\)是固定的,其值为1MΩ。脉冲重复频率由电容器来决定。图中C3、C\(_{3}\)′为0.1μf时,所对应的频率约为2赫;C4、C\(_{4}\)′为0.01μf时,频率为20赫;C5、C\(_{5}\)′为0.001μf时,频率为200赫;C6、C\(_{6}\)′为100pf时,频率为2千赫。


电子管6P1作电压放大用,放大后的电压波形如图3的U\(_{c}\)所示。
微分电路由C\(_{8}\)、R10~R\(_{14}\)组成。由于这一网路的时间常数远小于多谐振荡器所产生的矩形脉冲的周期T,矩形脉冲经过这一网路后,产生显著的畸变,其输出波形如图3中的UB所示,这便是治疗上所需要的尖顶脉冲电压波。
波段开关K是用来粗调输出电压峰值范围的,电位器R\(_{14}\)是用来微调输出电压的。
在输出电压峰值一定的情况下,C\(_{8}\)与输出电压有效值有很大关系。C8过大,则有效值太大,患者有灼痛的感觉;若C\(_{8}\)过小,则有效值太小,患者感觉不到。经我们多次试验认为C8在500pf~1000pf之间为宜。
输出的脉冲电压并不是正负向完全对称的。这是由于电子管6P1导通和截止时它的内阻不同的缘故,以致负向脉冲幅度比正向脉冲幅度大,即输出中含有直流分量。输出端的b点(接地点)是这一直流分量的正极。如把这样一个含有直流分量的脉冲电压加到两枚针针上时,输出电压稍稍增大或者作用时间稍长,则在接b端的针针附近微有灼痛感觉。我们认为b端最好不联到针针上,而接到导体棒上,让患者握在手中,端点a用导线联到针针上,接a端的针针可以是一根,也可以是几根。
有时不希望将脉冲电压加在手与某一穴位之间,而需要加在某一穴位与其他穴位之间。这时b端的接线就不应握在患者手中,而是在接线末端接以纱布电极,纱布电极用电解液(如生理盐水)浸湿,敷于穴位上。纱布电极的做法是在导线末端焊接一金属网,金属网的两面均敷上几层纱布(纱布的面积稍大于金属网,长宽各为几厘米即可)。
脉冲重复频率的选择,要在临床使用中摸索。我们认为20~200赫时的疗效最好。在治疗一般疾病时,输出电压粗调开关放在第二档已够用。
使用方法:首先把针针刺入穴位,然后将针针与输出端联接,将输出粗调置于第二档,微调旋至最小,开启电源三分钟后,旋微调电位器R\(_{14}\),逐渐增大输出电压,直到患者感到穴位附近有附近有舒服的轻微麻木的感觉为止。如果旋至最大,患者仍无感觉,可将微调电位器旋回零点,再将粗调开关拨至第三档,然后慢慢旋转微调电位器,逐步增加输出电压。