(王德元)含有垃圾或微粒铁屑的脏油,在高压电场的作用下,能变成清洁的油,这是因为高压电场能使油内的杂质失去电子而带正电,牢牢地吸在过滤片的负极上,从而达到过滤目的。这里介绍的过滤设备就是利用这一原则制成的。它在20分钟左右的时间内,能把混浊的机油澄清,并可以装在流动车上,巡回过滤各机床油槽中的机油。
过滤设备由低压整流(G\(_{1}\)),高频振荡(G2),倍压整流(G\(_{3}\)、G4)及过滤箱等部分组成。其电路如图1所示。

电源变压器B\(_{1}\)可用一般六灯收音机的。为了防止高频电流进入电源,在振荡管G2的屏路中,串接了高频阻流圈ZL和电容器C\(_{5}\)组成的滤波器。倍压整流器G3、G\(_{4}\)所需的高频高压,是由振荡管G2产生的高频信号经过高频变压器B\(_{2}\)升压后而获得的。整个倍压整流器电路作为振荡器的负荷。振荡频率取决于L2和C\(_{4}\)。G3和G\(_{4}\)的灯丝电压由高频变压器降压而得,以降低对电源变压器绝缘性能的要求(因为倍压整流管灯丝电位就是输出直流高电位)。灯丝电压的大小,在未插上1Z11电子管前,可用电子管电压表测量之。移动L1,L\(_{5}\)线圈的位置,可调得所需灯丝电压(1.2伏)。
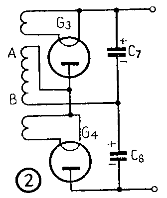
倍压整流部分:1Z11作高压倍压整流。假设在第一个半周中,A点为正(图2),整流管G\(_{3}\)导电,电容器C7充电,电容器两端的电压逐渐上升,直至与电源电压最大值相近。在第二个半周中,B端为正,整流管G\(_{4}\)导电,电容器C8充电,也几乎充到与电源电压相近为止。因为C\(_{7}\)与C8是串联的,C\(_{7}\)与C8两端的直流电压为两电容器上电压之和。经C\(_{7}\),C8的充、放电过程,在负荷上,就可以得到较平滑的直流电源。

高频变压器制作:低压整流、高压整流和振荡器,只要选择适合的电子管和电路是比较容易解决的。困难的是高频变压器的制作,在高湿高温地区尤其如此。为此,采用绝缘性能好,介质损耗角小的有机玻璃作线圈骨架比较理想。直径40毫米骨架芯子是用1毫米厚的有机玻璃板加温后成形的,在接缝处用氯仿溶剂胶牢。直径80毫米线圈组间夹板是用2与4毫米厚的有机玻璃板各5块,车制后套在40亳米芯子上的。每档间隔为3.5毫米,逐块套入,用上述溶剂胶牢。为防止击穿,在绕制前,骨架必需经过清洁处理。其步骤如下:(1)汽油清洗,(2)酸洗,(3)自来水冲洗,(4)蒸镏水清洗,(5)烘干。线圈导线最好采用单丝漆包多股编织线,以提高Q值。高压部分采用分段绕法,以降低每段电压,绕组数据及外形如图3所示。高频高压部分的引线应尽量短。线圈出线头,应牢固在4毫米有机玻璃板的外圆上。线圈绕好后,在未浸渍之前,先接入电路测试,证实数据无问题后,再拆下放入烘箱烘干。然后作浸渍密封处理,直到内部完全注有绝缘漆为止。烘干时温度不能太高,以免影响骨架变形。

过滤片及过滤油箱:过滤油箱可制成需要的尺寸,但不宜过大,一般为60×50×38厘米左右。外框及内夹档用硬聚氯乙烯板制作。夹档上钻有10毫米孔径的过油孔数只。夹档与外框应紧密焊接,不得渗油。油路及油箱略图见图5。工作时,用油泵作循环过滤,直至清洁为止。过滤片用1毫米厚硬铝板作,板上过油孔径为8~10毫米,两边角上剪去一小方块,其中一角铆上焊片,以备引线用(图4)。片间绝缘采用15毫米厚硬聚氯乙烯板(图4,C)。过滤片上下平行,油孔交叉,每组滤片22片(阳11,阴11),垫上绝缘板,用聚氯乙烯棒串好后再焊接。接线采用绝缘强度较高的塑料线或在塑料线外加套塑料管(不能使用橡皮线,以防橡胶变质劣化)。过滤片应恰好装入箱内,不能松动太多,两组滤片串联。电子管G\(_{2}\)、G3、G\(_{4}\),高频变压器及高压电容等,都装在有机玻璃板上,远离底板,上下接线可在有机玻璃板上钻孔引出,高压输出引线采用高压电缆线。滤油片每半月清洗一次。

