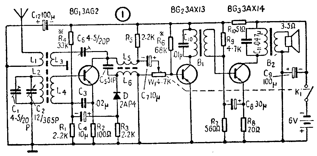
这里介绍的三管机,是合肥无线电厂工人同志们在双革运动中革新改进制成的普及型半导体机,电路结构为一般三管再生来复式电路,改进主要在于高放再生来复级上,电路图如图1所示,内容特点如下:

1.高放管BG\(_{1}\)的发射极回路中,串联有电阻R2,构成电流负反馈回路。试验证明,这对整机灵敏度影响很小,而整机的噪音和失真度却有很大改善,特别是工作稳定性提高了。这是因为3AG2是高频管,其截止频率很高(f\(_{a}\)>20兆赫),当在作来复后第一级低放时,工作频率只有几个千赫,故增益颇高,容易造成放大器自激。而此管同时又兼任高放和再生,通常为了提高整机灵敏度,再生控制都调节到接近于临界点,可是当外界条件一旦发生变化时(如环境温度、电源电压变化等),就会彼此影响,形成过强的正反馈,破坏了正常工作特性,这就是一般来复式机常见的一个弱点。
现在将R\(_{2}\)与发射极串联,就增大了输入端的基极电阻,将可能稳定工作的频率范围缩小了,相对地提高了放大器的稳定性能。同时R2还起到热稳定作用,防止半导体管集电极电流随结温升高而增大的恶性循环。
2.高频阻流圈采用双回路电感电容混合交连,使在整个频率范围内高低两端的耦合系数趋于一致,并减少了传递损耗。大家知道,一般再生回路都呈容性阻抗,所以它对频率响应是不一致的,频率越高,阻抗越小,再生电流就越强,同时调谐回路的谐振阻抗也随频率的增高而变大,这就引起了接收频率的高端增益大,低端增益小。为了提高低端的增益,我们把作为高放负载的高频阻流圈的初级L\(_{5}\)电感量定在3.5~4.5毫亨,由L5与再生电容C\(_{6}\)、集电极电容Cc以及C5、L\(_{8}\)等一部分交连分布电容,组成另一个谐振回路,使这回路的谐振频率控制在约400~500千频以内(但须注意不可落入接收频率范围以内,否则会引起某端啸叫和增益偏高等不良现象)。在回路Q值不太高的情况下,利用在谐振点处近波道的增益大于远波道的原理,使535千赫端的增益获得提升。一般用高频阻流圈对磁性天线之间的耦合松紧来提升低端增益的方法,经不起强烈振动,效果有时不能令人满意。
半导体二极管的反向电流是同温度成正比的。为了减弱检波二极管D由于环境温度变化所引起对再生回路反射阻抗的变化,以改善稳定性和失真度,这里采用了高阻抗电感(L\(_{6}\))输入及低负载(R3)输出的方法。C\(_{5}\)对频率高端起补偿作用。据实测,这种电路的检波效率不次于倍压检波,但可节省少用一只二极管。
主要元件数据
磁性天线 见图2所示,用M4型φ10×160毫米磁棒,在内径为φ10.5毫米的塑料硬管(亦可用绝缘纸管)上,L\(_{2}\)用7×0.07毫米单丝漆包线密绕51圈。L4、L\(_{3}\)和L1均用φ0.29毫米漆包线分别密绕4、2和16圈。L\(_{2}\)如图示位置时电感量为240微亨,Q≥90,绕成后须经涂蜡防潮处理。

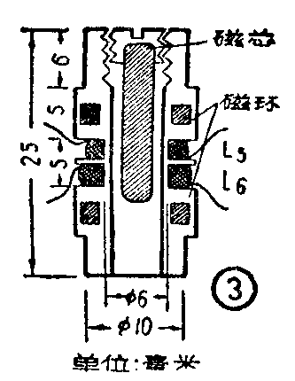
高频阻流圈3图3为剖面图,用φ0.07毫米高强度漆包线绕在直径为 6毫米的磁心塑料骨架上,L\(_{5}\)在上端为450圈,L6在下端为550圈,L\(_{5}\)加可调磁心后,电感量可在3.5~4.5毫亨内调节。

低频变压器 输入、输出变压器铁心规格见图4。在半软性聚乙烯绕线骨架(也可自制纸骨架)上,输入变压器初级用φ0.12毫米漆包线绕2000圈,次级用φ0.15毫米漆包线绕500圈。输出变压器初级用φ0.23毫米漆包线绕640圈,次级用φ0.45毫米漆包线绕80圈。绕组均采用平层乱绕法,级间各垫0.07毫米厚的电话纸二层绝缘。制成后须经清漆侵渍处理。

本机对各半导体管的要求并不十分严格,工作点电流及可代用管如下表所列。在图1中,有·记号的R\(_{4}\)、R6和R\(_{9}\)分别是各级调整半导体管工作电流的偏流电阻,圈中阻值为参考值。在调节半可变瓷介电容器C6时,应调到距再生临界点前5°~10°之间处,以防环境温度降低时引起再生啸叫。若发现接收频率低端再生过强,这可能是阻流圈与磁性天线发生耦合,可将L\(_{5}\)两个线头对调一下,或两者远离。还有,输出变压器亦不应与磁性天线距离太近,否则也易产生低频嗡声。
按照本电路改进的三管机,根据数十台样机的测试,灵敏度不劣于3.5毫伏/米;选择性在l兆赫时,偏调±10千赫衰减大于14分贝;环境温度 10°~40℃,电源电压4.5~6.5伏,均无啸叫现象。 (合肥无线电厂供稿)
级别 半导体管 可代用管 β值 集电极电流
BG1 3AG2 3AG1,3AG11~13 ≥30 0.8~1.1毫安
BG2 3AX13 3AX1~3 3AX72 ≥20 2~3毫安
BG3 3AX14 3AX3~4 3AX71 ≥50 16~19 毫安