问:半导体收音机低放级间变压器的圈数比是怎样确定的?市售多种圈数比,怎样选用?
答:在一般发射极接地放大器中,半导体管的输入阻抗很小,只1千欧左右,而输出阻抗很大,有几十千欧,如果二级放大器直接联接,则前级的负载阻抗太小,增益不高,加了级间变压器以后,就可将下级较低的输入阻抗转变为前级所需的较高的负载阻抗。圈数比的确定和选用需根据电路要求而定,一定程度内,圈数比大一些,负载阻抗较高,较接近于管子的输出阻抗,功率增益较高,但不失真输出功率要减小。圈数比小一些则反之。因此在信号较小的前级放大器中,圈数比可用得较大一些,例如3~5:1,而在作功放激励级的末前级放大器中要求输出稍大的功率,圈数比宜选用小一些,例如2~3:1。在要求较高的情况下,最好根据所用管子的特性进行计算并实验调试修正。
问:高频阻流圈的种类很多,怎样选用?
答:选用高频阻流圈首先应使电感量和允许通过的电流符合电路的要求。高频阻流圈本身的分布电容愈小愈好,以免高频旁路,减弱阻流的作用,分段绕制的则分布电容小。高频阻流圈的直流电阻希望小一些,以减少音频或直流的损失,带有磁心的则圈数可以少绕,直流电阻也较小。在有高压的电路中,高频阻流圈的绝缘电阻要求高一些,其中管架用高频瓷和胶木粉等材料做的就比用纸管做的要好。在半导体再生来复收音机中用的高频阻流圈,要求不高,各种制品基本上都可用。
问:容量较大的电源变压器(例如六灯机用的)用于小功率收音机(如二、三灯机),对电子管寿命有无影响?
答:可能灯丝电压过高。因变压器的灯丝线圈是按额定的灯丝电流流过灯丝线圈降落一定的电压而在负载上恰好为6.3伏的电压而设计的,如果负载不足,灯丝电流比额定值小得多,则变压器灯丝线圈中的降压减小,而加到负载(即电子管灯丝)上的电压升高。电子管的灯丝电压在6.3伏上下可允许10%的变化,如果超过正的10%,当然是不允许的。若是不超过而在正的公差范围内,虽然也可用,但电子管容易衰老。因此最好加一点降压电阻,使到达电子管灯丝的电压保持在6.3伏(或者略小一些也可以)。这降压电阻可以用普通的塑料接线绕成空心的螺旋管线圈来制成,其长度可根据实际情况试验确定。
高压也可能过高,但这容易解决,只要适当加大滤波电阻就行,或者在整流管的阴极串接一只几百欧的电阻。
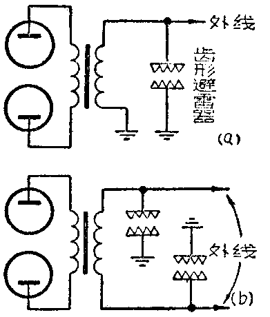
问:我站广播线上装的真空避雷器,规定是在350伏跳火,扩大机输出电压仅240伏,为什么装上去就有跳火现象呢?究竟用哪种避雷器较好?
答:广播扩大机输出电压240伏,指的是有效值,它的最大值是有效值的1.41倍,即338伏,音频信号实际还不是正弦波,它的峰值就会超过350伏,因此真空避雷器装上就跳火了。

在广播线路上使用真空避雷器是不太合适的。它有以下缺点:(1)价钱高,打一两次雷就会损坏。(2)跳火电压过低,在广播时跳火,使扩大机处于过荷状态,而且会干扰转播收音机和附近收音机。目前广播站在广播干线上和用户线上多使用齿形避雷器,它的好处是:(1)售价低,避雷可靠,多次打雷还能使用。(2)跳火电压高(600~1000伏),广播时不致跳火。它的安装方法和其它避雷器一样,图a是单线广播线的装法,图b是双线广播线装法。
一般市售避雷器的跳火间隙往往太大,用时应调整间隙距离使不大于0.2~0.3毫米。广播专用的避雷器事先已调整好,就不必再调整了。
问:本刊1965年第12期“自制小型变压器 ”一文中介绍的输出变压器绕制数据是配合多大阻抗扬声器的?
答:输出变压器次级绕100圈是配合8欧扬声器用的,如配用3.5欧扬声器,次级可绕45圈。