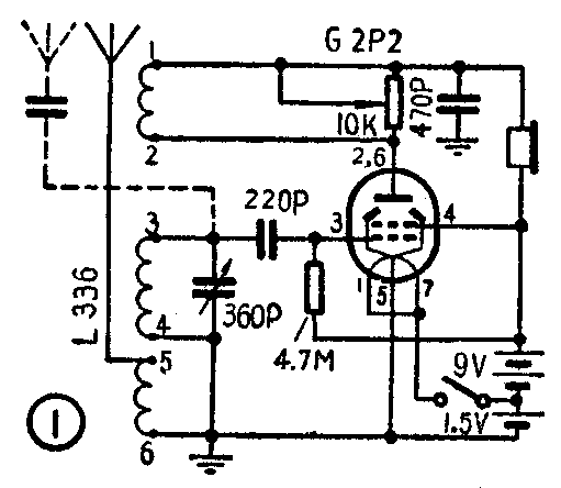
336是再生式三回路线圈,其再生圈是按使用较高乙电压时设计的。用于9至15伏的低乙电收音机中,起不到应有的再生。怎样把这种线圈用到低乙电再生机中去呢?加绕再生圈固然是一个办法,但比较麻烦。下面的两种336线圈的用法既简单,效果也好。

一、336的初级圈数较多,可以把它作为再生圈使用,原来的再生圈可用作天线圈(图1)。原来的再生圈也可空着不用,天线则通过一个数十微微法的固定电容器跟调谐圈直接交连(如图中虚线所示)。这种用法用于单管机中非常相宜,效果令人满意。

二、在多管低乙电再生机中,可把336的天地圈与再生圈串联后作为再生圈(图2)。由于天地圈已用作再生圈的一部分,天线即可通过前述的固定电容器跟调谐圈相接。如果再生过强,可把初级酌量拆去一些,随拆随试。

338线圈本是单调谐、双调谐两用矿石机线圈,包括338A(双回路)和338B(单回路)两个独立的线圈。把这两个线圈接成图3所示的再生线路,效果比336还要好,再生非常平稳。线圈的装置如图4所示。如果再生不足,可把两线圈纸管的端部用剪刀剪去一些或用砂纸磨去一些,以使调谐圈和再生圈靠近一些。由于线圈的距离可以调节,再生就有可能调到最佳状态,这是可贵的优点。具体调整再生的方法是:把电位器旋至中间,调节两线圈的距离使再生最强又不发生啸叫为止,可以多找几个电台试试,然后再把两线圈的距离固定。(元彬)
