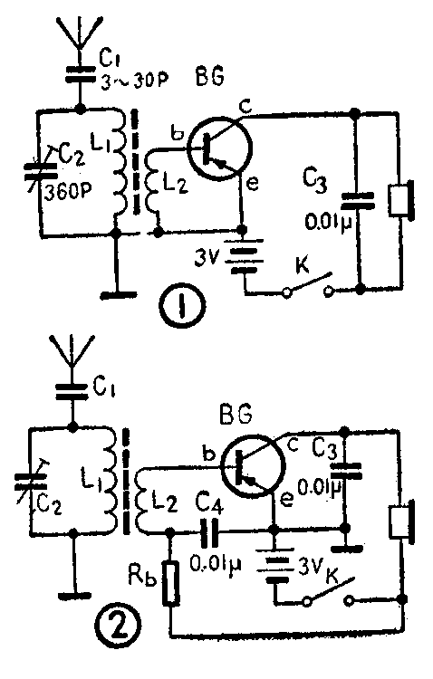
一般半导体收音机都是利用二极管检波,用三极管进行放大。利用半导体三极管发射极和基极间的单向导电作用也可以进行检波。图1就是半导体三极管的检波电路。这个电路粗看起来和放大电路没有什么不同的地方,但是一般共发射极放大电路基极是接有负偏压的,这里基极和发射极都与电池的正极相连接。当高频信号负半周加到基极上时,基极偏流增大,集电流也跟着增大。当信号正半周加到基极上时,使发射结上加上一个反向偏压,这时集电极电流被截止,也就是说高频信号只有半周能够通过集电极,从而完成了检波作用。发射极和基极间加入小量的正向偏压(0.1伏左右)对提高检波效率是有好处的,图2就是这样的电路,可通过R\(_{b}\)调到检波作用最好的一点,集电极电流约调到0.2~0.5毫安。检波后输出的音频成分流过耳机,高频部分被C3所旁路。C\(_{4}\)为高频旁路电容,可用0.01微法左右。半导体三极管可用高频管。耳机可用直流电阻800欧的。如下面再加一级放大,那么代替耳机的检波负载电阻可用2~10千欧。检波的增益随三极管β值的大小而定,一般有10倍左右。

三极管检波器的输入阻抗比较小,约为600~1000欧。
三极管检波的失真较大,在小信号输入时因发射极和基极间的检波特性曲线起始段是弯曲的,要产生失真,中等信号输入时工作于直线部分,失真较小,当输入信号较大时,虽然发射极和基极间的检波是直线性的,但放大输出的集电极电流可能落入非线性区域,所以检波输出的失真也比较大。(秋吟)