最近由于某种需要,要求以最简单的办法来取得高压,以供小型示波管需用,笔者曾以6H2(6X2П)小型双二极管,在不增加原有电源变压器负载的情况下,试作倍压整流,取得1000伏以上的高压,经过一段时期运用,情况满意,特介绍给读者参考。

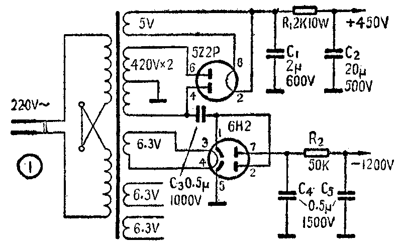
图1是试用的倍压整流实际电路。图中5Z2P整流部分是设备原有乙电源供给部分,倍压整流的电源是从变压器次级高压绕组的一端和中心抽头之间取出,经过6H2管倍压整流得来,电路简化如图2。它的工作原理是和半导体收音机中常见的倍压检波电路一样的,特点是利用普通收音机电源变压器,便可取得高于峰值两倍的电压,即2E\(_{MAX}\)=2×ERMS×1.4。因此从一只次级线圈为350伏的变压器上,就能取得2E\(_{MAX}\)=2×350×1.4=980伏高压。这里我用的是半边绕组为420伏的变压器,所以能够获得1176伏的高压,满足了示波管5SJ38第二阳极的需要,电流约为一毫安。这一电路也适合作为其他小型示波管装制的简易电子示波器或简易电视接收机的高压电源之用。

根据电子管手册数据,6H2管最大屏极反峰压为450伏,现在在双二极管1、2脚通电源的一端串联有一只0.5微法1000伏油质电容器(C\(_{3}\)),然后接在420伏交流电源上,所以问题不大。要考虑的是阴极与灯丝之间的绝缘问题,这里灯丝电源采用独立的6.3伏绕组而不接地,同时6H2的内部屏蔽(第6脚)也不接地,以避免引起击穿。这样运转下来,结果十分满意。(征笛)