问:有些收音机的电源滤波器中,整流管阴极接300欧电阻再半电压加到功放管屏极,这样小的电阻对滤波作用并不大,有何用处?
答:由于功率管的电流较大,这个电阻不可能用得很大,否则降压太大,故只能在几百欧。由于功率管可以允许较大的波纹电压,对滤波的要求不高,即使不加这电阻也可以,当然加了一点电阻对滤波总有些好处。但这电阻还可以起另外的两种作用:第一是滤波电容C\(_{1}\)可以用得大一些,以改善滤波。即使开机时充电电流较大,这电阻可以保护整流管;第二是整流电压若稍嫌高时,经过这电阻的少数降压后加到功放管就合适了,可以用来调整电压。

问:要将交流电压220伏降成6.3伏供灯丝使用,用电容器降压是否比电阻降压经济?怎样计算电容值?
答:要从220伏降成6.3伏,用电阻降压时电阻需要很大的瓦特数,价钱贵,体积也大。用电容器降压,可以用比大功率线绕电阻价廉的电解电容器,但是电容器只有几种标称值,不能像电阻那样可以精细调整,不易选配到所需的数值,并且容量不很稳定,经过一段时间容量变化后,就会使灯丝电压产生较大的变化,损坏电子管。若用其他优质的电容器价钱仍较高。所以一般还是以用一只降压变压器来取得灯丝电压为合适。
降压电容器的计算公式是
C=\(\frac{I}{_{f}}\)2πf\(\sqrt{E}\)2-E\(_{f}\)\(^{2}\)×106微法
式中E为电源电压,单位伏;E\(_{f}\)为灯丝电压,单位伏;If为灯丝电流,单位安;f为电源频率,单位赫。使用电解电容器时需要用两只容量比所需值加倍的电容器正对正极或负对负极串联起来,以消除极性。
问:一般电解电容器都有些漏电,在欧姆表上量得的电阻,大于多少千欧才算好的?漏电电流和那些因素有关?
答:电解电容器的漏电电流与环境温度、电容量及工作电压等有关,上述几项增大时漏电电流也增大。工厂规定漏电电流应不大于下列公式算出的数值:I=KCU+m,……微安。式中K为常数,在20°±5℃时大型电解电容器为10-4,小型电解电容为0.2,而当温度为60℃时K也几乎增加了3倍。C为电容量,单位微法。U为额定工作电压,单位伏。m为附加数,8~50微法的大型电解电容器为100微安,小型的为3微安。
用欧姆表测量漏电电阻时(应该用电表的正极即黑色表笔接电容器的正极,电表负极即红色表笔接电容器负极),其测出的欧姆值随电表的电池电压有些差异。 一般大型电解电容器测出在1兆欧以上和小型的在200千欧以上就可以了。(以上金朗答)
问:电池式收音要开关只关断甲电不关断乙电,对收音机有无影响?
答:对收音机的本身没有什么影响,因为没有甲电时,电子管的灯丝不发射电子,没有屏流产生,收音机仍然处在不工作状态。但是电池式收音机的乙电正负极之间一般并联有一个大容量的电解电容器,如果它的漏电流较大,就将会使乙电长期放电,缩短电池的寿命。因此有的收音机上采用双刀单掷的电源开关,将甲乙电池同时切断,这样纵使长期接着乙电,也能防止电解电容器漏电的影响。
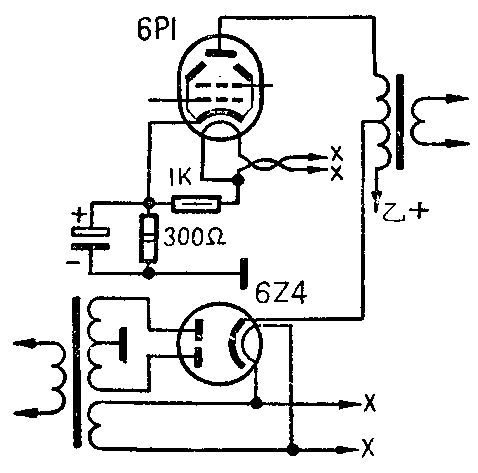
问:上海牌160—A收音机末级管6P1的阴极与灯丝间跨接的1K欧1/2瓦电阻常常烧毁是什么原因?
答:这种收音机为了消除交流声,电子管的灯丝回路用绞线连接,没有接地,并且通过这个1K欧电阻接到阴极,使灯丝电位较地为正,如附图所示。这个电阻平时是没有电流通过的,但是由于整流管6Z4和其它电子管共用一档灯丝电源,当整流管的阴线之间的绝缘不好,产生漏电的时候,便有漏电流通过1K欧及300欧两个电阻到地。因为1K欧电阻的散热功率较小,所以首先发热烧毁。将整流管更换,这个毛病便可以免除。(以上徐疾答)

问:TY250/1000扩音机选择音源用的播音盒,唱片与话筒合用一条输出线,使用时唱片声音比话筒大得多,每逢讲话与唱片变换时都得转一转旋钮,很不方便。另外只有一部电唱机,换唱片也不方便,有什么办法解决呢?
答:播音盒内唱片输入端有一75千欧和一250欧电阻组成的衰减网络,如图甲(参阅“国产有线广播设备(TY250/1000)”一书第18页)。如唱片声音嫌大时,可把250欧的电阻改用100欧左右的,可通过试验决定,使放唱片时控制台上的电表挥动比讲话时略小一些即可。

如要加装另一部电唱机,可用图乙的装法,电位器就装在电唱机木盒上,电位器下面的一个接头接在隔离线上。加装电位器后,就可以用电位器调节唱片音量,上面所说的播音盒内的电阻就不必更动了。(方锡答)