三、计算公式、方法及举例
为了便于全面了解和比较前述两种配接方法,现分别叙述于后:
(一)阻抗法
1.扩音机输出变压器(或线间变压器)的标称阻抗的计算公式与举例。
变压器的结构形式有多抽头式的和多圈式的两种,如图1。

图1(A)多抽头绕组的任意两抽头间的阻抗ZX的计算式为:
Z\(_{X}\)=(\(\sqrt{Z}\)高-Z\(_{低}\))\(^{2}\)=Z高+Z\(_{低}\)-2\(\sqrt{Z}\)高×Z\(_{低}\)(1)
式中Z\(_{高}\)为阻值高的抽头阻抗;Z低为阻值低的抽头阻抗。
例1:求图1(A)变压器8欧与16欧两端子间的阻抗?
解:Z\(_{x}\)=16+8-2×\(\sqrt{16×8}\)=24-22.6= 1.4欧。
如图1(B),多个绕组中任意两组的串联阻抗Z\(_{y}\)的计算式为:
Z\(_{y}\)=(\(\sqrt{Z}\)1+Z\(_{2}\))\(^{2}\)
= Z\(_{l}\)+Z2+2\(\sqrt{Z}\)\(_{1}\)×Z2(2)
式中Z\(_{1}\)、Z2为被串联绕组的两个阻抗。
例2:求图1(B)变压器两个125欧绕组的串联阻抗?
解:Z\(_{y}\)=125+125+2×\(\sqrt{125×125}\)=250+2×125=500欧。
如果有3个绕组串联时,可分两次计算,求得其串联阻抗值,即先求两个绕组的串联阻抗值,然后再求剩余绕组与已求绕组(用已算出的串联阻抗表示)相串联的总串联阻抗。
2.扬声器的配接计算公式。
扩音机的输出端子有很多个,100欧以下的是低阻抗输出,供扬声器连接线很短(如50~100米以内)的情况使用,如会场扩音等;100欧以上的各接头,输出电压比较高,称为高阻抗输出,系供扬声器装设在较长线路上,为了减少线路功率损失,保证扬声器音量情况下使用,如用在工厂、学校、部队的各部门和城镇街道内的扩音等等。在这种情况下,每只(或每组)扬声器须安装线间变压器。
(1)低阻抗输出情况:
设放音机额定功率为P\(_{机}\),扬声器的实得功率(一般等于其标称功率)为P扬,阻抗为Z\(_{扬}\),则这只扬声器应该接的机器输出端子(即抽头)的阻抗Z机,可用下式计算:
Z\(_{机}\)=P扬×Z\(_{扬}\)P机(3)
例3:某会场一部50瓦扩音机,抽头阻抗如图2,接入25瓦16欧和10瓦8欧高音喇叭各一只,计算该两只扬声器应接的抽头阻抗。

解:①25瓦扬声器应接的抽头阻抗Z\(_{机}\)为:
Z\(_{机}\)=\(\frac{25×16}{50}\)=400;50=8欧
②10瓦扬声器应接的抽头阻抗Z\(_{机}\)为:
Z\(_{机}\)=\(\frac{10×8}{50}\)=80;50=1.6欧
由此可知,25瓦扬声器应接机器的0与8欧端子,10瓦扬声器可接8与16欧端子(见例1,该两端子间的阻抗为1.4欧,很接近1.6欧)。两只扬声器总的实得功率约为25+10=35瓦,已占50瓦扩音机额定功率的70%,故不必加接假负载了,连接情形如图2。
当扬声器总额定功率小于机器额定功率的70%时,需要接假负载电阻来吸收这一定功率,使扩音机达70%功率输出。设假负载电阻吸收功率为P\(_{假}\),则其阻值R为:
R=\(\frac{P}{_{机}}\)×Z机P\(_{假}\)=P机×Z\(_{机}\);0.7P机-P\(_{扬}\)(4)
例4:某440瓦扩音机只接一只10瓦8欧的扬声器。问应如何连接?
解:10瓦扬声器应接的抽头为:
Z\(_{机}\)=\(\frac{10×8}{40}\)=2欧
因机器8欧与16欧两端子间的阻抗为1.4欧,接近于2欧,故可接该扬声器接在这两个端子之间(注意扬声器实得功率这时稍小于10瓦)。由于本机器的负载太轻,应接一假负载电阻。设该电阻接于250欧高阻抗端子,则其值应为
R=40×2500.7×40-10=10000;28-10=\(\frac{10000}{18}\)=556欧
故假负载电阻可用500~600欧的线绕电阻,其功率容量选择比实际吸收功率大2倍,则需18×2=36瓦(可用40瓦的),如图3。

(2)高阻抗输出情况:
高阻抗输出线路的计算,在确定扩音机所接输出端子(线路愈长,传送功率愈大时,应选更高的阻抗端子)和扬声器后,主要是计算确定线间变压器的规格(初次级的阻抗和功率容量)及连接。一般选择功率容量(P变)等于扬声器的实得功率(P扬),次级抽头阻抗应等于扬声器阻抗。初级抽头阻抗Z初由下式确定:
Z\(_{初}\)=P机×Z\(_{机}\)P扬(5)
式中的P\(_{扬}\)是接于该变压器次级扬声器的实得功率,一般等于变压器的功率容量P变。如果P\(_{变}\)大于P扬,譬如10瓦扬声器用25瓦变压器,只要仍满足初、次级阻抗比不变,也可应用。
例5:某40瓦扩音机的高阻输出(250欧)广播线上,要装10瓦8欧扬声器两只,和5瓦6欧一只,手里只有10瓦线间变压器,求应如何连接变压器。
解:10瓦扬声器用的线间变压器,初级阻抗Z\(_{初}\)为:
Z\(_{初}\)=\(\frac{40×250}{10}\)=10000;10=1000欧
5瓦扬声器用的线间变压器,初级阻抗Z\(_{初}\)为:
Z\(_{初}\)=\(\frac{40×250}{5}\)=10000;5=2000欧
故得10瓦扬声器采用10瓦变压器,其阻抗比是1000欧:8欧;5瓦扬声器变压器阻抗比是2000欧:6欧(5瓦或10瓦变压器均可用,但不能小于5瓦)。线路连接如图4。

(二)电压法
这种计算法的主要特点,是运用P=\(\frac{U}{^{2}}\)Z的公式,把不同功率的定阻式机器和线间变压器(按阻抗标志的)各端子的输出阻抗值和扬声器的音圈阻抗先换算成相对应的电压值列成表格(如表1、表2、表3),或者直接注明在设备上(对于定压式机器和用电压标志的线间变压器当然不必换算)。这样,在连接扬声器和变压器时,基本上可以不用计算,只要通过查表确知扬声器额定电压等于或不小于机器和变压器某两个端子的额定电压,并核对扬声器总的实得功率是在机器额定功率的60%到70%的范围内后,即可按“电压对口径”原则进行连接。这时应当注意的是扬声器总的实得功率不应大于机器额定输出功率;每只扬声器的实得功率也不应大于它本身的额定功率(对于一只扬声器来说,其实得功率取决于所加电压的高低);如果扬声器总的实得功率太小(低于机器额定功率的60~70%),应按前法接上假负载电阻。
例6:按照电压法连接例3的机器与扬声器。
解:首先查表1、3,把机器输出阻抗和扬声器阻抗用电压值标明,即50瓦扩音机在4、8和16欧各端子与0端子间的额定输出电压分别为:14.14、20和28.3伏;扬声器10瓦8欧的额定电压为8.94伏,25瓦16欧的为20伏,而后,按照“电压对口径”原则,知道0和8欧端子间的电压为20伏,可接25瓦16欧扬声器;8欧和16欧间的电压为28.3-20=8.3伏,接近于8.94伏,可接10瓦8欧扬声器如图5。

例7:某40瓦会场用扩音机欲接四只12.5瓦8欧扬声器,问如何连接。
解:如果每只扬声器按额定功率送电,共需12.5×4=60瓦,比扩音机电力多20瓦,造成机器严重过负载,因此有必要降低扬声器工作电压,使每只功率降至10瓦以下。由表3知扬声器工作电压应由10伏降为8.94伏(或按公式计算U=\(\sqrt{P×Z}\)=10×8=\(\sqrt{8}\)0=8.94伏)。
另外,40瓦机输出端子的阻抗值由表1可查出(图6)。按照“电压对口径”原则可有两种接法:一种是每二只串联接于0和8欧端子间;另一是将四只并联接于8和16欧端子间(电压为25.3- 17.9=7.4伏)。

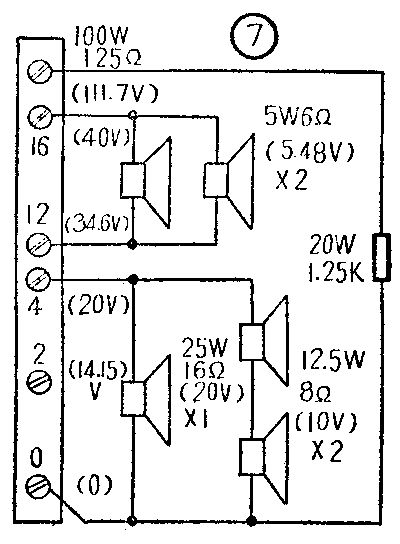
例8:某公社会场100瓦扩音机,要带高音喇叭25瓦16欧一只、12.5瓦8欧二只和5瓦6欧二只,问如何连接。
解:①先查表1把100瓦机各端子的阻抗标志换成电压标志,即2欧(14.15伏);4欧(20伏);12欧(34.6伏);16欧(40伏);125欧(111.7伏)。
②其次查表3把各扬声器的额定电压标出,即25瓦16欧(20伏);12.5瓦8欧(10伏);5瓦6欧(5.48伏)。
③最后,检查扬声器总额定功率是否达到机器额定功率的70%,以便确定是否使用假负载。在这里扬声器总功率为25+12.5×2+5×2=60瓦,这个数值小于100×O.7=70瓦,故应接假负载。假负载电阻器的吸收功率为70-60=10瓦,设接于125欧高阻端,则它的电阻值为
R=\(\frac{U}{^{2}}\)P=(111.7)2;10=\(\frac{12500}{10}\)=1250欧。
故假负载电阻应选10×2=20瓦、1250欧规格的线绕电阻器。
根据上述查表了解与计算后,即可按“电压对口径”原则连接扬声器如图7。

例9:某工厂院内安装高音喇叭25瓦16欧两只和12.5瓦8欧三只,用100瓦扩音机125欧高阻端输出,问采用什么线间变压器和如何连接。
解:①先查表1把机器的阻抗标志换成电压标志,即125欧(111.7伏)。
②其次查表3找出扬声器额定电压,即25瓦16欧(20伏),12.5瓦8欧(10伏)。
③最后查表2求出变压器规格:(1)25瓦线间变压器是次级16欧(20伏),初级500欧(111.7伏),即500欧:16欧,或111.7伏:20伏。(2)12.5瓦线间变压器是次级8欧(10伏),初级1000欧(111.7伏),即1000欧:8欧,或111.7伏:10伏。
④核对功率,扬声器总实得功率为25×2+12.5×3=87.5瓦。因已达到机器额定功率(100瓦)的70%,故不必再接假负载。线路连接如图8。(林汝雄)
