煤炭灰分(简称煤灰)主要由硅、铝、铁等组成。对各种煤而言,煤灰中三氧化二铁(以及其他含铁物质)占有一定的比例,虽然它只占整个煤灰组成的10%左右,但它是铁磁性物质,磁导率很高,而其他灰分的磁导率都很低(接近于1),因而煤炭的磁导率在很大的程度上能反映煤炭的含灰量。我们如果把装满煤样的试管插在线圈内,由于线圈的自感量与线圈心内所填介质的磁导率有一定关系,从线圈电感量的变化,就能间接测出煤样的含灰量。这里介绍的煤炭含灰量测量实验就是根据这一原理而做的。
所用仪器主要由振荡器、电子管电压计、电源等三部分组成。电路如图1所示。

振荡器 由石英晶体X和电子管G\(_{1}\)组成5兆赫振荡器。屏极负载是由线圈L0和电容C\(_{0}\)(C1+C\(_{2}\)+C3)组成的并联谐振电路。振荡器的频率主控元件为石英晶体X,它相当于一个品质因数Q很高的谐振电路,这样可使振荡频率极为稳定。
电子管电压计 由检波器、阴极输出器和直流差动放大器等三部分组成。
电子管G\(_{2}\)(6H2)的左半部担任检波工作,检波器负载R7和R\(_{0}\)(包括R2~R\(_{6}\))上的直流电压接近于被测高频电压的振幅。输出电压经R0分压后,经开关K接至电子管G\(_{3}\)(6N1)右半部的栅极上。G2的右半部是作接触电位平衡用的。G\(_{3}\)是一个阴极输出器,这样可以使整个电子管电压计有足够高的输出阻抗,以免被测量部分的阻抗变化对电压测量的影响。电子管G4(6N1)的两个三极管单元与R\(_{14}\),R15组成桥路,构成一直流差动平衡放大器。电源由对角线P、Q并联馈入,而另一对角线N、O间连接指示微安表。这一电路不但有极高的灵敏度并且工作稳定,电源电压变动所引起的影响,在此线路里,能被自动补偿,因而不会影响指示仪表的读数。电阻R\(_{13}\)是调整电桥静态平衡用的,在没有信号输入时,使指示仪表的指示为零。当有信号自G3的阴极输出加到G\(_{4}\)的栅极时,G4的内阻发生变化,电桥随之失去平衡,从而在指示仪表上给出被测电压值。
电源 经滤波器L\(_{1}\),C8,C\(_{9}\)滤波后的直流电源分两部分:一部分直接供给电子电压计各管(G2、 G\(_{3}\)、G4)的屏极;另一部分经稳压后,专供振荡管G\(_{1}\)的屏极,以求得振荡频率的稳定。稳压器由G6、G\(_{7}\)、G8组成,在稳压器的输出端可得稳定的250伏的直流电压。
测量原理
振荡器的屏极负载是一并联谐振电路。当振荡器的振荡频率与并联谐振电路的固有频率相等时,谐振电路将呈现最大的阻抗,故振荡器输出端有最大的电压输出。谐振电路的固有频率f\(_{0}\)(=\(\frac{1}{2π}\)\(\sqrt{L}\)0C\(_{0}\)1/2)与线圈的电感量和电容器的容量有关系。如果保持电容器C0的容量不变,只改变线圈L\(_{0}\)的电感值,将得到如图2的谐振曲线。由图2可以看出,振荡器的电压输出随线圈电感的改变而变化。仪器就是利用这一关系测量灰分的。把装满煤样的试管插入谐振回路的线圈L0 里,则线圈的电感将发生变化,随之振荡器的输出电压亦有变化。若装入试管的煤样的灰分已知,且将电子管电压计此时的指示值记录下来。这样,煤样的含灰量就与电压计指示值相对应。对含灰量不同的煤样,重复这种测量,就能绘出一条含灰量与电压值相对应的曲线。以后测量其它含灰量未知的煤样时,只要把填满煤样的试管插在线圈里,从电压计的指示值就能知道其含灰量。如果指示仪表的刻度直接用含灰量百分比来表示,那就更方便了。

元件的选择与制作
电阻 R\(_{2}\)~R7为误差小的金属膜或炭膜电阻,经电桥仔细挑选后才能使用。电位器R\(_{13}\),R27要用线绕的;R\(_{9}\)用炭膜的即可;R21、R\(_{22}\)为线绕可调电阻。其他电阻可用一级误差的炭膜电阻。电阻的允许热耗散功率要大于或等于图上所示数值。
电容器 C\(_{1}\)、C3为银云母电容器或具有负温度系数的瓷介质电容或容量极稳定的云母电容器。C\(_{4}\)、C5为耐压300伏以上的云母电容器。C\(_{2}\)为稳定的云母介质或瓷介质半可变微调电容器,C11,C\(_{12}\)为纸介电容器。
线圈 L\(_{0}\)用直径100毫米,长150毫米的高频瓷管作线圈架(不能用木材,纸等做线圈架),用14号漆包线或纱包线在线圈管上绕19圈,线间螺距为4毫米。L1为低频阻流圈,用五灯收音机的即可。
电源变压器 次级6.3伏的绕组共有4组,为的是使6P3P,6N9P,6C5P的灯丝单独供电,而必须单独供电。仪器的交流电源应该稳定,如果电源电压变动频繁或变化较大,应采用磁饱和稳压器稳压。
石英晶体X要用振荡频率为5兆赫的。选择开关K要用绝缘性能好,接筋良好的分线器来做。
整机各部焊接要牢固可靠,尤其是振荡器部分。振荡器部分的接线要用多股的,并且应该尽量短,元件排列要紧凑,同时要避免不必要的反馈。
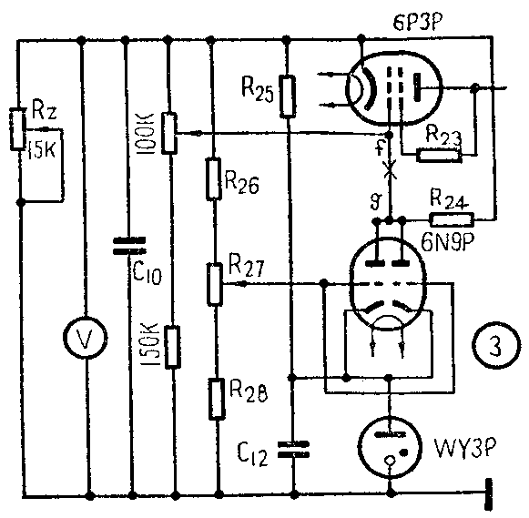
调整
首先调试电源部分。直流稳压电源部分按图3接线,图中100K及150K电阻为调试电阻,R\(_{Z}\)为假负载,先把×处断开,使f、g两点不连。调整限流电流R25,使充气稳压管WY3P的电流为8毫安。然后调整100K电位器使输出电压为250伏,调节R\(_{27}\)使G7的栅偏压为-2.1伏。此时测量f、g两点的电位差是否为零。若不为零,可改变R\(_{24}\)一直到使之为零为止。将100K电位器断开,将f、g两点连接起来,而后观察输出电压是否为250伏。若不等250伏,可调节R27。最后变动输入电压或负载R\(_{Z}\),观察输出电压的变动。当输入电压或负载变化10%时,输出应无明显变化。

其次调整电子管电压计部分。调节R\(_{22}\),使P点对地电压为210伏。调节R13,无高频信号输入时微安表指示为零。从G点输入高频信号电压,以其他标准电子管电压表来校准分压器(R\(_{2}\)~R6)各档的满度电压并在表头上作刻度。l档满度为150伏,2档为200伏,3档为250伏,4档为300伏。这可用调节R\(_{16}\)及R2来完成。
最后调整振荡器部分。在6C5P的屏路和栅路里各串一只毫安表。起初调节R\(_{27}\)使屏压为最低,然后逐渐升高屏压使电子管起振。起振的标志是栅流产生、展流减小。而后慢慢升高屏压,使其达到额定值250伏。当每次使用时,也应该按此步骤来判断电子管是否起振。这里有两点应该注意:6C5P的屏压一定要由低逐渐升高,以免未起振时屏流过大烧毁电子管;调节C2使并联谐振电路的谐振频率略高于石英晶体的振荡频率,这时振荡器才能产生振荡。(玉戈)