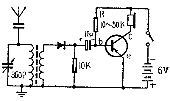
问:一只单管输出的半导体收音机(见图),用2千欧的耳机收听,声音很小,失真很大,而用500欧的受话器收听,声音很满意,这是什么原因?如果要利用这2千欧耳机怎么办?

答:2千欧的头戴耳机,每付二只,其直流电阻共为4千欧,交流阻抗约30千欧。在此电路中,偏置电阻R用得较小,集电极电流较大,因此,电源电压极大部分降落在耳机中,加到集电极的电压很小,工作点很不合适,增益低,输出小、失真大,所以听起来声音不好。换了直流电阻为500欧的耳机后,电源在耳机中的降压不大,集电极电压较高,工作点也合适,于是增益提高,输出增大,失真减小,所以听起来响而好听。高阻耳机本来不适于直接接入集电极电路,最好用直流电阻小于1千欧的耳机。这样,集电极电流可以用得大一些,使电流放大率高一些。如果手头只有高阻耳机而要利用它,可以采取减小集电极电流的办法,使它保持在0.6~0.8毫安,使耳机中的降压减小,而电流放大率也只好小一些。这时偏置电阻R要加大到约200~300千欧,随管子的电流放大率h\(_{fe}\)的大小而异,最好实际调整之。
问:一般电子管手册中所示典型使用值中,屏压250伏是指乙+电压,还是指加在屏极上的直流电压?而在实际使用时屏压只有几十伏到一百多伏,这时电子管的屏流、互导、内阻、放大系数等是否仍然和手册中的典型值一样?

答:手册中所说的屏压250伏是指加在屏极与阴极之间(图中ab点之间)的直流电压。实际应用时,在电压放大器中,由于直流负载电阻R\(_{a}\)很大,在它上面的降压很大,屏压就比250伏要低得多,因此屏流也小得多了。电子管的三参数受屏流变化的影响较大,屏流减小后,互导也减小,内阻则增大。放大系数也略为减小,但变化程度比前二参数要小得多。设放大系数的变化略去不计(即假定为不变),其他二参数可用下式计算:
S=S\(_{o}\)\(^{3}\)\(\frac{\sqrt{I}}{I}\)o,R\(_{i}\)=Rio3I\(_{o}\);I。
式中S\(_{o}\)、Rio和I\(_{o}\)分别为手册中典型状态的互导、内阻和屏流,S、Ri和I分别为实际使用状态的互导、内阻和屏流,而I=\(\frac{乙+-U}{_{a}}\)Ra,式中U\(_{a}\)为实际的屏压,Ra为直流负载电阻。
问:一般扬声器都没有定明高音、中音或低音,应怎样来区别?
答:市场常见的国产扬声器,一般都不是特种的高音或低音扬声器,而是普通的放音频带较宽的扬声器。但是它们对高低音的放声效率随其口径大小等不同而有所差别;纸盆直径较大和纸盒较软的低音较好,纸盆直径较小和纸盒较硬的则高音较好。大致可认为直径130毫米(5吋)以内的高音较为突出,直径165毫米(612吋)~200毫米(8吋)的中音较为丰富,直径在250毫米(10吋)以上的适于放送低音。
(以上金朗答)
问:有些收音机接上天线或用手触着天线插口,声音马上就低下来,应如何修理?
答:这有两种不同的情况,一种是声音低下来之后将调谐电容器重调一下仍能收到原来的电台,这是因为收音机本来是按短天线(拖线)的状态调好的,当接上长天线或人体接触之后,增大了这一端的对地电容,并且从初级反射到次级调谐电路使它失谐,所以声音变小,这种现象在短波段中很常见。另一种情况是调谐后声音仍不能增大,遇到这种情况将天地线圈线端倒接一下,即可解决。(徐疾答)
问:有些成品线路变压器初级阻抗值不够大,如用在Ty250/1000扩音机240伏线路上,配接1~5瓦小电力的动圈扬声器该怎么办?能否在变压器初级线圈串联电阻解决?
答:在变压器初级串联电阻不是个好办法,因为电阻要消耗电力,如果是个别扬声器还可以,如果是成批的扬声器还是应该从线路变压器本身想办法。可以根据扬声器瓦数及扩音机输出电压参考下表数据自己绕制线路变压器。
