半导体管收音机和电子管收音机在自动增益控制(AGC)系统上不同的是,对前者需要提供控制功率,对后者只需提供控制电压。
对自动增益控制的要求是:使放大器的增益随射频信号强度的增加而下降。在半导体管收音机中,为了达到这个目的,可以采取控制半导体管发射极电流、集电极电压或基极电流的方法来达到。由于控制基极电流所需提供的控制功率最小,因而被收音机广泛采用。现在介绍几种最常用的自动增益控制电路。
一、基极电流控制电路
电路如图1所示,被控制级是收音机的第一中放管BG\(_{2}\),控制电流取自检波器的直流部分。电路的工作原理是:设检波管D没有输出,即无射频信号输入,此时第一中放管的直流偏置点由分压器电阻R1、R\(_{3}\)+R5(R\(_{4}\)+RD)R\(_{5}\)+(R4+R\(_{D}\))(RD是检波二极管D的正向电阻)和发射极稳定电阻R\(_{2}\)以及集电极电压Vc所决定,并设此时半导体管BG\(_{2}\)的基极电流是Ib,相应的集电极电流是I\(_{c}\)(=0.5-0.8毫安)。如果有外来差频信号进入中频放大器,则将被二极管D检波。检波以后的脉动中频电流被电容器C8C\(_{9}\)和R4组成的滤波器滤除,音频部分则通过C\(_{1}\)0送入音频放大器,其直流电流ID的一部分I′\(_{D}\)消耗在音量电位器R5上,另一部分电流I′\(_{b}\)将通过电阻R3注入到半导体管BG\(_{2}\)的基极,根据克希霍夫第一定律I′b=I\(_{D}\)-I′D,即为收音机的自动增益控制电流。电流I′\(_{b}\)的方向和半导体管BG2在静态时的基极电流I\(_{b}\)相反(见图1),这是因为检波管D的接法是正向连接的缘故,因此使半导体管BG2的I\(_{b}\)减少,工作点降低,其结果使放大器的增益降低。如果外来射频信号愈大,则I′b也愈大,BG\(_{2}\)管的增益就愈低,反之则增益升高,因而起到了自动增益控制的作用。例如美多28A半导体收音机采用的就是这种电路。图2是图1电路的自动增益控制特性。


上述电路的优点是简单经济,效果较好。当输入信号场强变化26分贝时,收音机的输出电压的相应变化约在5~10分贝之间。缺点是当外来信号很大时,例如在50毫伏/米以上,受控制级有可能被自动增益控制电流截止,趋向乙类放大状态,使放大级产生严重失真。同时,当外来信号愈大时,I\(_{b}\)愈小,受控级的输入阻抗的电阻部分就愈高,使输入阻抗增高,这个阻抗转换到上一级的输出负载槽路后,使槽路Q值增大,则通频带变窄,这是我们所不希望的。
二、二极管阻尼自动增益控制电路

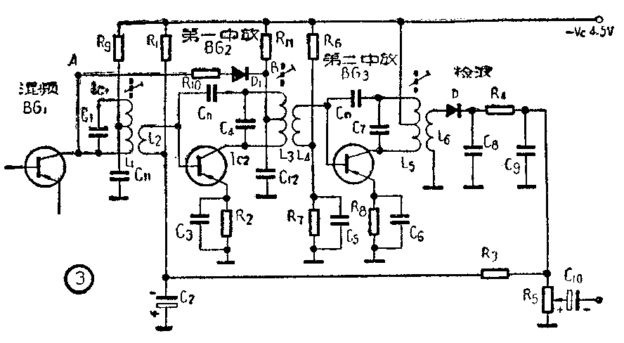
图3电路是图1电路的改进,电路使用二极管D\(_{1}\)的阻尼作用来加强自动增益控制的作用。阻尼电路由R9、C\(_{11}\)、R10、D\(_{1}\)、R11、C\(_{12}\)构成。电路的工作原理是:设外来信号很小,由检波器提供的自动增益控制电流,尚未使第一中放管BG2的集电极电流I\(_{c2}\)有显著下降,此时电路的自动增益控制工作状态和图1电路相似。在电阻R11上的电压降是I\(_{c2}\)·R11,而在电阻R\(_{9}\)上的电压降是Ic1·R\(_{9}\),由于半导体管BG1在小信号下工作且未加有自动增益控制电流,故I\(_{c1}\)·R9可认为基本不变。现设I\(_{c1}\)近似等于Ic2,R\(_{9}\)<R11,则当弱信号时R\(_{11}\)·Ic2>R\(_{9}\)·Ic1,即图3电路中B点电位正于A点,二极管D\(_{1}\)处在反向电势下,可解释为不导电或不通,这时对C1、L\(_{1}\)槽路不起作用。但当外来信号增强,由检波器提供的自动增益控制电流使受控级的集电极电流Ic2减少一个ΔI\(_{c2}\)时,则R11(I\(_{c2}\)-ΔIc2)≤R\(_{9}\)·Ic1,B点电位即出现接近或负于A点电位,二极管D\(_{1}\)趋向导通,当外来信号足够大时,D1完全导通。此时混频器输出的中频信号电流大部分被R\(_{1}\)0和D1很小的正向电阻所旁路。由于R\(_{1}\)0和D1的正向电阻和L\(_{1}\)、C1槽路并联的结果,使槽路Q值急剧下降,混频级的输出负载阻抗大为降低,因而这一级的增益随外来信号的增强而减少,起到了自动增益控制的作用。适当选择R\(_{1}\)0的阻值,可以控制自动增益控制作用强度。选择R9和R\(_{11}\)0阻值的比,可以确定阻尼电路起作用的信号场强。

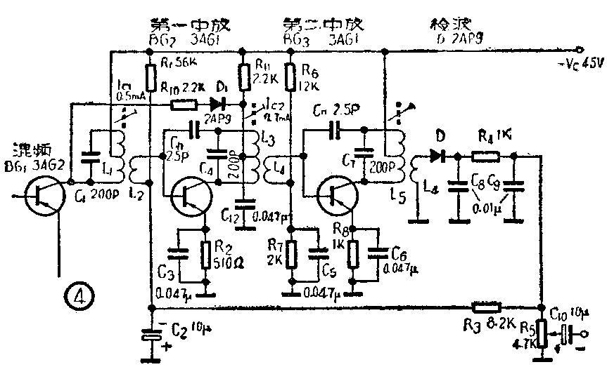
图4电路是图3电路的变型,比起图3电路来少了一只电阻R\(_{9}\)和电容C11,但效果和图3电路相似,常为收音机所采用。例如美多27A半导体收音机即采用这种自动增益控制电路。图4电路的自动增益控制特性如图5所示。这种电路的优点是:当外来信号强度变化26分贝时,收音机的相应输出电压变化在0~4分贝之间,效果很好。另一优点是:随着信号场强的增大,L\(_{1}\)、C1槽路Q值下降,通带变宽,这是我们所希望的。因为只有当外来信号很弱时,才希望有很高的选择性,而选择性和通频带之间有矛盾,这是大家都知道的。还有一个优点是:由于混频级的输出信号电流被二极管D\(_{1}\)所旁路,因之当信号强度相同时,受控级的集电极电流,比起图1电路来,更不易出现截止现象(参见图6),这样就可以减少失真。

三、二极管电桥控制电路

图7a是二极管电桥自动增益控制电路。电桥的四臂由W\(_{1}\)、W2、D\(_{1}\)和C2、R\(_{2}\)、C3组成如图7b,其中W\(_{1}\)=W2,D\(_{1}\)是点接触型二极管,C2、R\(_{2}\)、C3是D\(_{1}\)在交流时的等效电路,R2相当于D\(_{1}\)的反向电阻,C3相当于D\(_{1}\)的势垒和接线电容,C2、C\(_{4}\)是断直流电容器。电路的工作原理是:在起始状态,即输入信号很小,AGC(自动增益控制)电压尚未对二极管D1起作用时,D\(_{1}\)导通情况如图8a点(这可以利用外加电路来达到),这时对信号功率的衰减仅由二极管不大的正向电阻决定,电桥处在不平衡状态。随着输入信号的增加,检波后的AGC电压也跟着增加,二极管D1的工作点逐渐向左移动,当移至图8b点时,适当选择R\(_{2}\)、C3的值,即可使电桥达到接近平衡状态,此时图7b中A、B两端的信号电流将趋向于最小。当电桥完全平衡时,对信号的衰减将无穷大,但实际上这是不可能的,因为当电桥对信号的衰减很大时,AGC电压亦将降低,于是电桥又会趋向不平衡(D\(_{1}\)开始导通),因而电路达到了自动增益控制的目的。

电桥电路宜置于收音机的混频级与第一中放级之间。
电桥电路的优点是:输入射频信号强度变化50分贝时,收音机的相应输出电压几乎不变,如图9所示。另一重要优点是:AGC电压的强度变化对半导体管的直流工作点没有影响,这一点是很有价值的,并且是前述图1、图4电路所无法达到的。它的缺点是:由于二极管D\(_{1}\)的正向电阻串接在下一级中放管的输入端,因而使一部分输入信号功率消耗在D1的正向电阻上。功率增益损失的大小由D\(_{1}\)的正向电阻值和下一级中放管的输入阻抗的比决定,D1的正向电阻愈小则增益损失愈少。另一缺点是:当输入信号很大,电桥趋向平衡时,前级的输出负载将减轻,由C\(_{1}\)、L1组成的槽路Q值将升高,使中频通带变窄,因而采取在槽路两端并联一阻值约数十千欧的抑制电阻R\(_{1}\),这在小信号时无论对增益、选择性都是有损失的。
以上所介绍的三种电路,仅是半导体管收音机自动增益控制电路的一部分。在收音机中,对于较简单的外差式机常采用第一和第二种电路,对于较高级的收音机可采用第三种电路,因为较高级的收音机有足够的增益和选择性,对于电路的固有缺点就不显得重要了。(布谷)