在电子测量技术、自动调节、通信等方面常常要从许多输入信号中,选出所需要的信号。为此,就需要用选频放大器。它能从许多不同频率的输入信号中,选出一组频率极近的信号并加以放大,输送到下一级。根据工作频率分为高频选频放大器和低频选频放大器。高频选频放大器是利用LC电路的频率特性来完成的。超外差收音机中的中放级就是一种选频放大器。这是业余爱好者所熟悉的一种电路。我们在这里主要谈一谈用于低频的选频放大器。
在实际工作中,有时要放大几十赫的低频信号。如应用选频放大器同样可以降低输出端的干扰信号电平。
用在低频的选频放大器,不能用LC电路来完成选频作用。这是因为要装配调谐在几十赫的高品质因数的谐振电路,必须用电感量很大的线圈,这样就要增大设备的体积和重量。因而常用的低频选频放大器多由RC网路和电子管放大器组成。
RC网路的选频作用
图1是较简单的RC滤波器,适当地选择电路参数,可得到较窄的通频带。今设有各种频率的信号进入电路。当较高频率的信号进入电路时,串联臂中的C\(_{1}\)呈现较小的阻抗,只有R1起作用,而并联部分中的C\(_{1}\)所呈现的阻抗也较小,故输出电压较小。当较低频率的信号进入电路时,由于C1呈现较大的阻抗,其大部分电压降在R\(_{1}\)、C1上,因而R\(_{2}\)、C2上的电压就相对地小了,这样,输出电压较小。只有当频率适当时才有较大的输出。但由于这种电路的品质因数不高,故得不到较好的选择性。此电路常用作电子管放大器的正反馈网路。

图2是最常用的而效果较好的选频网路,叫作双T型桥路。在输入端加一定值电压U\(_{1}\)时,输出电压U2是频率的函数。当输入信号的频率为f\(_{0}\)=\(\frac{1}{2πRC}\)时,输出电压为最小。当输入信号的频率高于f0时,两个电容C有较小的阻抗,大部分电压降在R\(_{1}\)上,故有较大的信号电压由电容C和电阻R1组成的支路传递给负载。当信号频率低于f\(_{0}\)时,电容C1呈现较大的阻抗,信号电压由两个电阻R和电容C\(_{1}\)组成的支路传递到负载上去。此网路可用作放大器的负反馈网路。双T型桥路的选频特性如图3所示。
低频选频放大器的实际电路

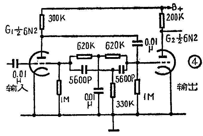
图4是对50赫具有选频作用的放大器。由G\(_{1}\)的输出取出一部分电压通过双T型桥路反馈给G1的栅极,使G\(_{1}\)处在负反馈的工作状态。由于双T型桥路谐振于50赫,故反馈网路在50赫附近的反馈电压为最小,从而G1将有最大的输出电压。而频率高于或低于50赫时,反馈电压比50赫时为大,因而输出电压就小。这样,放大器就具备了对50赫信号的选频和放大作用。(玉戈)