这是一具用半导体管装制的简易阻抗表,是为便利有线广播机线人员经常在农村无电源地区检查测量线路情况需用而设计的。它可以测量耳机、扬声器、低频阻流圈及变压器等的交流阻抗,检查它们有无内部短路,可以测量有线广播线路的负载阻抗(输入阻抗)、用户线的负荷情况以及其他交流阻抗。利用三次测量法,它还可用来测量地线电阻。
这只阻抗表测量分为低阻和高阻两档,低阻为0—200欧,高阻为0—50000欧,能较为准确地测量几欧到上万欧的阻抗值。它的线路结构如图1所示,基本上由两部分组成:一部分是1000赫的交流信号源,包括一级音频振荡和一级乙类推挽电力放大;另一部分是测量电表,实际上是一只交流电压表,但是面盘刻度为欧姆值。全机主要材料是三只半导体管,一般低频三极管如3AX13—14(2Z171—172)或3AX1—5(П6A—Д)等都可以用。两只小型变压器和一只500微安的表头。电源用6伏或4.5伏电池。由于测量时间通常很短,用电很省,用四只五号电池可以缩小体积,如用2号电池,可以用上一年半载不必更换。
工作原理

半导体管BG\(_{1}\)担任音频振荡,其共发射极电流放大系数β值要求大一点,最好在50以上。振荡频率主要由C2、L\(_{1}\)决定。R3和C\(_{1}\)对它也有影响。由于绕组L1的自感量随所用变压器不同,出入很大,而且半导体管的工作状态对频率影响也较大,图1中C\(_{2}\)的数值只供参考,要试验后才能确定。从变压器B1的次级取一个信号电流反馈到BG\(_{1}\)的基极,如果相位和大小都合适(构成正反馈)的话,就发生音频振荡。R3用来控制正反馈的大小,阻值随BG\(_{1}\)的β值而异。R2是偏流电阻,它决定集电极电流的大小,也要根据β值试验确定。
B\(_{1}\)既是振荡变压器,又是末级推动变压器,规格如下:铁心用截面积为8×12或10×10平方毫米硅钢片交插,两个绕组均用0.1毫米(42号)漆包线,初级L1绕1000圈,次级L\(_{2}\)共绕700圈,有中心抽头。
BG\(_{2}\)和BG3组成乙类推挽放大,和一般半导体管收音机的末级完全相同,但管子β值不宜过大。输出变压器B\(_{2}\)初级L3用0.11或0.1毫米漆包线绕640圈,中心抽头。次级L\(_{4}\)的C、D段用0.3毫米(30号)漆包线绕150圈,D、E段用0.13毫米(39号)漆包线绕850圈,硅钢片铁心与B1相同。四刀三掷开关可用小型三波段开关。

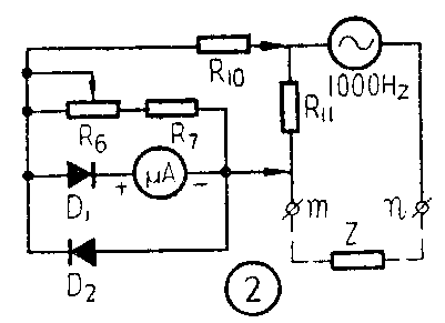
电表部分的工作原理,我们可以把半导体管输出端看作一个交流电源,当开关位于高阻档,得出图2的等效电路,可见电表部分只是一只普通的交流电压表,用来测量R\(_{1}\)上的交流电压。由于干电池日久电压会降低,影响到半导体管的输出,同时半导体管本身也容易受温度影响,输出电压不能保持恒定,要用R6来调整电表零点,相当于万用电表的欧姆调零。这里用的表头是500微安的,内阻约100欧。改用灵敏度较高的电表时,可以适当加大R\(_{9}\)和R10阻值,或者在电表两端并联一只分流电阻,仍旧改成500微安。D\(_{1}\)和D2最好不用氧化铜整流器而用半导体二极管,并且要求正向电阻是小一些的。
当图二m、n两点短接(两表笔相并),电压降全部落在R\(_{11}\)上,可以调整R6使电表指针指到满读度。当m、n间改接被测阻抗分去一部分电压时,R\(_{11}\)上电压降比前小了一些,电表就指示在低一点的地方。可见只要把电表刻成欧姆读数,就可以方便地读出被测欧姆值。不过这里和一般欧姆表也有不同之处。半导体管的负载改变之后,输出电压也跟着改变。又由于半导体管输出电压只有数伏,电表的串联电阻较少,整流二极管D1的非线性影响很大,因此不能用计算的办法来刻度。
调整和表面刻度
第一步先调整偏流电阻,调整推挽级R\(_{8}\)时,要断开BG1(F点)的电源,使推挽级在无信号时集电极电流为2~3毫安。然后恢复接通F点,调整R\(_{2}\)使BG1集电极电流为2~3毫安左右。随后检查推挽级有信号时的直流电流。当把m、n短接后,无论在低阻档还是在高阻档,集电极电流都不要超过25毫安,维持在20毫安左右较为合适。m、n短接开关位在低阻档时,用万用表最R\(_{12}\)上电压应有1伏上下,开关位于高阻档时,量R11上电压应有6~8伏上下。如输出电压不足,集电极电流也不到20~25毫安,说明推动信号不够, 可以适当加大振荡级集电极电流,例如加到3~5毫安或更大一些,但是不要超过8毫安。末级也不要超过25毫安。如电流已达到上述限制值而输出电压仍略低也没有关系,适当改小R\(_{9}\)和R10阻值使电表能满读数就成。
R\(_{3}\)影响到第一级是否能振荡,如不起振,可能是变压器相位不对。试把R3从A点改接到B点,如仍不起振,可以把R\(_{3}\)改小一些。如振荡过强波形不好,可以把R3改大一些。通常如果R\(_{3}\)数值合适,BG1只要有3毫安左右的集电极电流,就可以保证供给末级足够的推动电力了。
其次是调准频率,我们用的是1000赫。如手头上有音频信号发生器和示波器,可以用李沙育图形调整。条件不具备的话,可以用口琴,风琴或钢琴调整。乐器的C调“1”是512赫(中央C),高八度的“i”是1024赫,可以当作1000赫标准。在m、n端接一只扬声器(扬声器上要附有变压器或用舌簧式喇叭)或耳机。一面听扬声器声音,一面听口琴或风琴声音加以比较。人耳对音调是很敏感的,乐器的频率误差也很小,用这种办法能调得相当准确。如频率偏低可把C\(_{2}\)换小,偏高可把C2换大一些。改变C\(_{2}\)后,可能R3和C\(_{1}\)也要跟着调整。
最后进行表面刻度。这一问题不能用计算确定已如上述,因此需要一只标准电阻箱,阻值由0~10000欧。把准备妥当的阻抗表调好零点后,就像用一般万用表一样去量电阻箱各个不同的阻值,记下原来尚未刻度的电表指针位置或电流读数,随后根据记下的欧姆和电流值对照表,把表盘改写成欧姆值就成了,手续很简单。低阻档和高阻档一般不易合用一条刻度,要分开刻度。没有标准电阻箱的话,可以用一只200欧和一只20千欧的电位器,先用可靠的万用表量准阻值,代替电阻箱进行刻度。
R\(_{9}\)、R10、R\(_{11}\)、R12的阻值不要求准确,因为刻度是照标准电阻进行的。如遇到输出电压低,电表调不到头,可以减少R\(_{9}\)和R10阻值。刻度一旦弄好,就要记下这四只电阻阻数,不能随便更换。D\(_{1}\)和D2也同样不能随便更换。本表使用方法与一般直流欧姆表相同,除测量1000赫交流阻抗外,当然也可以用来测量纯电阻的阻值。(梅方)