随着现代无线电电子学的飞跃发展,在国民经济及国防等许多部门。都广泛采用着电子自动控制装置、电子计算技术、脉冲技术等。为了能够实现准确地控制和读数,必须配备有合适的指示装置。以往大多采用仪表指针读数,其缺点是读数误差大,阅读不方便,且由于指针的机械惯性大,使得指示不能快速转换及阅读。近年来鉴于电子计算技术及脉冲计数测量技术的出现,愈来愈多地要求将电信号直接表示为数字的形式。于是,作为这种指示元件的数字指示管得到了飞速发展。数字指示管是依靠色彩鲜明的气体辉光来显示数字的形状。与其它指示元件相比,数字指示管有着许多优点:精确度高,指示明确;亮度高,可在一定距离外清楚读数;数字的显示与消隐迅速;体积小,寿命长;耗电省;显示美观,读数方便,等等。
利用它作为仪表的指示装置,可以直接读出数字、电压、电流、频率、重量、距离以及物质的化学成份等的量度数值。
一、基本原理
约一百年以前,人们就发现在低压气体中的放电会产生辉光现象。数字指示管就是以这一物理现象为基础的。

当在贮有数毫米汞柱压力气体的密封玻璃管中的一对电极上,加以一定的电位差时,可以观察到如图1所示的辉光图象。贴近阴极侧面的是阴极辉光,它与阴极之间由克鲁克司暗区隔开。阴极辉光与阳极之间则为由好些明亮线条所组成的正柱区。阴极辉光与第一根亮线条之间的暗区称为法拉弟暗区。对于一定的电位差来说,线条的位置与间隔主要取决于气体的压力。如果阳极移向阴极,线条的数目会随之减少,但留下的线条位置将相对不变。当阳极移入法拉弟暗区时,放电管中就只有阴极辉光是唯一可见的辉光了。如果把若干个阴极做成不同的数字模样,在适当阴极与阳极之间加以适当的电压,管内气体发生电离,开始着火,产生辉光现象,此时辉光围绕着被选择的阴极数字,同时使字宽增加达4~5倍,于是欲显示的数字就不会因其它数字阴极在前面而变得模糊不清。
二、结构
数字指示管的外形尺寸,主要根据使用要求来选择。从结构上看,数字指示管有端面和侧面阅读式两种,它们各有特点。目前国产的数字指示管多为端面阅读式的(见图2)。管子的阴极彼此紧密地按照一定的顺序叠放在一起。以减少其体积。数字之间以瓷片来加以固定和绝缘。

圆筒形状的阳极包围着数字阴极。其形状及尺寸的选择,尽量满足与所有数字距离的一致性及电场分布的均匀性。
在数字指示管正常工作的期间,有着一种叫做阴极溅射的现象。也就是说:阴极材料会从各个阴极表面上溅散出来,并沉积在电极结构的其他部分和玻璃壳上,使玻璃壳发黑,会降低字样的能见度。此外,当字样后面的玻璃壳覆有溅射的材料时,更会因反射而造成讨厌的影像。为了阻止阴极溅射的物质淀积在玻璃壳上,在管子的端面加一金属网与阳极相连接,以减少阴极溅射物过多的淀积到玻璃壳端面影响读数。
管子的阴极,根据使用者要求,可以做成任何适当的、需要的形状。例如它们可以是数字、字母或者符号等。其尺寸可由管子的尺寸决定。阴极的厚度及宽度都比较小,因此有较小的表面积。同一管内的阴极数目,可以按照管子的用途及需要来确定,但最多不能超过16个。否则将使阴极之间的相互影响加重及过多地增加管子的尺寸。适合于用作阴极的材料比较多。例如:不锈钢、铝、镍、钼等。其中用钼作阴极的管子,工作电压低、寿命长、运用最广。
三、可靠性与寿命
数字指示管的寿命主要决定于阴极材料的溅射速率。溅射作用会削弱阴极的机械强度,最终导致损坏。此外,阴极材料淀积在管内的绝缘物上,也会造成短路故障。由于部分沉积在玻璃壳上的溅射材料很易觉察,因而,这是一种判断管子寿命的有效标志。为了增进整体装置的可靠性,当发现上述情况时,及时换管。
管子的寿命也取决于阴极转换的工作循环。可能出现的最坏情况是持续地专门使用某一阴极。在这种情况下,管子寿命仅为全部阴极正常转换下的一半左右。
倘若电路条件许可的话,数字管的阳极电压也可以使用未滤波的半波整流电源。其时,管子的寿命可以显著增加。如果适当地选择电源电压和阳极电阻,使电流峰值不超过推荐的工作电流上限值时,管子的寿命几乎可以增加一倍,而在亮度上所带来的些微损失,只要不是在阳光下使用,一般均可忽略不计。
四、基本应用电路

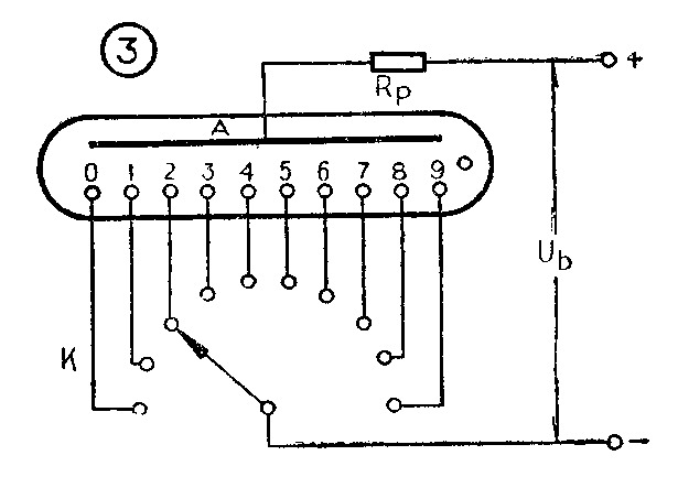
数字指示管的基本工作线路比较简单,如图3所示。阳极通过电阻R\(_{p}\)接电源正极,电阻Rp不应过小,一般应在10~100KΩ,否则将影响数字指示管的工作稳定性。电源电压V\(_{b}\)一般在100~180伏。各阴极可用机械开关或电子开关选择,将其中某一阴极接电源负端时,就显示出相应数字(图3的状态是“2”字亮)。
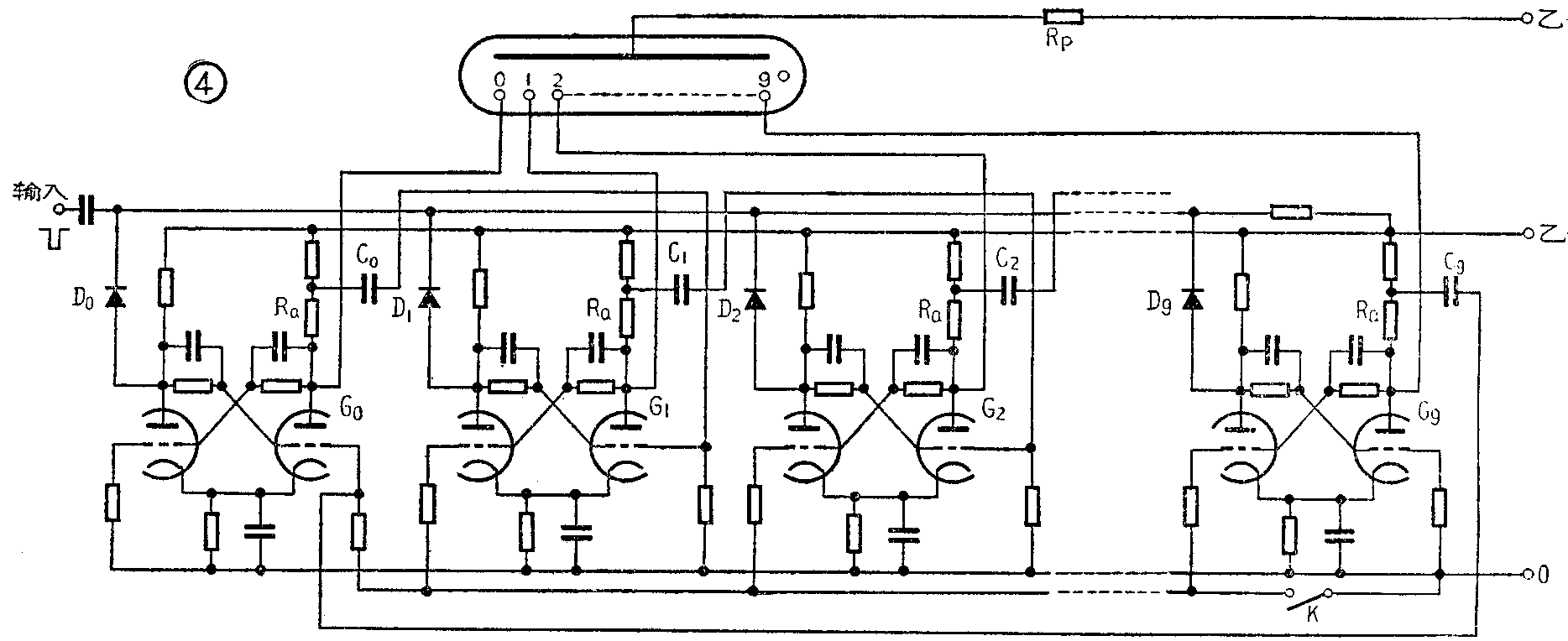
驱动数字指示管作数字转换的最简单方法是用机械开关,例如继电器或选择器。它们的动作较慢,多用在工业加工控制系统中。如要求快速驱动,则必须使用电子控制电路。下面简单介绍一个运用较广的驱动电路。

图4是由10个同型号双三极管组成的10组双稳态触发线路,用来驱动数字指示管。在双稳态电路中,两个三极管中的一个必处于导通,另一个必处于截止状态, 例如左管导通,右管截止。当接收外来触发脉冲后,即改变状态:右管导通,左管截止。
从图4可以看出,10组双稳态电路的每个右边三极管的屏极都和数字指示管的相应阴极连接。我们事先使电源电压乙\(_{+}\)2,较高于乙+1,但二者之差略低于数字指示管的起辉电压。当10组中的右边三极管都不导通时,数字指示管所有阴极的电位都较高,所以没有数字显示。在起始状态下,G\(_{0}\)的右管的栅极电位高而左管的低;G1~G\(_{9}\)各管的左管的电位高而右管的低。因而G0的右管导通,G\(_{1}\)~G9的右管截止,此时指示管的“0”阴极显示。此时合上开关K后,各组电路进入了双稳态情况,仍保持原来状态,指示管的“0”继续显示。
当输入端进入第一个负脉冲时,此脉冲通过二极管D\(_{0}\)~D9同时加到各组右管的栅极。由于G\(_{1}\)~G99组右边三极管本来就是截止的,加上负脉冲以后,仍然截止,不改变状态。G\(_{0}\)的右边三极管原来处于导通状态,在负脉冲的作用下,转换成右边截止,左边导通。由于右边变成截止状态,屏压升高到乙+1,阴极“0 ”熄灭,同时由于屏压升高通过耦合电容C\(_{0}\)输出一正脉冲到G1的右管栅极,从而使G\(_{1}\)的状态改变成右管导通左管截止,阴极“1”发光显示。同理,当输入第二个脉冲时G1的状态移到G\(_{2}\),“2”发光显示。这样就可以直接利用数字指示来记录输入脉冲数目。(南生 文瑜)
