在一些具有温度调节系统的工厂里,感温系统与控制系统不在一处,往往相隔几十米甚至几百米。这里介绍一种适合这种场合用的控温电路。它的特点是既灵敏又可靠,温度变化可限制在±1℃以内;感温系统与控制系统用单根导线连接,普通导线就可以,而不必采用屏蔽线,这对长距离控制颇为有利。
装在被调节系统部位的感温器是一水银接点式温度计。把白金触点调在被控温度值,当温度超过这一数值时,电极便接通;温度在这数值以下时,电极间为断路。
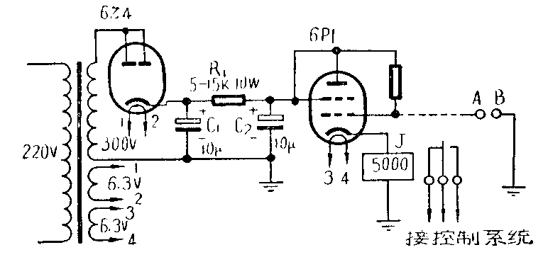
控制器的电路如图。A,B两点间水银接点式温度计。温度计与控制器之间用单导线连接(距离可达数百米)。

当温度在被控温度以下时,A,B之间是断路的,此时栅极电压对阴极是正的。6P1呈二极管状态,有较大的电流流过继电器(继电器绕组上的电压达62~80伏),继电器吸动,接点转换, 通过中间继电器去关闭冷风机,启动加热器。当温度高于被控温度时,AB间是接通的,电阻R\(_{2}\)通过长导线接地,由于R2的阻值很大,长导线的电阻与之相比是很小的,所以6P1栅极电位近于零电位。因阴极电流中串有继电器,栅极对地的电位是负的,屏流下降许多,继电器绕组上的电压为31伏,继电器释放,接点转换,通过中间继电器启动冷风机,关闭加热器。从而达到控温目的。
这一电路的主要特点是长导线中的电流很小,至多不过几十微安,由于导线的延长而引起的电位降是很小的,A,B导通时,6P1栅极的电位基本上对地是零,不因导线的长短而有显著的变化;另外又因为负载(继电器)是接在阴——地之间的,根据A,B导通与否,栅极对阴极的电位是在屏压与-31伏之间变化,因而流经继电器绕组的电流也在很大的幅度内变化。这一变化幅度大于吸动电流与释放电流的幅度,从而继电器的动作确实可靠。(邹福亭)