在一些电子设备中,我们常常要利用时间继电器来完成电路的延迟动作。我们这里介绍一种用半导体管构成的时间继电器,供大家参考,其时间延迟可达70秒。

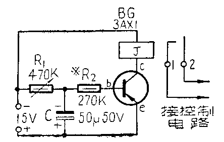
电路如图所示。J是动作电流为4毫安的高灵敏度直流电磁继电器。在一般情况下,当R\(_{1}\)处于短路状态时,这就是一个普通的放大电路。R2是偏流电阻,它的最大阻值恰使半导体管3AX1的集电极电流略大于4毫安(随着R\(_{1}\)的增大,R2应适当减少一些,否则集电极电流就达不到4毫安),此时加上电源后,J很快就动作,几乎没有时间延迟现象。当R\(_{1}\)不处于短路状态时,R1C便组成延迟电路,随着C两端电压逐渐升高,偏流也随之增大,导致集电极电流的逐渐增大。当C两端电压升高到接近电源时,偏流便能增大致使集电极电流增至4毫安,继电器J开始动作。这样便做到了继电器的动作延迟。
根据我们的实际使用,这一电路的延迟时间可在0.5秒至70秒之间任意调节,其时间误差甚少,完全可以起到较长时间的延迟作用。延迟时间是用R\(_{1}\)来调节的,但是由于电容器本身的漏电电阻及晶体管内阻的限制,为获得必要的偏流,不能用无限制地增大R1的方法来获得长时间的延迟。在图中所列元件数据的情况下,我们获得了70秒左右的延迟时间。(邓金良)
编者注:本文所介绍的电路没有利用负反馈(利用电子管构成的时间继电器,请参看本刊1965年第11期第7页“负反馈式电子延迟继电器”一文)。如把继电器改接在发射极电路里,就有了负反馈作用,这样延迟时间就会长一些。在同样的时间延迟的要求下,电容器C可以用得小一些。