问:电子管的放大系数、跨导、内阻三者之间存在一定的关系,即μ=S·R\(_{i}\)。但为什么许多电子管手册上所列出的三个数值有的不能完全符合此关系式?
答;电子管手册中所列出的μ、S和R\(_{i}\)值,一般是分别通过仪表测量较多的管子以后得出的平均值,所以三个数值凑在一起,不一定一丝不差的符合理论公式,但出入是很小的。
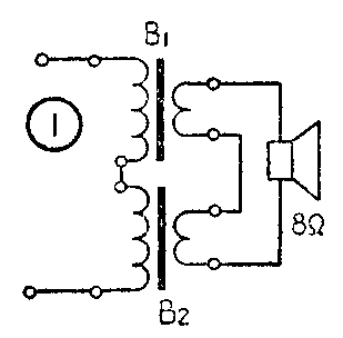
问:6N1管的屏极负载电阻要求10千欧,是否可以利用手头现有两只相同的6P1输出变压器串联起来接用8欧扬声器,其阻抗匹配情况如何?电子管屏极耗散是否超荷?
答:单只的6P1输出变压器,一般阻抗比为5~6千欧:3.5欧,如果改接8欧扬声器,则其初级阻抗就变为10千欧左右,可以符合6N1所需的负载。这时,由于初级阻抗提高,变压器内阻的影响相对减小,因而效率可以提高。其缺点是低音效果变差,因为变压器的初级电感量不够大。这个初级电感和负载阻抗相并联,它的电感量必须是在最低放音截止频率时其感抗等于或不小于负载阻抗,6P1的输出变压器的初级电感量一般是按最低放音截止频率150赫左右以及负载为5千欧左右的条件设计的,现负载变为10千欧,提高一倍,而初级电感不变,则低音截止频率就提高一倍,即只有300赫。如果要求不高,这样也可以用。

如果采用图1方法将两只相同的变压器串接,则其总的圈数比仍然和单只的一样,初级阻抗仍为10千欧左右,符合需要,而初级电感量比单只的增加一倍,使得低音截止频率也保持不变,低音效果不会变差。但是变压器的内阻也增加,使效率不能提高,仍和单只变压器接3.5欧扬声器时的效率差不多。这样使用以后,除了增加元件材料费用和体积以外,别的没有什么坏处,电子管的直流屏流并没有改变,而由于增加了一只变压器的初级直流电阻,降压增大,屏压比前降低了几伏,故屏极耗散功率不是增大而是减小,不会损坏管子。(以上林华答)
问:动圈式扬声器的音圈阻抗怎样测定?

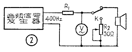
答:对于音圈阻抗不明的动圈式扬声器,简易测量方法,可用万用电表的低电阻档量出音圈的直流电阻值,将结果乘以1.25,便大致等于它的交流阻抗,按此去选择输出变压器,可以适合一般使用。较为精确的测量可以用置换法,如图2电路接线,用音频信号发生器输出400赫的音频电压,经过R\(_{1}\)加在扬声器的音圈上,用电子管电压表或万用电表的交流电压档测量这时音圈两端的电压,得出一个参考值。再将转换开关掷向R2,调整R\(_{2}\)使电压指示在原来的参考值上,这时R2上的直流电阻就等于音圈的交流阻抗。音频电压不必用得太大,R\(_{1}\)可选用约等于估计的音圈阻抗值。它和R2最好都使用无感电阻或碳膜电阻,以保证测量精度。(徐疾答)
问:自绕3.5欧和8欧扬声器的音圈时,如何确定线圈直径、线号、和圈数?

答:扬声器的音圈是按一定的磁路结构而设计的,在修理损坏的音圈时,必须按原来的规格来绕制。如果音圈已严重损坏或丢失,不知道原来规格的话,可按下述方法大致确定:音圈的内径比心柱稍稍大一些,使刚好能放进心柱并能自由活动。音圈绕制的长度可等于或略小于厚铁框板的厚度。音圈的厚度则应略小于心柱和厚铁框板之间的空隙,使放音时音圈可以前后活动不会被卡住。音圈的导线直径这样选择:按上述音圈的直径、长度、和厚度绕成以后,其直流电阻约为交流阻抗(即扬声器上所标称的阻抗)的0.8倍,即交流阻抗为3.5欧时直流电阻为2.8欧,阻抗为8欧时直流电阻为6.4欧。这样的交直流电阻比例不是一定精确的,但可供业余条件下制作参考之用,因为直流电阻便于用万用表测量或直接计算。导线一般为0.08~0.15毫米漆包线。
问:只有万用表,如何测出舌簧扬声器的阻抗?
答:舌簧扬声器的直流电阻和交流阻抗的比例不像低欧动圈扬声器那样有规律,所以用万用表只能量出其直流电阻而不能较准确地推知其交流阻抗。但我们可以根据常见的几种舌簧扬声器的交直流阻抗规律来判断。例如,直流电阻为1千欧或1千欧多一些的,其交流阻抗为8~10千欧。直流电阻为200欧左右的,其交流阻抗约为1千欧左右。直流电阻为80欧左右的,其交流阻抗约为300欧左右。其他的交直流阻抗可以按上述关系来推测。(以上金朗答)
问:我校一台A—130型扩音机,有人不接外面负载,用监听喇叭当收音机用,后来就不响了,现在开高压后四只807屏极发红,是什么故障?
答:因为扩音机开机未接负载,输出电压很高,把并联在输出变压器次级的保护电容器打穿了,次级短路,导致扩音机严重过负载,807屏极便发红。可剪去并联在输出变压器次级的0.1微法电容器,然后再接上负载开机试试看。大多数情况是这个问题。如果仍然是无声而且807发红,就很可能是输出变压器打穿了。不接负载开空机是不安全的,因此而打穿输出变压器造成较大的损失,是常见的事。(方锡答)