我们知道,电子管工作时,屏极是需要加上直流高压的。我们常用的交流收音机,都是使用交流市电来供电的,如何才能把交流220伏的市电变成收音机中电子管所需要的直流电压呢?这就要依靠真空二极管来进行整流,即将交流市电,经整流后变成所需要的直流电压,这就是真空二极管的主要用途之一。

真空二极管为什么能整流呢?因为二极管里面装有两个电极,一个是阴极,另一个是屏极。另外还有加热阴极的灯丝(直热式的灯丝就充当阴极)。它的内部结构和电路符号如图1所示。阴极被灯丝通电加热后,就能够发射大量的电子。如屏极加正电压,阴极加负电压,那么阴极发射的电子就会受到屏极正电压的吸引,向屏极移动,产生由阴极向屏极移动的电子流,二极管就导电了。如所加电压方向与上述方向相反,即屏极加负电压,阴极加正电压,则阴极发射的电子受到屏极负电压的排斥,不能流向屏极,这时二极管就不导电。所以当交流电压加在二极管屏、阴极两端时,只有正半周时(屏极为正时),二极管才能导电,反之,二极管不导电。这就是二极管的单向导电性。交流电通过二极管后,就整流成单方向的直流电了。


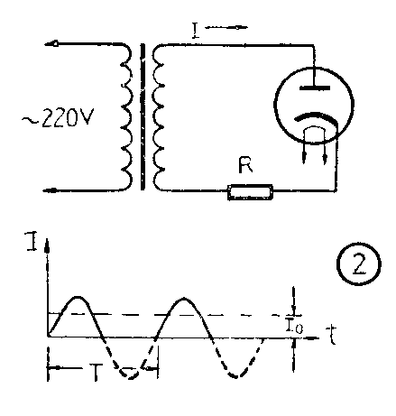
整流电路有很多种,常用的有半波整流和全波整流,如图2和图3所示。半波整流是用一个二极管,交流市电经过电源变压器后变成所需要的电压,再经过二极管整流成直流供给负载R(其他电子管)使用。因为只有正半周电流能通过,所以叫半波整流,它的平均直流电流I\(_{0}\)较小。全波整流是用双二极管,变压器次级有中心抽头,交流电正半周时,电流由右管通过,流经负载R回到变压器次级中心抽头(电源负极),负半周时由左管通过,也流经R回至电源负极。但流过R上的电流方向相同,因此也把交流变成了直流。因为正负半周都被利用了,所以叫全波整流,整流后的平均电流(I0)较高。收音机中常用的整流管有双二极管6Z4(6Ц4Π)、5Z2P(5Y3-GT)等。

真空二极管的另一个主要用途是检波。它也是利用二极管的单向导电作用。因为从电台发送出来的带有音频信号的无线电波也是交流电振荡,它的幅度是随着音频信号变化的(图4a),叫做调幅波。通过二极管检波后,只有一个方向的电流能通过(图4b),它的平均电流波形和原来电台发送的音频信号相同,因此就把音频信号从载波中取出来了。常用的检波电子管有6H2(6X2Π)等。(基放)