这里介绍的一架用低频半导体管制成的单管机,使用交流电源供电,不用架设天线而能用扬声器放音。耗电不到5瓦。

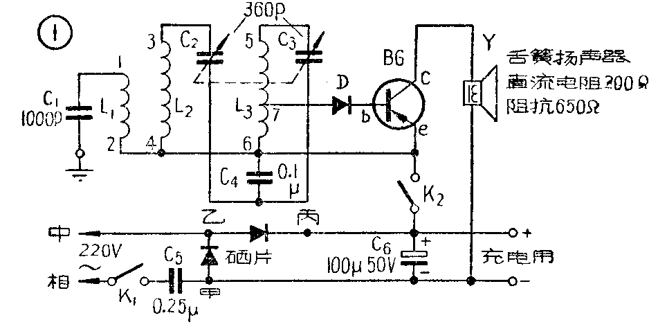
本机的电路如图1。它是用一个二极管检波和一个低频三极管放大。调谐部分采用市售三回路矿石机线圈和一副双连可变电容器。天线线圈L\(_{1}\)的两端,一端是通过C1接在地线(暖气管子)上;另一端则利用了电源线代替天线。经过L\(_{2}\)、C2和L\(_{3}\)、C3两次调谐,选择性比较好,基本上没有混台现象。线圈如自己绕制,可用硬纸板做两个直径48毫米、长75毫米的线圈管。用直径0.38毫米的漆包线绕40圈作为L\(_{1}\);相距5毫米,用同样的线绕80圈作L2。在另一个线圈管上用同号线绕80圈作L\(_{3}\),第25圈处抽头(图中6与7之间)。绕毕应在蜡内煮透。如果对选择性要求不高,也可以采用双回路线圈和单连可变电容器,这时可省去线圈L3,在L\(_{2}\)上抽头即可。检波二极管应如图中所示方向连接,接反了效果不好。低频三极管应采用功率放大管如3AX2等。这里采用的是业余管,没有加用偏流电阻。
电源部分:采用电容C\(_{5}\)降压,用两片硒片作半波整流。电容C5用0.25微法耐压400伏的,可以供给电流7毫安左右。最好采用油浸纸介电容。以保证安全。用好的纸质电容也可以。因为半导体管消耗电流不大,晒片可用20×20毫米的,大一些的也能用。硒片有硒的一面是负极、另一面平滑的是正极。电流从正极到负极正向电阻小,容易通过,反向则不易通过。晒片装法如图2,把两片晒片串连起来,中间垫一片菊花瓣和一片焊片,中心柱上套上套管避免极间短路。C\(_{6}\)是滤波电容,容量愈大愈好、20μf以上的就听不见交流声了。

在插接电源以前,最好先用试电笔分清电源的中线(地线)和相线(火线),使试电笔发亮的是相线,可用记号标明,以免插错。为了避免电源接反发生触电,可变电容的动片通过一个0.lμf的电容C\(_{4}\)和线圈相接,地线也通过一个1000Pf的电容C1和线圈相接,这样就比较安全。

本机元件的具体安排如图3。它的灵敏度和一般矿石机一样,在距电台近的地方放声比较响亮,离电台较远的地方声音就比较小,因此只适合在市区附近使用。
不收音的时候,如果将开关K\(_{2}\)断路,还可以利用电源整流部分给干电池或蓄电池充电用。(陈福延)