这里所说的应急配接,是指扩音机有时受到客观条件的限制,不能按照正常要求配接扬声器,或是由于线间变压器、扬声器等元件临时损坏,为了不使工作停顿,在不致严重损害机件和扬声器不致产生严重失真的要求下所作的临时性配接。下面结合几个具体例子分几点来谈:
1.需要检验一只10瓦8欧扬声器的音质音量,使用的扩音机为40瓦,应如何配接使用?

可如图1将扬声器接在扩音机的0和8欧端子上,要注意先把音量控制旋钮转到输出最小的位置,然后开机慢慢加大音量,在能够听到正常10瓦扬声器应有的音响时,就不要再继续加大,否则扬声器就要烧坏了。假如手头有万用电表的话,可用它的交流电压档测量一下0和8两接线柱的输出电压,如已达到9伏,就是扬声器所应承受的电压,不能再继续加大,这时就可试听扬声器的音质好坏和音量大小。
扩音机和扬声器功率相差悬殊,如果必须临时配接,可按上述步骤小心操作,短时间使用不致使设备损坏。
2.一台40瓦扩音机,配备四只10瓦8欧扬声器下乡宣传,路上不慎扬声器两只损坏,应当怎样配接供临时使用?
一般40瓦扩音机功率输出级多用电子管四只作并联推挽放大,可拔掉其中两只,输出功率就会减小,40瓦就变成20瓦了。在拔管子时要注意不要使电路变成单端输出,要保持推挽输出。一般情况下,只要如图2拔掉对角(1)、(4)或(2)、(3)两管就能达到上述目的。

在拔掉两只管子后,输出管总屏阻要增加一倍,因此屏极负载阻抗也应增加一倍,输出变压器次级所接的欧姆数应比标定数字增加一倍,这样扬声器线间变压器的初级应从原来的500欧改接到1000欧上,接法如图3。

如果供给功率输出管的栅极负压是采用自给栅偏压法,栅极负压会因屏流减小而降低,因此失真较大。
我们也可以利用扩音机和扬声器之间导线的电阻来进行配接。假定上述线间变压器和扩音机的连接导线是25米长,导线的规格是2×12/0.15毫米的双股塑料软线,它的直流阻值应为3.75欧。这样我们可以去掉线间变压器,采取低阻抗配接,把损坏了的扬声器上的导线取下,串联在好的扬声器的导线上。导线的长度就变成50米,阻值变成7.5欧,加上扬声器的阻抗,总阻抗便是15.5欧。这时可如图4配接,不须拔掉两只功率输出管。

以上便是扬声器功率只有扩音机输出功率一半时的应急配接法。
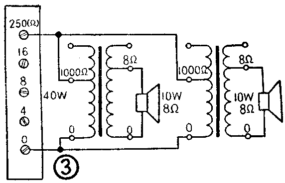
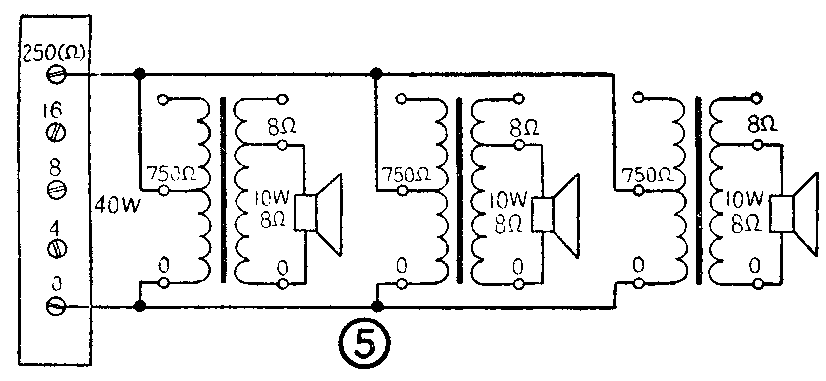
3.有一台40瓦扩音机,配备四只10瓦8欧扬声器,其中一只损坏,其余三只应当怎样配接供临时使用?

接法可如图5。每只线间变压器将分配到13瓦多的电力。线间变压器的效率一般约为80%,因此扬声器实际得到的电力要照计算值打个八折。同时扬声器能承受的最大功率一般可等于其标称功率的一倍,也就是说10瓦扬声器可以承受20瓦的功率不致损坏。此外还可利用音调控制来衰减输出。在播送歌曲时,可将音调控制旋钮转向低音位置,衰减掉一部分输出,并使低音丰富;在讲话时则转向高音,因讲话是断续的,其平均输出值不会太大。所以当扬声器的功率为扩音机功率的25%左右时,只要我们使用得法,扬声器还是能承受得了的。
4.一台10瓦扩音机,要利用旧有的25瓦16欧扬声器,能否配接?

接法如图6。可以不必担心扩音机是否过载吃不消,实际上扬声器得到的功率不是25瓦,而是10瓦。因为根据公式E=\(\sqrt{P×Z}\)计算0和16欧两接线柱间输出电压只有12伏多。并且,根据经验,25瓦扬声器承受10瓦功率,它的放音就已经很响了。所以当扬声器的功率超过扩音机时是可以配接的,只是不能发挥扬声器的全部作用罢了。
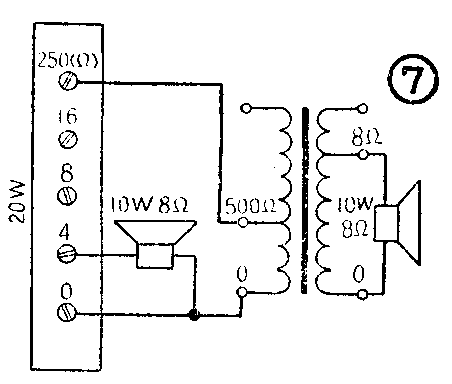
5.某礼堂装有两只10瓦8欧扬声器,用高阻抗输送,配挂在20瓦扩音机上,其中一只线间变压器坏了,应如何改接,供临时使用?

接法如图7,让一只距离扩音机较近的扬声器直接改接在0和4欧两接线柱上。0和4欧两接线柱间的电压约9伏,正合10瓦扬声器的需要。就阻抗来说,它们也是匹配的。因为0和4两接线柱反映到输出变压器初级的阻抗是设计阻抗的两倍,0和250欧两接线柱反映到输出变压器初级的阻抗也是设计阻抗的两倍,两者并联后,刚好等于所需的屏极负载阻抗。
6.采用照明灯泡作为扩音机的假负载。
电灯泡的灯丝在冷和热时阻值相差很大,如220伏15瓦灯泡的钨丝冷时是270欧,热时(得到15瓦的功率时)约为3235欧,220伏100瓦灯泡的钨丝冷时是36欧,热时则是484欧,因此灯泡在忽明忽暗的瞬间,输出变压器的初级阻抗变化很大,引起失真较严重。但是灯泡为日常用品,容易买到,用它来作为假负载有方便的地方,因而用时要注意它的电压和功率。假如扩音机的输出电压在110伏左右,就要用110伏的灯泡来配接,输出电压在220伏左右,要用220伏的灯泡来配接。同时还要注意灯泡瓦数,瓦数太小,得到的阻值过大,瓦数太大,得到的阻值过小,都不合适。图8是用灯泡作为假负载来配接的例子,供读者参考。注意不要把25瓦16欧扬声器接在0和16欧两接线柱上,因为输出电压并不相符。

假负载能用线绕电阻最好。如没有合适阻值,可用串联或并联方法获得,总阻值只要在500欧左右,相差不超过20%就可以。瓦数大一些也无妨。(陈邦柱)